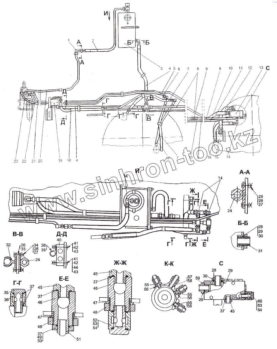
Каталог запасных частей к технике: МЗКТ-80211. Установка гидросистемы рулевого управления
1
2
3
4
4
5
6
6
6
7
7
8
9
10
10
11
12
13
14
14
14
15
16
17
18
19
20
21
22
23
24
24
25
26
26
26
27
27
28
28
29
29
29
30
30
31
32
33
34
35
36
37
37
37
37
37
38
39
40
41
41
42
42
43
43
44
45
45
45
46
46
47
47
48
48
49
50
51
52
53
53
54
54
55
55
55
56
56
56
57
58
59
60
| Позиция на иллюстрации | Заводской номер детали | Название детали | |
|---|---|---|---|
| 1 | 7917-3408080 | Переходник угловой | |
| 2 | 65251-3408406 | Шланг | |
| 3 | 80211-3400030 | Установка масляного бака | |
| 4 | 80211-3408504 | Шланг | |
| 5 | 8021-3408404 | Шланг | |
| 6 | 80211-3408075 | Трубопровод | |
| 7 | 80211-3408400 | Шланг | |
| 8 | 80211-3408108 | Трубопровод | |
| 9 | 535А-3408038 | Ниппель переходной | |
| 10 | 80211-3408095 | Трубопровод | |
| 11 | 80211-3408500 | Шланг | |
| 12 | 8021-3408500 | Шланг | |
| 13 | 8021-3420010-10 | Блок клапанов | |
| 14 | 74295-3408080 | Переходник угловой | |
| 15 | 8021-3400028 | Установка насоса | |
| 16 | 80211-3408450 | Шланг | |
| 17 | 80211-3408406 | Шланг | |
| 18 | 8021-3408458 | Шланг | |
| 19 | 8021-3400026 | Установка насоса | |
| 20 | 80211-3408092 | Трубопровод | |
| 21 | 80211-3408086 | Трубопровод | |
| 22 | 80211-3408089 | Трубопровод | |
| 23 | 80211-3408071 | Трубопровод | |
| 24 | 8021-3408037 | Переходник | |
| 25 | 201456 | Болт М8-6gх20 | |
| 26 | 250510 | Гайка М8х1-6Н | |
| 27 | 252155 | Шайба 8Л | |
| 28 | 69237-3408094 | Шайба фторопластовая | |
| 29 | 0000-1903747 | Кольцо 030-034-25-2-2 | |
| 30 | 375048 | Гайка М33х1,5-6Н | |
| 31 | 692375-3408066 | Угольник ввертный | |
| 32 | 692375-3408140 | Соединитель тройной | |
| 33 | 252005 | Шайба 8 | |
| 34 | 201460 | Болт М8-6gх30 | |
| 35 | 7930-3408017 | Болт наконечника | |
| 36 | 74295-3408016 | Наконечник | |
| 37 | 0000-3408731 | Кольцо 019-023-25-2-2 | |
| 38 | 543-1104526 | Прокладка | |
| 39 | 379223 | Кляммер | |
| 40 | 7413-3408545 | Колодка | |
| 41 | 200219 | Болт М6-6gх50 | |
| 42 | 250508 | Гайка М6-6Н | |
| 43 | 252154 | Шайба 6Л | |
| 44 | 252004 | Шайба 6 | |
| 45 | 404262 | Штуцер | |
| 46 | 80211-3408140 | Соединитель | |
| 47 | 543-1731617-01 | Шайба стопорная | |
| 48 | 374984 | Гайка М39х2-6Н | |
| 49 | 376210 | Шайба фторопластовая 22 | |
| 50 | 405670 | Гайка М22х1,5-22 | |
| 51 | 402804-10 | Угольник | |
| 52 | 80211-3408016 | Наконечник | |
| 53 | 79191-3408017 | Болт наконечника | |
| 54 | 0000-1015739 | Кольцо 025-029-25-2-2 | |
| 55 | 6923-3408037 | Переходник | |
| 56 | 0000-3408723 | Кольцо 013-016-19-2-2 | |
| 57 | 404259 | Штуцер | |
| 58 | 0000-3408727 | Кольцо 017-020-19-2-2 | |
| 59 | 404332-10 | Штуцер | |
| 60 | 79191-3408016 | Наконечник |
Содержащиеся в справочниках-каталогах запасные части и детали не предлагаются к продаже, а носят исключительно информационный характер