Вернуться на главную
Поиск
Каталоги запчастей к технике
Спецтехника
МЗКТ
МЗКТ-8006
Крепление задних тормозных камер и шлангов
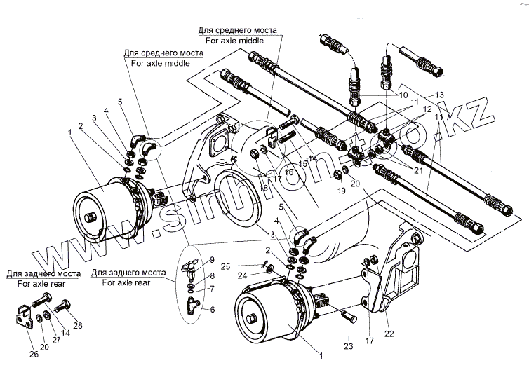
Каталог запасных частей к технике: МЗКТ-8006. Крепление задних тормозных камер и шлангов
zoom-in
zoom-out
enlarge
shrink
circle-right
circle-left
file-text2
info
cart
Тип техники
Не выбрано
Легковые автомобили
Грузовые автомобили и прицепы
Автобусы
Сельхозтехника
Спецтехника
Двигатели
Мототехника
Марка
Не выбрано
Ammann
BOMAG
CARMIX
CASE IH
Changlin
ChengGong
Dimex
Doosan
DYNAPAC
Foton
HAMM
Hidromek
Hitachi
Hyundai
JCB
JLG
John Deere
Komatsu
LIEBHERR
LiuGong
Lonking (LongGong)
Luneng
MANITOU
Mitsuber
New Holland
PENGPU
RM-Terex
SANY
SDLG
SEM
Shantui
Shehwa HBXG
Soosan
TIGARBO
VOGELE
Volvo
WAY
WIRTGEN
XCMG
XGMA
Xiamen
YTO
Yuchai
Zoomlion
Автокран
АЗСМ
Алтайлесмаш
Амкодор
АОМЗ
Атек
АТЗ
Балканкар Рекорд
БелАЗ
Беловеж
Борекс
Брянский Арсенал
Булат
ВЭКС
ГАЗ
Геомаш
Гидромаш
Донекс
Дормаш
Дормашина
Дорэлектромаш
ДЭЗ
ЕлАЗ
ЗЗГТ
Ижнефтемаш
Канаш-электрокар
КЗКТ
ККЗ
Клевер
Клинцовский автокрановый завод
КМЗ
КМЗ 1 Мая
Ковровец
Коммаш
Кранэкс
КЭЗ
КЭМЗ
ЛЗА
МАЗ
МЗИК
МЗКМ
МЗКТ
Михневский РМЗ
МоАЗ
Мозырский МЗ
МТЗ
ОЗП
Онежец
ПАО "ТЗА"
ППС Детва
Промтрактор
ПТЗ
Раскат
СпецАгрегат
ТВЭКС
ТТМ
УВЗ
Угличмаш
УЗТМ
ХТЗ
ЧЗКМ
ЧСДМ
ЧТЗ
ЭКСКО
ЭКСМАШ
ЮрМаш
Модель
Не выбрано
МЗКТ-69234 (2010)
МЗКТ-8006 (2010)
МЗКТ-80211 (2010)
Схема
>
Не выбрано
Подвеска кабины
Кабина
Панель приборов
Двери
Механизм подьема стекла
Установка и пневмопитание сидений
Установка трубопроводов отопителя
Отопитель кабины
Установка воздушных заслонок и отопителя кабины
Установка капота 6923-8400002
Установка крыльев 8006-8400005
Установка подножек 8006-8400008
Установка двигателя
Установка трубопроводов системы подогрева двигателя
Установка топливных агрегатов питания подогревателя
Установка подогревателя и выхлопных труб
Установка агрегатов смазки двигателя
Пробка заливной горловины 543-1018270
Установка топливопроводов
Установка топливного бака (5336-1101010)
Установка топливного бака (6923-1101010)
Бак топливный 6923-1101010
Установка воздухоочистителя (238Б-1ТКР9)
Установка воздухоочистителя (238Б-1ТКР11)
Установка топливоподкачивающего насоса
Насос подкачивающий 79092-1133200
Привод управления подачей топлива
Педаль с кронштейном
Привод останова двигателя
Установка системы выпуска
Заслонка 64221-3570010-01
Установка радиатора
Радиатор в состоянии установки
Радиатор с кожухом 64229-1301009
Радиатор с кожухом 64229-1301009-01
Шторка радиатора
Установка труб охлаждения двигателя
Установка привода шторки
Привод управления сцеплением
Механизма управления сцепления
Подпедальный цилиндр 69237-1602300
Усилитель пневмогидравлический 69237-1609200
Привод управления механизмом переключения передач
Механизм переключения передач 6923-1702010-01
Корпус 8006-1703290
Тяга 8006-1703438
Тяга 8006-1703445
Тяга 6923-1703490
Рычаг коробки передач 64221-1703410-01
Установка трубопроводов управления 8006-1700022
Установка раздаточной коробки 8006-1800008
Картер и детали раздаточной коробки
Валы и шестерни раздаточной коробки
Привод масляного насоса раздаточной коробки
Пневмопереключатель 8006-1803100
Механизм отключения карданного вала 6923-1810010
Установка управления раздаточной коробки 8006-1800027 ( для шасси выпуска до 06.2000 г.)
Клапан электромагнитный 7917-1723010 ( для шасси выпуска до 06.2000 г.)
Установка управления раздаточной коробки 8006-1800027-10 ( для шасси выпуска после 06.2000 г.)
Установка валов карданных
Валы карданные 6923-2201010, 8006-2205010
Вал карданный 7922-2201010
Мост задний. Детали колесной передачи
Тормоз заднего и среднего колеса
Колодка тормоза правая 54326-3501090, колодка тормоза левая 54326-3501091
Мост задний и средний. Привод тормозов
Картер моста 6923-2401010
Редуктор 6923-2402010
Шестерня ведущая 6923-2402021
Дифференциалы 6923-2403010 и 6923-2503010
Мост средний. Редуктор с картером моста
Мост средний. Детали колесной передачи
Мост средний. Вал задний
Картер моста 6923-2501010
Редуктор среднего моста. Картер редуктора с дифференциалом
Редуктор среднего моста. Межосевой дифференциал с картером шестерен
Редуктор среднего моста. Механизм блокировки.
Шестерня ведущая 6923-2502021-10
Дифференциал межосевой 6923-2506010
Привод управления блокировкой межоcевых дифференциалов
Привод управления блокировкой межоcевых дифференциалов
Установка бампера
Рама
Подвеска передняя
Подвеска задняя
Ось передняя 69237-3000015-01
Балка оси передней с поворотными кулаками
Ступица с барабаном и подшипниками 6923-3103006-01
Тормоз правый 6923-3501004-02, тормоз левый 6923-3501005-02
Установка передних колес
Установка задних колес
Ступица задняя 6923-3104010-01
Установка рулевого управления
Тяги и кронштейны рулевого привода
Кронштейн с колонкой 64221-3403008
Гидроцилиндр 6923-3405005-10
Установка шлангов и трубопроводов
Установка масляного бака
Бак масляный 6923-3410010-10
Блок клапанов 6923-3420010-10
Колонка рулевая 64221-3444010
Вал карданный 79191-3444050
Установка кожухов рулевой колонки
Насос 6923-3407008
Насос 6923-3407010-20
Насос 8006-3431010-10
Тормоза
Присоединительная арматура к ресиверам
Установка воздушных баллонов
Установка воздушных баллонов стояночного тормоза и потребителей
Клапан обратный 543М-3515075
Установка клапана ускорительного заднего
Установка клапана ускорительного стояночного тормоза
Установка клапана двухмагистрального
Установка крана стояночного тормоза
Присоединительная арматура к передним ториозным камерам
Крепление передних тормозных камер
Крепление задних тормозных камер и шлангов
Установка крана моторного тормоза
Установка агрегатов моторного тормоза
Привод тормозного крана
Установка тормозного крана
Кронштейн 69237-3504090
Педаль тормоза 69237-3504100
Установка компрессора
Установка водоотделителя
Установка регулятора давления и предохранителя против замерзания
Установка клапана защитного
Установка генератора
Установка головного освещения
Установка контейнера и аккумуляторных батарей
Установка задних фонарей
Установка электрооборудования на шасси
Установка электрооборудования двигателя
Установка электрооборудования в кабине
Установка электрооборудования подогревателя
Установка электрооборудования обогреваемых зеркал
Установка электрооборудования на кабине
Привод спидометра
Установка запасного колеса
Установка буксирного троса
Установка инструментального ящика
Установка огнетушителя
Установка противооткатных упоров
Инструмент из комплекта ЗИ
1
1
2
2
3
3
4
4
5
5
6
7
8
9
10
11
11
12
13
14
14
15
16
17
17
18
19
20
20
21
22
23
24
25
26
27
28
Позиция на иллюстрации
Заводской номер детали
Название детали
1
24-3519200
Камера тормозная
2
0000-1308725
Кольцо 014-018-25-2-2
3
375960
Шайба 16
4
250636
Гайка М16х1,5-6Н
5
402769
Угольник
6
403068
Тройник
7
0000-3515733
Кольцо 020-025-30-2-2
8
376145
Шайба 22
9
13-3515310
Клапан контрольного вывода
10
6923-3506720
Шланг
11
6923-3506114
Шланг
12
5335-3506293
Соединитель
13
6923-3506090
Шланги с соединителем
14
201509
Болт М10-6gх60
15
373282
Шпилька М16х40
16
6923-3506082
Кронштейн
17
252139
Шайба 16 ОТ
18
374635
Гайка М16х1,5-6Н
19
250512
Гайка М10-6Н
20
252136
Шайба 10 ОТ
21
500-5001083
Втулка распорная
22
250561
Гайка М16х1,5-6Н
23
260089
Палец 12х40
24
252007
Шайба 12
25
258053
Шплинт 4х25
26
6923-3506020
Кронштейн
27
252006
Шайба 10
28
201493
Болт М10-6gх16
Содержащиеся в справочниках-каталогах запасные части и детали не предлагаются к продаже, а носят исключительно информационный характер
Дополнительная информация
×
Название:
Номер:
Примечание: