Каталог запасных частей к технике: МЗКТ-8006. Картер и детали раздаточной коробки
1
2
3
4
4
5
5
5
5
6
6
6
6
7
8
9
10
11
12
13
13
14
15
16
17
18
18
19
20
20
21
21
22
23
24
25
26
27
28
29
29
29
29
30
30
30
30
30
31
31
31
31
31
31
32
33
34
35
36
37
38
39
40
41
42
43
44
44
45
46
47
51
51
52
52
53
53
54
54
55
55
56
57
58
59
60
61
62
63
64
65
66
67
68
69
70
71
72
73
74
75
76
77
78
79
80
81
82
83
84
85
86
87
88
89
90
91
92
93
94
95
96
97
98
99
100
101
102
103
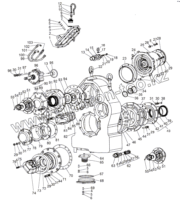
| Позиция на иллюстрации | Заводской номер детали | Название детали | |
|---|---|---|---|
| 6923-1808028 | 6923-1808028 | Муфта угловая | |
| 0000-1716728 | 0000-1716728 | Кольцо 018-022-25-2-2 | |
| 201460 | 201460 | Болт М8-6gх30 | |
| 252135 | 252135 | Шайба 8Т | |
| 0000-1808011 | 0000-1808011 | Насос шестеренный НШ 10у-3 | |
| 535А-1803136 | 535А-1803136 | Болт стопорный | |
| 206536 | 206536 | Болт 3М10-6gх25 | |
| 371775 | 371775 | Болт 3М14х1,5-6gх35 | |
| 379072 | 379072 | Угольник | |
| 379254 | 379254 | Муфта 10 | |
| 1 | 7911-1805148 | Прокладка | |
| 2 | 7911-1802540 | Крышка | |
| 3 | 216555 | Шпилька М10х30 | |
| 4 | 252006 | Шайба 10 | |
| 5 | 252136 | Шайба 10 ОТ | |
| 6 | 250513 | Гайка М10х1-6Н | |
| 7 | 543-1116056 | Прокладка | |
| 8 | 378653 | Пробка М45х2-6g | |
| 9 | 314612 | Ниппель | |
| 10 | 0000-3506717 | Кольцо 008-011-19-2-2 | |
| 11 | 405641 | Гайка накидная 10 | |
| 12 | 7909-1802376 | Воздухопровод | |
| 13 | 7410-1803066 | Втулка | |
| 14 | 7410-1805144 | Прокладка заглушки | |
| 15 | 6923-1803156 | Заглушка | |
| 16 | 0000-3710465 | Выключатель ВК12-3А | |
| 17 | 375992 | Шайба 16 | |
| 18 | 250511 | Гайка М8х1-6Н | |
| 19 | 373236 | Шпилька М8х20 | |
| 20 | 252135 | Шайба 8Т | |
| 21 | 252005 | Шайба 8 | |
| 22 | 535А-1503280 | Рым-болт М20 | |
| 23 | 7911-1802068 | Стакан задний | |
| 24 | 7911-1805140 | Прокладка крышки | |
| 25 | 6923-1810010 | Механизм отключения карданного вала | |
| 26 | 201682-10 | Болт М10х1,25-6gх40 | |
| 27 | 251646 | Гайка М10х1,25-6Н | |
| 28 | 6923-1810032 | Переходник | |
| 29 | 250515 | Гайка М12х1,25-6Н | |
| 30 | 252137 | Шайба 12 ОТ | |
| 31 | 25200^ | Шайба 12 | |
| 32 | 373513 | Шпилька М12х32 | |
| 33 | 206533 | Болт 3М10-6hх18 | |
| 34 | 400422 | Кольцо Б68 | |
| 35 | 7911-1802098 | Крышка | |
| 36 | 0000-1018847 | Кольцо У-65х60-2 | |
| 37 | 543-1731027 | Прокладка | |
| 38 | 201542 | Болт М12-6gх35 | |
| 39 | 543-1731104-01 | Манжета | |
| 40 | 543-1731069 | Кольцо упорное | |
| 41 | 543-1731036-01 | Манжета 1.2-92х120-3 | |
| 42 | 543-1731031-Б | Крышка | |
| 43 | 543-1731030-Б | Крышка | |
| 44 | 216284 | Шпилька М12х40 66.016 | |
| 45 | 8006-1802194 | Крышка | |
| 46 | 8006-1802214 | Прокладка | |
| 47 | 7911-1801030 | Подушка | |
| 48 | 543-3509148 | Пробка поддона | |
| 49 | 543-3506013 | Прокладка 12М3 | |
| 50 | 7911-1802022 | Переходник | |
| 51 | 7930-1810028 | Фланец | |
| 52 | 547А-1731043 | Кольцо | |
| 53 | 535А-1802229 | Шайба | |
| 54 | 375152 | Гайка М39х2-5Н6Н | |
| 55 | 258085 | Шплинт 6,3х50 | |
| 56 | 535А-1018542-Б | Пробка клапана | |
| 57 | 535А-1018544-Б | Прокладка пробки | |
| 58 | 543-1718366 | Пружина сливного клапана | |
| 59 | 0000-3410201 | Шарик 26,988-100 | |
| 60 | 543-1718370 | Седло сливного клапана | |
| 61 | 543-1718364 | Корпус сливного клапана | |
| 62 | 543-1718360 | Клапан сливной | |
| 63 | 543-1018552 | Прокладка | |
| 64 | 0000-1716728 | Кольцо 018-022-25-2-2 | |
| 65 | 6923-1808050 | Фильтр | |
| 66 | 373271 | Шпилька М10х25 | |
| 67 | 547А-2907261 | Кольцо уплотнительное | |
| 68 | 7911-1802434 | Крышка | |
| 69 | 216554-10 | Шпилька М10х28.88 | |
| 70 | 7911-1805150 | Прокладка | |
| 71 | 6923-1802240 | Крышка | |
| 72 | 7911-1801072 | Подушка | |
| 73 | 543-3406013-01 | Прокладка | |
| 74 | 8006-3431010-10 | Насос | |
| 75 | 216555 | Шпилька М10х30 | |
| 76 | 374243 | Гайка М10х1-5Н6Н | |
| 77 | 216592 | Шпилька М12х45 | |
| 78 | 6923-1802218 | Крышка | |
| 79 | 7911-1805164 | Прокладка | |
| 80 | 6923-1802103 | Стакан | |
| 81 | 7911-1805162 | Прокладка | |
| 82 | 8006-1802010-10 | Картер | |
| 83 | 6923-1808010 | Насос | |
| 84 | 6923-1802109 | Прокладка | |
| 85 | 6923-1802108 | Крышка | |
| 86 | 7911-1805142 | Прокладка крышки | |
| 87 | 216528 | Шпилька М8х28 | |
| 88 | 6923-1802066 | Крышка | |
| 89 | 543-1731104-01 | Манжета | |
| 90 | 6923-1802065 | Крышка | |
| 91 | 7911-1805136 | Прокладка крышки | |
| 92 | 7911-1802069 | Стакан передний | |
| 93 | 6923-1802054 | Шайба | |
| 94 | 7911-1805138 | Прокладка стакана | |
| 95 | 0000-1308788 | Кольцо 075-085-58-2-2 | |
| 96 | 8006-1803100 | Пневмопереключатель | |
| 97 | 373367 | Шпилька М12х105 | |
| 98 | 251014 | Гайка М18х1,5-6Н | |
| 99 | 6923-1808060 | Шланг | |
| 100 | 547А-1712429 | Шланг | |
| 101 | 379741 | Угольник | |
| 102 | 379762 | Угольник | |
| 103 | 401596 | Ниппель |
Содержащиеся в справочниках-каталогах запасные части и детали не предлагаются к продаже, а носят исключительно информационный характер