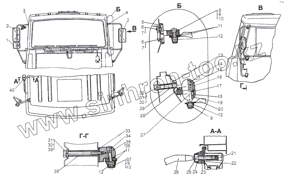
Каталог запасных частей к технике: МЗКТ-69234. Установка держателей зеркал
1
1
2
2
2
3
4
5
6
6
7
7
8
9
9
9
10
10
11
11
12
12
12
13
14
15
16
17
18
19
20
21
22
23
24
25
26
27
28
29
30
30
31
31
32
33
34
35
36
37
38
39
40
40
| Позиция на иллюстрации | Заводской номер детали | Название детали | |
|---|---|---|---|
| 1 | 0000-8201045 | Зеркало наружное заднего вида широкоугольное с нагревателем САКД 458201.030 | |
| 1 | 0000-8201038 | Зеркало широкоугольное IV кл. | |
| 2 | 0000-8201044 | Зеркало наружное заднего вида с нагревателем САКД 458201.050-01 | |
| 2 | 0000-8201037 | Зеркало заднего вида II кл. | |
| 3 | 64221-8201070 | Кронштейн правый | |
| 4 | 64221-8201071 | Кронштейн | |
| 5 | 64221-8201082 | Прокладка верхняя | |
| 6 | 201420 | Болт М6-6gх20 | |
| 7 | 252154 | Шайба 6Л | |
| 8 | 210383 | Болт М8-6gх40 | |
| 9 | 250510 | Гайка М8х1-6Н | |
| 10 | 252005 | Шайба 8 | |
| 11 | 64221-8201076 | Прокладка | |
| 12 | 64221-8201095 | Колпачок | |
| 13 | 64221-8201084 | Прокладка нижняя | |
| 14 | 64221-8201091 | Втулка | |
| 15 | 64221-8201027 | Пружина | |
| 16 | 64221-8201086 | Корпус | |
| 17 | 504В-6801109 | Прокладка | |
| 18 | 64221-8201078 | Фиксатор | |
| 19 | 64221-8201087 | Корпус | |
| 20 | 69237-8201300 | Держатель | |
| 21 | 64221-8201106 | Опора | |
| 22 | 64221-8201109 | Прокладка | |
| 23 | 64221-8201102 | Кронштейн | |
| 24 | 64221-8201108 | Колпачок | |
| 25 | 250512 | Гайка М10-6Н | |
| 26 | 64221-8201104 | Держатель | |
| 27 | 64221-8201075-01 | Ось | |
| 28 | 220105 | Винт М6-6gх16 | |
| 29 | 5336-8201080 | Втулка | |
| 30 | 252156 | Шайба 10Л | |
| 31 | 252006 | Шайба 10 | |
| 32 | 201510 | Болт М10-6gх65 | |
| 33 | 742952-8201328-10 | Прокладка | |
| 34 | 64221-8202069 | Крышка | |
| 35 | 742952-8201323-10 | Кронштейн левый | |
| 36 | 742952-8201322-10 | Кронштейн правый | |
| 37 | 221674 | Винт М8-6gх45 | |
| 38 | 742952-8201332 | Втулка распорная | |
| 39 | 200330 | Болт М10-6gх105 | |
| 40 | 0000-8201039 | Зеркало бокового обзора V кл. | |
| 40 | 0000-8201046 | Зеркало наружное бокового обзора САКД 458201.040 |
Содержащиеся в справочниках-каталогах запасные части и детали не предлагаются к продаже, а носят исключительно информационный характер