Каталог запасных частей к технике: МЗКТ-69234. Подвеска задняя
1
2
2
2
2
2
3
3
3
3
3
4
5
6
6
7
7
8
8
9
9
10
10
11
11
12
12
13
13
14
14
15
15
16
16
17
20
20
20
21
21
22
22
23
23
24
25
26
27
27
27
27
28
29
29
29
29
30
31
32
33
34
35
36
37
38
39
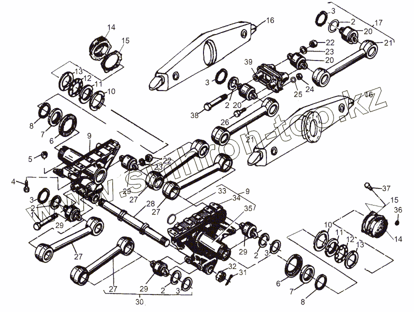
| Позиция на иллюстрации | Заводской номер детали | Название детали | |
|---|---|---|---|
| 1 | 371045 | Болт М24х2-6gх130 | |
| 2 | 69237-2919032 | Кольцо штанги | |
| 3 | 69237-2919034 | Кольцо | |
| 4 | 372876 | Болт М20х1,5-6gх75 | |
| 5 | 374904 | Гайка М20х1,5-6Н | |
| 6 | 69237-2918064 | Диск | |
| 7 | 69237-2918156 | Кольцо распорное | |
| 8 | 0000-2918807 | Кольцо 122-130-46-2-2 | |
| 9 | 6923-2918150-11 | Кронштейн с осью | |
| 10 | 69237-2918045 | Кольцо упорное | |
| 11 | 6525-2918192 | Гайка | |
| 12 | 6525-2918198 | Шайба | |
| 13 | 6525-2918202 | Гайка | |
| 14 | 69237-2918118 | Крышка | |
| 15 | 69237-2918122-01 | Прокладка | |
| 16 | 6923-2918010-01 | Балансир задней подвески | |
| 17 | 69237-2919015 | Штанга реактивная | |
| 18 | 69237-2919034 | Кольцо | |
| 19 | 69237-2919032 | Кольцо штанги | |
| 20 | 69237-2919040 | Шарнир | |
| 21 | 69237-2919016 | Штанга реактивная | |
| 22 | 374650 | Гайка М24х2-5Н | |
| 23 | 252143 | Шайба 24Т | |
| 24 | 374634 | Гайка М16х1,5-6Н | |
| 25 | 252155 | Шайба 8Л | |
| 26 | 371346 | Болт М16х1,5-6gх70 | |
| 27 | 69237-2919018 | Труба с головками | |
| 28 | 69237-2918164 | Стяжка | |
| 29 | 69237-2919040 | Шарнир | |
| 30 | 69237-2919014 | Штанга реактивная | |
| 31 | 258101 | Шплинт 8х80 | |
| 32 | 375107 | Гайка М48х2-5Н6Н | |
| 33 | 69237-2918158 | Упор | |
| 34 | 6923-2918154-10 | Кронштейн балансира | |
| 35 | 6923-2918052-20 | Ось балансира | |
| 36 | 378961 | Пробка МК24х1,5 | |
| 37 | 201456 | Болт М8-6gх20 | |
| 38 | 69237-2919026 | Стяжка М24х2х275 | |
| 39 | 69237-2919044 | Кронштейн |
Содержащиеся в справочниках-каталогах запасные части и детали не предлагаются к продаже, а носят исключительно информационный характер