Каталог запасных частей к технике: МЗКМ КО-806. Установка щетки
1
2
2
3
3
4
4
5
6
7
8
9
10
10
11
12
12
12
13
14
14
15
16
16
17
17
18
19
20
21
22
23
24
25
26
27
28
29
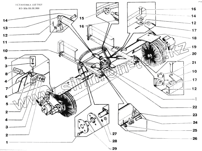
| Позиция на иллюстрации | Заводской номер детали | Название детали | |
|---|---|---|---|
| 1 | 7798.М10-6gх35.56 | Болт | |
| 2 | 5915.М8-6Н.6 | Гайка | |
| 3 | 6402.8.65Г | Шайба | |
| 4 | 11371.8.02 | Шайба | |
| 5 | КО-806.08.00.013 | Щиток левый | |
| 6 | КО-806.08.00.010 | Фартук | |
| 7 | КО-806.08.00.011 | Пластина | |
| 8 | 7798.М8-6gх25.56 | Болт | |
| 9 | 7798.М8-6gх20.56 | Болт | |
| 10 | КО-806.08.01.100 | Кронштейн рамы поворотной | |
| 11 | 9649.20.02 | Шайба | |
| 12 | 397.4х36 | Шплинт | |
| 13 | КО-806.08.01.400 | Цилиндр подъема щетки | |
| 14 | 9650.6-20h12х70.35.Ц24хр | Ось | |
| 15 | КО-806.08.00.003 | Ролик | |
| 16 | КО-806.08.01.200 | Рама поворотная | |
| 17 | КО-806.08.01.300 | Цилиндр поворота щетки | |
| 18 | КО-806.08.00.014 | Щиток правый | |
| 19 | КО-806.08.03.000 | Щетка в сборе с гидромотором | |
| 20 | 9650.6-20h12х100.35.Ц24хр | Ось | |
| 21 | КО-806.08.00.016 | Втулка | |
| 22 | КО-806.08.00.015 | Щиток | |
| 23 | КО-806.08.00.021 | Цепь | |
| 24 | 9650.6-14h12х45.35.Ц24хр | Ось | |
| 25 | 11371.14.02 | Шайба | |
| 26 | 397.4х25 | Шплинт | |
| 27 | 5915.М10-6Н.6 | Гайка | |
| 28 | 6402.10.65Г | Шайба | |
| 29 | КО-806.08.00.006 | Втулка |
Содержащиеся в справочниках-каталогах запасные части и детали не предлагаются к продаже, а носят исключительно информационный характер