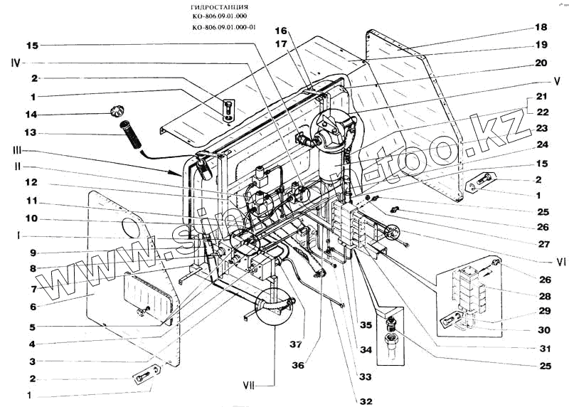
Каталог запасных частей к технике: МЗКМ КО-806. Гидростанция
1
1
1
2
2
2
3
4
5
6
7
8
9
10
11
12
13
14
15
15
16
17
18
19
20
21
22
23
24
25
25
26
26
27
28
29
30
31
32
33
34
35
36
37
| Позиция на иллюстрации | Заводской номер детали | Название детали | |
|---|---|---|---|
| 1 | 6402.6.65Г | Шайба | |
| 2 | 7798.М6-6gх16.56 | Болт | |
| 3 | КО-806.09.01.680 | Трубопровод | |
| 4 | КО-806.09.01.011 | Плита | |
| 5 | КО-806.09.01.010 | Плита | |
| 6 | КО-806.09.01.300 | Боковина левая | |
| 7 | КО-806.09.01.100 | Рама | |
| 8 | МБПГ-55-14 | Регулятор расхода с предохранительным клапаном | |
| 9 | 10362.40х51,5-16 | Рукав L=(150+-)мм | |
| 10 | КО-806.09.01.630 | Трубопровод | |
| 11 | КО-806.09.01.570 | Трубопровод | |
| 12 | КО-806.09.01.550 | Трубопровод | |
| 13 | ПМ130-901500А | Фильтр | |
| 14 | КО-105.05.04.005 | Крышка | |
| 15 | 10362.40х51,5-16 | Рукав L=(150+-)мм | |
| 16 | КО-806.09.01.018-01 | Прокладка | |
| 17 | КО-806.09.01.500 | Стяжка | |
| 18 | КО-806.09.01.400 | Боковина правая | |
| 19 | КО-806.09.01.020 | Панель верхняя | |
| 20 | КО-806.09.01.200 | Маслобак | |
| 21 | 10362.40х51,5-16 | Рукав L=(150+-)мм | |
| 22 | КО-806.09.01.015 | Пружина | |
| 23 | 1.1.32-25 | Фильтр | |
| 24 | КО-806.09.01.700 | Трубопровод | |
| 25 | КО-806.09.01.004 | Штуцер | |
| 26 | КО-806.09.01.016 | Штуцер | |
| 27 | КО-806.09.01.005 | Пробка | |
| 28 | У7510.20-4х401 | Гидрораспределитель | |
| 29 | 6402.10.65Г | Шайба | |
| 30 | 7798.М10-6gх20.56 | Болт | |
| 31 | У7510.20-5х401 | Гидрораспределитель | |
| 32 | КО-806.09.01.650 | Трубопровод | |
| 33 | КО-806.09.01.510 | Тройник | |
| 34 | КО-806.09.01.610 | Трубопровод | |
| 35 | КО-806.09.01.600 | Трубопровод | |
| 36 | КО-806.09.01.620 | Трубопровод | |
| 37 | КО-713.45.18.000 | Хомут |
Содержащиеся в справочниках-каталогах запасные части и детали не предлагаются к продаже, а носят исключительно информационный характер