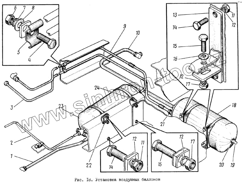
Каталог запасных частей к технике: МЗКМ КО-713. Установка воздушных баллонов
1
2
3
4
5
6
7
8
9
10
11
11
12
12
12
12
13
14
14
15
15
16
17
17
18
19
20
21
22
23
24
| Позиция на иллюстрации | Заводской номер детали | Название детали | |
|---|---|---|---|
| 1 | КО-002.16.07.200 | Трубопровод | |
| 2 | КО-002.16.07.500 | Трубопровод | |
| 3 | КО-002.16.07.300 | Трубопровод | |
| 4 | М8х25-7798 | Болт | |
| 5 | КО-002.16.07.008 | Скоба | |
| 6 | М8-5915 | Гайка | |
| 7 | 8.65Г-6402 | Шайба | |
| 8 | 8-11371 | Шайба | |
| 9 | КО-002.16.07.400 | Трубопровод | |
| 10 | КО-002.16.07.100 | Трубопровод | |
| 11 | М10-5915 | Гайка | |
| 12 | 10.65Г-6402 | Шайба | |
| 13 | КО-002.16.07.600 | Кронштейн | |
| 14 | М10х25-7798 | Болт | |
| 15 | 201499-П29 | Болт | |
| 16 | 252136-П29 | Шайба | |
| 17 | 250512-П29 | Гайка | |
| 18 | 127-3513015 | Воздушный баллон стояночной тормозной системы | |
| 19 | 133ВЯ-3830300 | Датчик | |
| 20 | 305913-П | Шайба | |
| 21 | 300331-П8 | Штуцер | |
| 22 | КО-002.16.07.005 | Кронштейн | |
| 23 | 127-3513015 | Воздушный баллон стояночной тормозной системы | |
| 24 | КО-002.16.07.006 | Кронштейн |
Содержащиеся в справочниках-каталогах запасные части и детали не предлагаются к продаже, а носят исключительно информационный характер