Каталог запасных частей к технике: МЗКМ КО-713. Цистерна поливомоечная
1
1
1
1
2
2
2
2
3
4
4
4
4
5
5
5
5
6
7
8
9
9
10
11
12
13
14
15
16
17
18
19
20
21
22
22
22
23
24
25
26
27
28
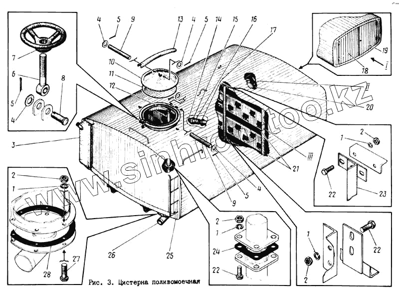
| Позиция на иллюстрации | Заводской номер детали | Название детали | |
|---|---|---|---|
| 1 | 12.65Г.6402 | Шайба | |
| 2 | М12-5915 | Гайка | |
| 3 | КО-713.10.05.000 | Установка маслобака | |
| 4 | 14-11371 | Шайба | |
| 5 | 4х25-397 | Шплинт | |
| 6 | 16х100-3033 | Болт | |
| 7 | ПМ130-110.003 | Маховичок | |
| 8 | 6-14d11х40-9650 | Ось | |
| 9 | 2-14d11х100-9650 | Ось | |
| 10 | ПМ130Б-110.300 | Крышка | |
| 11 | ПМ130-110.005Б | Прокладка | |
| 12 | КО-713.10.03.000 | Труба контрольная | |
| 13 | ПМ20-110.004 | Профиль | |
| 14 | ГЗ-70-2217 | Головка | |
| 15 | ГЦ-70-2217 | Головка | |
| 16 | 11ч38п0965 | Кран шаровой | |
| 17 | ПМ130-200.010А | Контргайка | |
| 18 | КО-002.11.04.000 | Дверь левая | |
| 19 | КО-002.11.02.000 | Дверь правая | |
| 20 | КО-713.10.06.000 | Дополнительное оборудование | |
| 21 | КО-713.10.00.001 | Волнорез | |
| 22 | М12х30-7798 | Болт | |
| 23 | КО-713.10.04.000 | Стойка | |
| 24 | ПМ20-200.012 | Прокладка | |
| 25 | КО-713.10.01.000 | Цистерна | |
| 26 | КО-713.10.02.000 | Клапан | |
| 27 | М12х40-7798 | Болт | |
| 28 | ПМ130Б-100.010 | Прокладка | |
| 29 | КО-002.11.02.002 | Штырь | |
| 30 | АС-157.016.720 | Поводок | |
| 31 | 6х36-3128 | Штифт | |
| 32 | 2х16-397 | Шплинт | |
| 33 | 8-11371 | Шайба | |
| 34 | М6-5915 | Гайка | |
| 35 | 6.65Г-6402 | Шайба | |
| 36 | М6х16-17473 | Винт | |
| 37 | КО-002.11.02.100 | Защелка | |
| 38 | 8х16-10299 | Заклепка | |
| 39 | КПМ2-15-48 | Планка | |
| 40 | КО-002.11.02.005 | Втулка | |
| 41 | 3,2х20-397 | Шплинт | |
| 42 | 10-11371 | Шайба | |
| 43 | КО-002.11.09.000 | Прижим | |
| 44 | 6-10d11х30-9650 | Ось | |
| 45 | АКПМЗ-041.100 | Замок | |
| 46 | М10х20-7798 | Болт | |
| 47 | М10-5915 | Гайка |
Содержащиеся в справочниках-каталогах запасные части и детали не предлагаются к продаже, а носят исключительно информационный характер