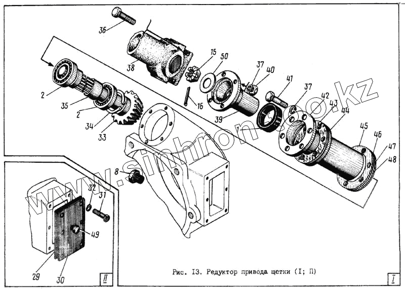
Каталог запасных частей к технике: МЗКМ КО-713. Редуктор привода щетки
1
2
2
8
15
16
29
30
31
32
33
34
35
36
37
37
38
39
40
41
42
43
44
45
46
47
48
49
50
| Позиция на иллюстрации | Заводской номер детали | Название детали | |
|---|---|---|---|
| 1 | 20-1701210 | Сальник | |
| 2 | 7307-333 | Подшипник | |
| 3 | ПМ20-821.016А | Шестерня | |
| 4 | ПМ130Б-870.004 | Прокладка | |
| 5 | ПМ130Б-870.004-01 | Прокладка | |
| 6 | ПМ130Б-870.004-02 | Прокладка | |
| 7 | ПМ130Б-870.004-03 | Прокладка | |
| 8 | ПМ130Б-900.013 | Пробка | |
| 9 | ПМ20-821.015 | Картер редуктора | |
| 10 | ПМ20-821.014 | Прокладка | |
| 11 | ПМ20-821.100А | Труба | |
| 12 | 12.65Г-6402 | Шайба | |
| 13 | М12х30-7798 | Болт | |
| 14 | ПМ20-800.003 | Шайба | |
| 15 | М16х1,5-5919 | Гайка | |
| 16 | 4х36-397 | Шплинт | |
| 17 | ПМ130Б-870.200 | Звездочка | |
| 18 | ПМ130Б-800.031 | Втулка | |
| 19 | СП-71-54-6-6308 | Кольцо | |
| 20 | ПМ130Б-800.011 | Крышка | |
| 21 | ПМ130Б-870.001 | Вал | |
| 22 | 10х8х28-23360 | Шпонка | |
| 23 | ПМ130Б-870.007 | Кронштейн ворсоотражателя | |
| 24 | М12х35-7798 | Болт | |
| 25 | ПМ130Б-870.100 | Труба | |
| 26 | ПМ130Б-800.033 | Прокладка | |
| 27 | 8.65Г-6402 | Шайба | |
| 28 | М8х25-7798 | Болт | |
| 29 | ПМ20-821.013 | Прокладка | |
| 30 | ПМ20-821.301 | Крышка | |
| 31 | М6х16-7798 | Болт | |
| 32 | 6.65Г-6402 | Шайба | |
| 33 | ПМ20-821.010 | Вал-шестерня | |
| 34 | А80-13943 | Кольцо | |
| 35 | ПМ20-821.020А | Втулка распорная | |
| 36 | АКПМЗ-020.201 | Болт | |
| 37 | 10.65Г-6402 | Шайба | |
| 38 | 69-2203010-А4 | Вал карданный | |
| 39 | ПМ20-821.018 | Фланец | |
| 40 | РК12-000003 | Гайка специальная | |
| 41 | М10х40-7796 | Болт | |
| 42 | ПМ20-821.008 | Крышка | |
| 43 | ПМ20-821.007 | Прокладка | |
| 44 | ПМ20-821.005В | Стакан | |
| 45 | ПМ20-821.006 | Прокладка | |
| 46 | ПМ20-821.006-01 | Прокладка | |
| 47 | ПМ20-821.006-02 | Прокладка | |
| 48 | ПМ20-821.006-03 | Прокладка | |
| 49 | 307900-113ПЛ-164 | Сапун | |
| 50 | РК12-000027 | Шайба |
Содержащиеся в справочниках-каталогах запасные части и детали не предлагаются к продаже, а носят исключительно информационный характер