Каталог запасных частей к технике: МЗКМ КО-713. Оборудование щеточное
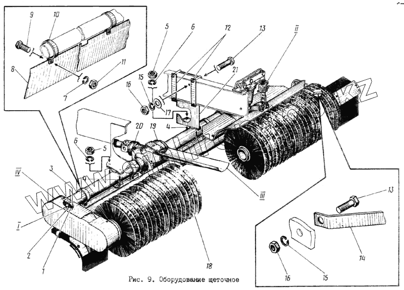
1
2
3
4
4
5
5
6
6
7
8
9
10
11
12
13
13
14
15
15
16
16
17
18
19
20
21
| Позиция на иллюстрации | Заводской номер детали | Название детали | |
|---|---|---|---|
| 1 | Пр-38,1-12700-13568 | Цепь | |
| 2 | ПМ130Б-050.000 | Звено переходное | |
| 3 | С-Пр-38,1-12700-13568 | Звено | |
| 4 | ПМ20-820300 | Стремянка | |
| 5 | М16-5915 | Гайка | |
| 6 | 16.65Г-6402 | Шайба | |
| 7 | 8.65Г-6402 | Шайба | |
| 8 | АКПМЗ-800.101 | Щиток | |
| 9 | М8х20-7798 | Болт | |
| 10 | ПМ20-801.002 | Хомут | |
| 11 | М8-5915 | Гайка | |
| 12 | КО-713.20.00.004 | Пластина | |
| 13 | М12х40-7798 | Болт | |
| 14 | КО-713.20.00.003 | Кронштейн | |
| 15 | 12.65Г-6402 | Шайба | |
| 16 | М12-5915 | Гайка | |
| 17 | 12-11371 | Шайба | |
| 18 | АКПМЗ-231.000 | Щетка | |
| 19 | ПМ130Б-870.000 | Редуктор привода щетки | |
| 20 | ПМ130-810.000 | Установка карданного вала | |
| 21 | ПМ130Б-820.200 | Кронштейн правый | |
| 22 | КО-713.28.01.000 | Ворсоотражатель | |
| 23 | М12х30-7798 | Болт | |
| 24 | ПМ130Б-050.002 | Валик | |
| 25 | ПМ130Б-050.001 | Щека | |
| 26 | Втулка | Втулка | |
| 27 | Ролик | Ролик | |
| 28 | ПМ130Б-050.003 | Кольцо | |
| 29 | 3,2х20-397 | Шплинт | |
| 30 | 4х36-397 | Шплинт | |
| 31 | 20-11371 | Шайба | |
| 32 | ПМ130-800.600А | Кронштейн | |
| 33 | КПМ64-120.200.00 | Коромысло | |
| 34 | 6-20d11х70-9650 | Ось | |
| 35 | 6-20d11х95-9650 | Ось | |
| 36 | АКПМЗ-092.600А | Гидроцилиндр подъема щетки | |
| 37 | ПМ130-800.006 | Крюк | |
| 38 | ПМ130-800.009А | Планка | |
| 39 | ПМ130Б-800.037 | Пружина | |
| 40 | ПМ130-800.008 | Крюк подвески | |
| 41 | М10х25-7798 | Болт | |
| 42 | М8х16-7798 | Болт | |
| 43 | 8-11371 | Шайба | |
| 44 | АКПМЗ-060.001А | Щиток | |
| 45 | АКПМЗ-060.100А | Рама щетки | |
| 46 | ПМ20-830.001 | Хомут | |
| 47 | ПМ20-830.002 | Прокладка | |
| 48 | М10-5915 | Гайка | |
| 49 | 10.65Г-6402 | Шайба | |
| 50 | КО-713.20.06.000 | Крышка | |
| 51 | КО-713.20.01.100 | Корпус плужка зачистного | |
| 52 | КО-713.20.01.001 | Лемех | |
| 53 | ПМ130Б-800.042 | Палец | |
| 54 | ПМ20-800.015А | Пружина | |
| 55 | КО-713.20.07.000 | Рычаг | |
| 56 | ПМ20-8000141 | Винт | |
| 57 | ПМ20-800.013 | Гайка | |
| 58 | М12-5919 | Гайка | |
| 59 | 3,2х32-397 | Шплинт | |
| 60 | ПМ130Б-800.041 | Шайба | |
| 61 | ПМ130Б-800.002 | Ролик | |
| 62 | ПМ130Б-800.004 | Втулка | |
| 63 | КО-713.20.02.000 | Щека левая | |
| 64 | М16х50-7798 | Болт | |
| 65 | КО-713.20.05.000 | Щека правая | |
| 66 | 1310-5720 | Подшипник | |
| 67 | ПМ20-800.022 | Шайба | |
| 68 | М16х1,5-5919 | Гайка | |
| 69 | ПМ20-800.021 | Крышка | |
| 70 | ПМ20-800.019 | Прокладка | |
| 71 | М6х16-7798 | Болт | |
| 72 | 1.3-19853 | Масленка | |
| 73 | КО-713.20.00.002 | Прокладка | |
| 74 | М16х80-7798 | Болт | |
| 75 | КО-713.20.00.001 | Прижим | |
| 76 | 1,2-55х80-1-8752 | Манжета | |
| 77 | ПМ130Б-800.030 | Кольцо | |
| 78 | ПМ130Б-801.300 | Наконечник | |
| 79 | М16х40-7798 | Болт | |
| 80 | ПМ130Б-841.000 | Наконечник | |
| 81 | 14х9х50-23360 | Шпонка | |
| 82 | ПМ20-800.040 | Шайба | |
| 83 | ПМ130Б-800.039 | Втулка | |
| 84 | ПМ130Б-600.003 | Звездочка | |
| 85 | ПМ130Б-800.001 | Штифт | |
| 86 | ПМ130Б-800.007 | Полумуфта | |
| 87 | ПМ130Б-800.029 | Крышка | |
| 88 | СП-81-64-6-6308 | Кольцо | |
| 89 | ПМ130Б-800.034 | Втулка | |
| 90 | ПМ130Б-800.038 | Шайба | |
| 91 | 6.65Г-6402 | Шайба | |
| 92 | КО-713.20.05.001 | Корпус плужка | |
| 93 | М16х60-7798 | Болт |
Содержащиеся в справочниках-каталогах запасные части и детали не предлагаются к продаже, а носят исключительно информационный характер