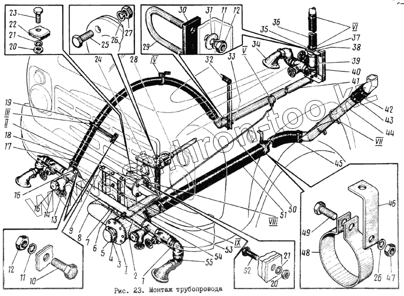
Каталог запасных частей к технике: МЗКМ КО-713. Монтаж трубопровода
1
2
3
4
5
6
7
8
9
10
11
11
12
12
13
14
15
16
17
18
19
20
20
21
21
22
23
24
25
26
26
27
28
29
30
31
32
33
34
35
36
37
38
39
40
41
42
43
44
45
46
47
48
49
50
51
52
53
54
55
| Позиция на иллюстрации | Заводской номер детали | Название детали | |
|---|---|---|---|
| 1 | ПМ130Б-200.019 | Контргайка | |
| 2 | КО-713.32.03.000 | Труба передняя | |
| 3 | ПМ130Б-110.001 | Прокладка | |
| 4 | ГМВ-100-12964 | Головка всасывающая | |
| 5 | ГЗВ-100.12964 | Головка-заглушка | |
| 6 | ПМ130Б-200.009 | Прокладка | |
| 7 | М16х55-7798 | Болт | |
| 8 | КО-713.32.05.000 | Трубопровод | |
| 9 | КО-713.32.01.000 | Кронштейн насоса | |
| 10 | М12х35-7798 | Болт | |
| 11 | 12.65Г-6402 | Шайба | |
| 12 | М12-5915 | Гайка | |
| 13 | 1-50-13722 | Вентиль | |
| 14 | ГЗ-50-2217 | Головка-заглушка | |
| 15 | ГЦ-50-2217 | Головка цапковая | |
| 16 | КО-713.32.00.001 | Уголок | |
| 17 | КО-002.12.08.000-01 | Хомут | |
| 18 | В-2-65-10-5398 | Рукав L=2000мм | |
| 19 | КО-713.32.11.000 | Кронштейн | |
| 20 | М16-5915 | Гайка | |
| 21 | 16.65Г-6402 | Шайба | |
| 22 | КО-713.32.02.000 | Кронштейн насоса | |
| 23 | М16х40-7798 | Болт | |
| 24 | КО-713.32.16.000 | Насос с редуктором | |
| 25 | АКПМЗ-020.201 | Болт | |
| 26 | 10.65Г-6402 | Шайба | |
| 27 | РК12-000003 | Гайка специальная | |
| 28 | ПМ130-810.000-02 | Установка карданного вала | |
| 29 | ПМ130Б-200.015 | Стремянка | |
| 30 | ПМ130В-200.004 | Прокладка | |
| 31 | 12-11371 | Шайба | |
| 32 | КО-713.32.10.000 | Кронштейн | |
| 33 | ПМ130Б-900.013 | Пробка | |
| 34 | КО-713.32.14.000 | Сопло боковое | |
| 35 | КО-713.32.00.013 | Кронштейн | |
| 36 | В(II)-10-75-94-18698 | Рукав L=250мм | |
| 37 | КО-713.32.00.006 | Патрубок | |
| 38 | ПМ130-200.010А | Контргайка | |
| 39 | 1-65-18722 | Вентиль | |
| 40 | КО-713.32.09.000 | Кронштейн | |
| 41 | КО-713.32.07.000 | Труба боковая | |
| 42 | ПМ20-200.008А | Патрубок | |
| 43 | КО-002.12.08.000-04 | Хомут | |
| 44 | КО-713.32.13.000 | Труба заборная | |
| 45 | КО-002.12.08.000-03 | Хомут | |
| 46 | КО-713.32.00.008 | Кронштейн | |
| 47 | М10-5915 | Гайка | |
| 48 | КО-705Б.ПМ15.11.001 | Хомут | |
| 49 | М10х40-7798 | Болт | |
| 50 | КО-713.32.08.000 | Трубопровод | |
| 51 | В-2-100-5-5398 | Рукав L=2000мм | |
| 52 | М16х60-7798 | Болт | |
| 53 | КО-002.12.00.002 | Прокладка | |
| 54 | КО-713.32.00.002 | Уголок | |
| 55 | КО-713.32.04.000 | Сопло | |
| 56 | КО-713.32.12.100 | Каркас фильтра | |
| 57 | КО-002.12.00.003 | Прокладка | |
| 58 | КО-002.12.04.001 | Сетка | |
| 59 | 1,6-0-1Ц-3282 | Проволока L=4000мм | |
| 60 | М10х30-7798 | Болт | |
| 61 | КО-713.32.00.003 | Хомут | |
| 62 | КО-713.32.00.004 | Хомут | |
| 63 | КО-713.32.00.005 | Кронштейн | |
| 64 | МТ-1-60-16х4-8625 | Манометр | |
| 65 | М18х1,5-5916 | Гайка | |
| 66 | ПМ20-200.032 | Прокладка | |
| 67 | КО-002.12.08.000-02 | Хомут | |
| 68 | 10-11371 | Шайба | |
| 69 | КО-713.32.00.009 | Прокладка | |
| 70 | КО-713.32.00.007 | Стремянка | |
| 71 | ПМ20-200.011 | Прокладка | |
| 72 | М16х45-22034 | Шпилька |
Содержащиеся в справочниках-каталогах запасные части и детали не предлагаются к продаже, а носят исключительно информационный характер