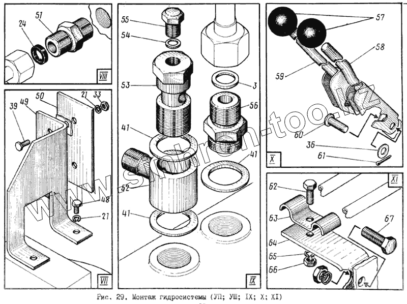
Каталог запасных частей к технике: МЗКМ КО-713. Монтаж гидросистемы
3
21
21
24
33
36
39
41
41
41
48
49
50
51
52
53
54
55
56
57
58
59
60
61
62
63
64
65
66
67
| Позиция на иллюстрации | Заводской номер детали | Название детали | |
|---|---|---|---|
| 1 | РВД12х850-М22х1,5 | Рукав | |
| 2 | КО-713.34.19.000-01 | Трубопровод | |
| 3 | КО-713.34.00.003 | Прокладка | |
| 4 | ПМ20-900.036А | Штуцер | |
| 5 | 018-022-25-2-2-9833 | Кольцо | |
| 6 | КО-713.34.00.008 | Пружина | |
| 7 | 25х35-16-10362 | Рукав L=600мм | |
| 8 | КО-713.34.07.000 | Трубопровод | |
| 9 | КО-713.34.16.000 | Трубопровод | |
| 10 | КО-713.34.23.000 | Трубопровод | |
| 11 | 12-25-КВ.УХЛ4.1-16028 | Фильтр | |
| 12 | КО-713.34.00.007 | Штуцер | |
| 13 | КО-713.34.24.000 | Трубопровод | |
| 14 | КО-713.34.13.000 | Трубопровод | |
| 15 | КО-713.34.15.000 | Трубопровод | |
| 16 | КО-713.34.14.000 | Трубопровод | |
| 17 | 346-ЗКК3 | Распределитель | |
| 18 | КО-713.34.12.000 | Трубопровод | |
| 19 | КО-713.34.11.000 | Трубопровод | |
| 20 | КО-713.34.10.000 | Трубопровод | |
| 21 | 8.65Г-6402 | Шайба | |
| 22 | 8х40-7798 | Болт | |
| 23 | ПМ20-900.010А | Штуцер | |
| 24 | ПМ130Б-900.014 | Прокладка | |
| 25 | НШ-10-3 | Насос | |
| 26 | КО-713.34.18.000 | Трубопровод | |
| 27 | КО-002.19.06.000 | Трубопровод | |
| 28 | ПМ130-900.006Б | Штуцер | |
| 29 | ПМ130Б-900.015 | Прокладка | |
| 30 | КО-105.12.00.002 | Гайка | |
| 31 | КПМ1-37-03 | Шайба | |
| 32 | КО-713.34.02.000 | Угольник | |
| 33 | М8-5915 | Гайка | |
| 34 | КО-705Б.ПМ.15.05.000 | Хомут | |
| 35 | М8х16-7798 | Болт | |
| 36 | 8-11371 | Шайба | |
| 37 | 1-6х8-АД1М-18677 | Пломба | |
| 38 | 1-0-1Ц-3282 | Проволока L=150мм | |
| 39 | М8х20-7798 | Болт | |
| 40 | КО-713.34.22.000 | Кронштейн | |
| 41 | КО-002.19.03.001 | Прокладка | |
| 42 | КО-002.19.03.008 | Пробка | |
| 43 | КО-002.19.03.007 | Штуцер | |
| 44 | КО-002.19.03.002 | Прокладка | |
| 45 | КО-002.19.00.003 | Гайка | |
| 46 | 18-11371 | Шайба | |
| 47 | КО-002.19.00.006 | Штуцер | |
| 48 | М8х12-7798 | Болт | |
| 49 | КО-713.34.00.006 | Кронштейн | |
| 50 | КО-713.34.00.009 | Прокладка | |
| 51 | ПМ20-900.004Б | Штуцер | |
| 52 | КО-713.34.06.000 | Угольник | |
| 53 | КО-713.34.00.010 | Штуцер | |
| 54 | ПМ20-200.032 | Прокладка | |
| 55 | КО-713.45.02.001 | Пробка | |
| 56 | КО-002.19.03.005 | Штуцер | |
| 57 | П30МН6-64 | Ручка | |
| 58 | КО-713.34.04.000 | Рычаг | |
| 59 | КО-713.34.04.000-01 | Рычаг | |
| 60 | КО-002.19.03.010 | Палец | |
| 61 | 2х16-397 | Шплинт | |
| 62 | М6х16-7798 | Болт | |
| 63 | КО-002.29.00.002 | Скоба | |
| 64 | КО-002.29.00.001 | Кронштейн | |
| 65 | 6.65Г-6402 | Шайба | |
| 66 | М6-5915 | Гайка | |
| 67 | М8х25-7798 | Болт | |
| 68 | КО-713.34.03.001 | Пробка | |
| 69 | КО-002.19.25.002 | Плунжер | |
| 70 | КО-713.34.03.100 | Корпус гидрозамка | |
| 71 | КО-002.19.25.001 | Пружина | |
| 72 | 11,112-200-3722 | Шарик |
Содержащиеся в справочниках-каталогах запасные части и детали не предлагаются к продаже, а носят исключительно информационный характер