Каталог запасных частей к технике: МЗКМ КО-713. Коробка раздаточная
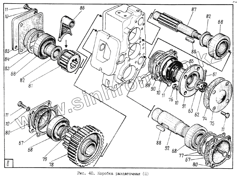
10
10
10
10
11
11
11
11
61
62
63
65
67
67
68
68
68
68
74
75
76
77
77
78
79
80
80
81
82
82
83
84
85
86
87
88
88
89
90
91
92
| Позиция на иллюстрации | Заводской номер детали | Название детали | |
|---|---|---|---|
| 1 | РК12-000048 | Болт откидной | |
| 2 | РК12-000800 | Кронштейн | |
| 3 | 10.65Г-6402 | Шайба | |
| 4 | М10х20-7798 | Болт | |
| 5 | 7305-333 | Подшипник | |
| 6 | Б62-13943 | Кольцо | |
| 7 | РК12-000008 | Шестерня | |
| 8 | РК12-000006 | Прокладка | |
| 9 | РК12-000005 | Крышка | |
| 10 | 8.65Г-6402 | Шайба | |
| 11 | М8х20-7798 | Болт | |
| 12 | РК12-000057 | Шайба | |
| 13 | РК12-000076 | Болт | |
| 14 | РК12-000400 | Кронштейн | |
| 15 | 3,2х20-397 | Шплинт | |
| 16 | 2-14b12х50-9650 | Ось | |
| 17 | РК12-000002 | Шпилька | |
| 18 | 10-11371 | Шайба | |
| 19 | РК12-000003 | Гайка специальная | |
| 20 | 12.65Г-6402 | Шайба | |
| 21 | М12х25-7798 | Болт | |
| 22 | РК12-000048-01 | Болт откидной | |
| 23 | РК12-000200 | Кронштейн | |
| 24 | РК12-000051 | Шайба | |
| 25 | М16-5915 | Гайка | |
| 26 | 11,112-200-3722 | Шарик | |
| 27 | РК12-000030-01 | Пружина | |
| 28 | РК12-000044 | Прокладка | |
| 29 | РК12-000040 | Пробка | |
| 30 | П40МН6 | Ручка | |
| 31 | РК12-000100 | Рычаг | |
| 32 | РК12-000300 | Рычаг нижний | |
| 33 | РК12-000026 | Палец | |
| 34 | РК12-000039 | Палец | |
| 35 | РК12-000047 | Втулка | |
| 36 | 020-025-30-2-2-9833 | Кольцо | |
| 37 | РК12-000037 | Фланец | |
| 38 | РК12-000029 | Прокладка | |
| 39 | РК12-000025 | Шток | |
| 40 | РК12-000004Б | Корпус | |
| 41 | РК12-000700 | Кронштейн | |
| 42 | М8х25-7798 | Болт | |
| 43 | 2х25-397 | Шплинт | |
| 44 | М8-5919 | Гайка | |
| 45 | 8-11371 | Шайба | |
| 46 | РК12-000036 | Палец | |
| 47 | РК12-000037-01 | Фланец | |
| 48 | РК12-000030 | Пружина | |
| 49 | РК12-000043 | Крышка | |
| 50 | РК12-000046 | Прокладка | |
| 51 | РК12-000038 | Ось | |
| 52 | 2-14b12х75-9650 | Ось | |
| 53 | ПМ130Б-900.013 | Пробка | |
| 54 | РК12-000048-02 | Болт откидной | |
| 55 | РК12-000049 | Стяжка | |
| 56 | РК12-000080 | Крышка | |
| 57 | РК12-000001 | Прокладка | |
| 58 | РК12-000001-01 | Прокладка | |
| 59 | РК12-000033 | Шестерня | |
| 60 | РК12Д-000096 | Вал шлицевой | |
| 61 | 4х36-397 | Шплинт | |
| 62 | М16х1,5-5919 | Гайка | |
| 63 | РК12-000027 | Шайба | |
| 64 | ПМ20-821.018 | Фланец | |
| 65 | 20-1701210 | Сальник | |
| 66 | РК12-000031 | Крышка | |
| 67 | РК12-000015 | Прокладка | |
| 68 | 7507-333 | Подшипник | |
| 69 | РК12-000034 | Вилка нижняя | |
| 70 | 6.65Г-6402 | Шайба | |
| 71 | М6х16-7798 | Болт | |
| 72 | РК12-000011 | Крышка люка | |
| 73 | РК12-000012 | Прокладка | |
| 74 | РК12Д-000098 | Прокладка | |
| 75 | РК12Д-000097 | Крышка | |
| 76 | М8-5915 | Гайка | |
| 77 | РК12-000074 | Прокладка регулировочная | |
| 78 | РК12-000014 | Блок шестерня | |
| 79 | РК12-000032 | Кольцо | |
| 80 | РК12-000016 | Крышка | |
| 81 | РК12-000022 | Шестерня | |
| 82 | РК12-000024 | Втулка | |
| 83 | РК12-000020 | Кольцо | |
| 84 | РК12-000073 | Прокладка | |
| 85 | РК12-000064 | Крышка | |
| 86 | РК12-000023 | Вилка верхняя | |
| 87 | РК12-000021 | Вал шлицевой | |
| 88 | 8х7х32-23360 | Шпонка | |
| 89 | РК12-000019 | Прокладка | |
| 90 | РК12-000018 | Крышка сквозная | |
| 91 | РК12-000017 | Фланец верхний | |
| 92 | РК12-000013 | Вал |
Содержащиеся в справочниках-каталогах запасные части и детали не предлагаются к продаже, а носят исключительно информационный характер