Каталог запасных частей к технике: МЗКМ КО-713. Коробка раздаточная
1
2
3
3
4
4
5
5
6
7
8
9
10
10
10
11
11
12
13
14
15
15
15
16
16
17
18
19
20
21
22
23
24
25
25
26
27
28
29
30
31
32
33
34
35
36
36
37
38
38
39
39
40
41
42
43
44
45
46
47
48
49
50
51
52
53
54
55
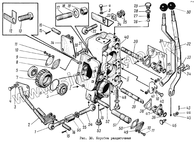
| Позиция на иллюстрации | Заводской номер детали | Название детали | |
|---|---|---|---|
| 1 | РК12-000048 | Болт откидной | |
| 2 | РК12-000800 | Кронштейн | |
| 3 | 10.65Г-6402 | Шайба | |
| 4 | М10х20-7798 | Болт | |
| 5 | 7305-333 | Подшипник | |
| 6 | Б62-13943 | Кольцо | |
| 7 | РК12-000008 | Шестерня | |
| 8 | РК12-000006 | Прокладка | |
| 9 | РК12-000005 | Крышка | |
| 10 | 8.65Г-6402 | Шайба | |
| 11 | М8х20-7798 | Болт | |
| 12 | РК12-000057 | Шайба | |
| 13 | РК12-000076 | Болт | |
| 14 | РК12-000400 | Кронштейн | |
| 15 | 3,2х20-397 | Шплинт | |
| 16 | 2-14b12х50-9650 | Ось | |
| 17 | РК12-000002 | Шпилька | |
| 18 | 10-11371 | Шайба | |
| 19 | РК12-000003 | Гайка специальная | |
| 20 | 12.65Г-6402 | Шайба | |
| 21 | М12х25-7798 | Болт | |
| 22 | РК12-000048-01 | Болт откидной | |
| 23 | РК12-000200 | Кронштейн | |
| 24 | РК12-000051 | Шайба | |
| 25 | М16-5915 | Гайка | |
| 26 | 11,112-200-3722 | Шарик | |
| 27 | РК12-000030-01 | Пружина | |
| 28 | РК12-000044 | Прокладка | |
| 29 | РК12-000040 | Пробка | |
| 30 | П40МН6 | Ручка | |
| 31 | РК12-000100 | Рычаг | |
| 32 | РК12-000300 | Рычаг нижний | |
| 33 | РК12-000026 | Палец | |
| 34 | РК12-000039 | Палец | |
| 35 | РК12-000047 | Втулка | |
| 36 | 020-025-30-2-2-9833 | Кольцо | |
| 37 | РК12-000037 | Фланец | |
| 38 | РК12-000029 | Прокладка | |
| 39 | РК12-000025 | Шток | |
| 40 | РК12-000004Б | Корпус | |
| 41 | РК12-000700 | Кронштейн | |
| 42 | М8х25-7798 | Болт | |
| 43 | 2х25-397 | Шплинт | |
| 44 | М8-5919 | Гайка | |
| 45 | 8-11371 | Шайба | |
| 46 | РК12-000036 | Палец | |
| 47 | РК12-000037-01 | Фланец | |
| 48 | РК12-000030 | Пружина | |
| 49 | РК12-000043 | Крышка | |
| 50 | РК12-000046 | Прокладка | |
| 51 | РК12-000038 | Ось | |
| 52 | 2-14b12х75-9650 | Ось | |
| 53 | ПМ130Б-900.013 | Пробка | |
| 54 | РК12-000048-02 | Болт откидной | |
| 55 | РК12-000049 | Стяжка | |
| 56 | РК12-000080 | Крышка | |
| 57 | РК12-000001 | Прокладка | |
| 58 | РК12-000001-01 | Прокладка | |
| 59 | РК12-000033 | Шестерня | |
| 60 | РК12Д-000096 | Вал шлицевой | |
| 61 | 4х36-397 | Шплинт | |
| 62 | М16х1,5-5919 | Гайка | |
| 63 | РК12-000027 | Шайба | |
| 64 | ПМ20-821.018 | Фланец | |
| 65 | 20-1701210 | Сальник | |
| 66 | РК12-000031 | Крышка | |
| 67 | РК12-000015 | Прокладка | |
| 68 | 7507-333 | Подшипник | |
| 69 | РК12-000034 | Вилка нижняя | |
| 70 | 6.65Г-6402 | Шайба | |
| 71 | М6х16-7798 | Болт | |
| 72 | РК12-000011 | Крышка люка | |
| 73 | РК12-000012 | Прокладка | |
| 74 | РК12Д-000098 | Прокладка | |
| 75 | РК12Д-000097 | Крышка | |
| 76 | М8-5915 | Гайка | |
| 77 | РК12-000074 | Прокладка регулировочная | |
| 78 | РК12-000014 | Блок шестерня | |
| 79 | РК12-000032 | Кольцо | |
| 80 | РК12-000016 | Крышка | |
| 81 | РК12-000022 | Шестерня | |
| 82 | РК12-000024 | Втулка | |
| 83 | РК12-000020 | Кольцо | |
| 84 | РК12-000073 | Прокладка | |
| 85 | РК12-000064 | Крышка | |
| 86 | РК12-000023 | Вилка верхняя | |
| 87 | РК12-000021 | Вал шлицевой | |
| 88 | 8х7х32-23360 | Шпонка | |
| 89 | РК12-000019 | Прокладка | |
| 90 | РК12-000018 | Крышка сквозная | |
| 91 | РК12-000017 | Фланец верхний | |
| 92 | РК12-000013 | Вал |
Содержащиеся в справочниках-каталогах запасные части и детали не предлагаются к продаже, а носят исключительно информационный характер