Каталог запасных частей к технике: МЗКМ КО-713. Доработка шасси
1
1
2
3
4
5
6
7
8
9
10
11
12
13
14
15
16
17
18
19
20
20
21
22
23
24
25
26
27
28
29
30
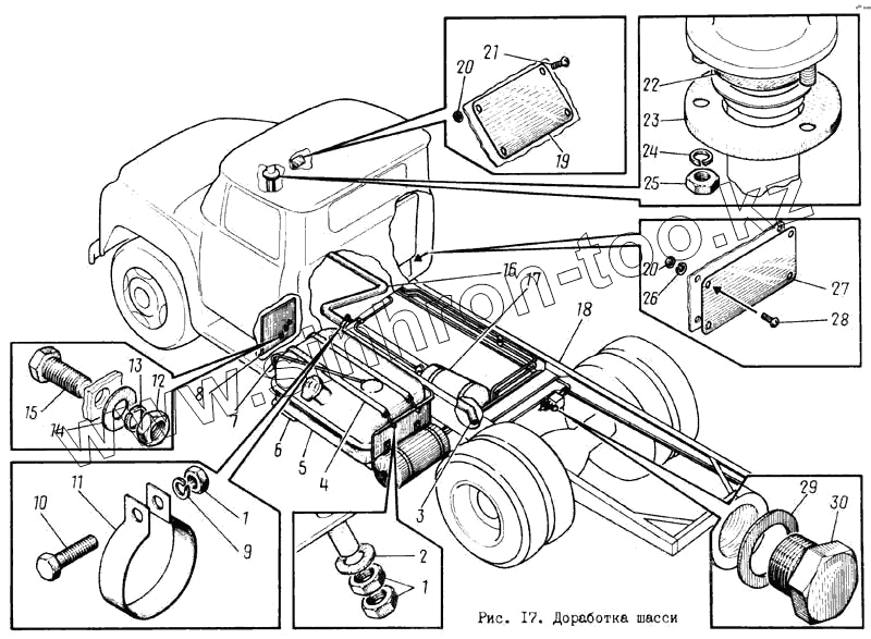
| Позиция на иллюстрации | Заводской номер детали | Название детали | |
|---|---|---|---|
| 1 | М10-255012-П8 | Гайка | |
| 2 | 252006-П8 | Шайба | |
| 3 | КО-002.16.00.012 | Труба выпускная | |
| 4 | 130-1101110 | Хомут | |
| 5 | 130-1101010-Б | Бак топливный | |
| 6 | КО-002.16.00.002 | Поддон | |
| 7 | 130-1104020 | Труба | |
| 8 | КО-713.30.01.005 | Щиток аккумулятора | |
| 9 | 252136-П2 | Шайба | |
| 10 | М10х45-201505-П8 | Болт | |
| 11 | 130-1203047 | Хомут | |
| 12 | М8-5915 | Гайка | |
| 13 | 8.651-6402 | Шайба | |
| 14 | 8-11371 | Шайба | |
| 15 | М8х20-7798 | Болт | |
| 16 | КО-002.16.08.100 | Труба | |
| 17 | КО-002.16.07.000 | Установка воздушных баллонов | |
| 18 | ЗИЛ-431418 | Шасси | |
| 19 | КО-713.30.01.010 | Пластинка | |
| 20 | М3-5915 | Гайка | |
| 21 | М3х10-17473 | Винт | |
| 22 | 306322-П | Прокладка | |
| 23 | 130-1203137 | Фланец | |
| 24 | 12.65Г-6402 | Шайба | |
| 25 | 250538-П8 | Гайка | |
| 26 | 3.65Г-6402 | Шайба | |
| 27 | КО-713.30.01.004 | Пластинка | |
| 28 | М3х10-17473 | Винт | |
| 29 | КО-002.19.03.002 | Прокладка | |
| 30 | КО-105.04.00.005 | Пробка |
Содержащиеся в справочниках-каталогах запасные части и детали не предлагаются к продаже, а носят исключительно информационный характер