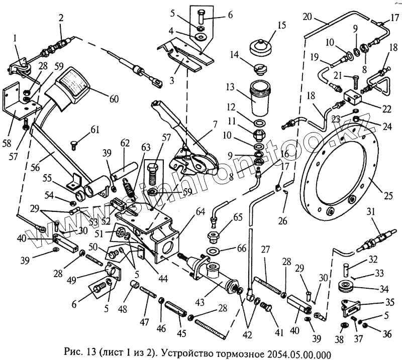
Каталог запасных частей к технике: МЗИК ЭТ-2054. Устройство тормозное
1
2
3
4
5
5
5
5
6
6
7
8
8
9
9
10
10
11
12
13
14
15
16
17
17
18
18
19
20
21
22
23
24
25
26
27
28
28
28
28
29
29
30
30
31
32
33
34
35
36
37
38
39
39
39
40
40
41
42
43
44
45
46
47
48
49
50
51
52
53
54
55
56
57
57
58
59
59
60
61
62
63
64
65
66
| Позиция на иллюстрации | Заводской номер детали | Название детали | |
|---|---|---|---|
| 1 | 103К.00.05.020 | Кронштейн | |
| 2 | 2054.05.00.020 | Трос | |
| 3 | 2054.05.00.161 | Кронштейн | |
| 4 | Шайба 2,5-6-14-Ц {ОСТ 1.34505-80} | Шайба 2,5-6-14-Ц {ОСТ 1.34505-80} | |
| 5 | Шайба 6 65Г 06 {ГОСТ 6402-70} | Шайба 6 65Г 06 {ГОСТ 6402-70} | |
| 6 | Винт 6-18-Ц {ОСТ 1.31501-80} | Винт 6-18-Ц {ОСТ 1.31501-80} | |
| 7 | 2054.05.00.170 | Привод | |
| 8 | Гайка М16х1,5-6Н.04.019 {ГОСТ 5916-70} | Гайка М16х1,5-6Н.04.019 {ГОСТ 5916-70} | |
| 9 | Шайба 16 65Г 06 {ГОСТ 6402-70} | Шайба 16 65Г 06 {ГОСТ 6402-70} | |
| 10 | Шайба С.1бх2,5.02.Ст3кп.06 {ГОСТ 11371-78} | Шайба С.1бх2,5.02.Ст3кп.06 {ГОСТ 11371-78} | |
| 11 | 2054.05.00.004 | Переходник | |
| 12 | 403-3505117-А1 | Прокладка штуцера | |
| 13 | 403-3505108-Б | Корпус бачка | |
| 14 | 403-3505115 | Штуцер бачка | |
| 15 | 403-3505116 | Крышка бачка в сборе | |
| 16 | 2054.05.00.030 | Трубопровод | |
| 17 | Хомут 6-6 {ОСТ 1.12090-75} | Хомут 6-6 {ОСТ 1.12090-75} | |
| 18 | 2054.05.00.150 | Трубопровод | |
| 19 | 2101-3506085 | Рукав гибкий | |
| 20 | 2054.05.00.070 | Трубопровод | |
| 21 | Болт 4М10-6ех35.46.019 {ГОСТ 7796-70} | Болт 4М10-6ех35.46.019 {ГОСТ 7796-70} | |
| 22 | 2054.05.00.006 | Тройник | |
| 23 | Шайба 10 65Г 06 {ГОСТ 6402-70} | Шайба 10 65Г 06 {ГОСТ 6402-70} | |
| 24 | Гайка 10-Кд {ОСТ 1.33018-80} | Гайка 10-Кд {ОСТ 1.33018-80} | |
| 25 | 2054.05.00.140 | Щит | |
| 26 | Винт 5-12-Кд {ОСТ 1.31528-80} | Винт 5-12-Кд {ОСТ 1.31528-80} | |
| 27 | 2054.05.00.007 | Пруток | |
| 28 | Гайка 8-Кд {ОСТ 1.33018-80} | Гайка 8-Кд {ОСТ 1.33018-80} | |
| 29 | Ось 6-8f9х28.40Х.2.31,0.. .37,0. Хим.Фос.прм {ГОСТ 9650-80} | Ось 6-8f9х28.40Х.2.31,0.. .37,0. Хим.Фос.прм {ГОСТ 9650-80} | |
| 30 | Шплинт 2х12.06 {ГОСТ 397-79} | Шплинт 2х12.06 {ГОСТ 397-79} | |
| 31 | 2054.05.00.090 | Трос | |
| 32 | Ось 6-10f9х36.45.Хим.Фос.прм {ГОСТ 9650-80} | Ось 6-10f9х36.45.Хим.Фос.прм {ГОСТ 9650-80} | |
| 33 | Шплинт 3,2х20.06 {ГОСТ 397-79} | Шплинт 3,2х20.06 {ГОСТ 397-79} | |
| 34 | 103.00.05.063 | Ролик | |
| 35 | 103К.00.05.009 | Кронштейн | |
| 36 | Гайка 6-Кд {ОСТ 1.33018-80} | Гайка 6-Кд {ОСТ 1.33018-80} | |
| 37 | Шпилька 2М6-6gх16.66.06 {ГОСТ 22034-76} | Шпилька 2М6-6gх16.66.06 {ГОСТ 22034-76} | |
| 38 | Шайба С.10.02.Ст3кп.06 {ГОСТ 11371-78} | Шайба С.10.02.Ст3кп.06 {ГОСТ 11371-78} | |
| 39 | Шайба С.8х1,5.01.08кп.06 {ГОСТ 11371-78} | Шайба С.8х1,5.01.08кп.06 {ГОСТ 11371-78} | |
| 40 | 2054.05.00.201 | Вилка | |
| 41 | 2054.05.00.005 | Болт | |
| 42 | 103.00.05.055 | Прокладка | |
| 43 | 408-3505010-10 | Цилиндр главный тормоза в сборе | |
| 44 | 2054.05.00.012 | Планка | |
| 45 | 2054.05.00.203 | Муфта | |
| 46 | Гайка 8-Ц {ОСТ 1.33034-80} | Гайка 8-Ц {ОСТ 1.33034-80} | |
| 47 | 2054.05.00.204 | Тяга | |
| 48 | 103К.01.02.022 | Втулка | |
| 49 | 2054.05.00.121 | Кронштейн | |
| 50 | Болт М6-8gх12.46.06 {ГОСТ 7805-70} | Болт М6-8gх12.46.06 {ГОСТ 7805-70} | |
| 51 | Гайка М8х1-6Н.5.029 {ГОСТ 2524-70} | Гайка М8х1-6Н.5.029 {ГОСТ 2524-70} | |
| 52 | 2054.05.00.015 | Вилка | |
| 53 | Шплинт 2х16.06 {ГОСТ 397-79} | Шплинт 2х16.06 {ГОСТ 397-79} | |
| 54 | Гайка 6-Кд {ОСТ 1.33025-80} | Гайка 6-Кд {ОСТ 1.33025-80} | |
| 55 | 2054.05.00.055 | Втулка | |
| 56 | 2054.05.00.050 | Педаль | |
| 57 | Болт 8-26-Ц {ОСТ 1.31124-80} | Болт 8-26-Ц {ОСТ 1.31124-80} | |
| 58 | 2054.05.00.009 | Кронштейн | |
| 59 | Шайба 8 65Г 06 {ГОСТ 6402-70} | Шайба 8 65Г 06 {ГОСТ 6402-70} | |
| 60 | 103К.00.05.101 | Накладка | |
| 61 | Винт 6-20-Ц {ОСТ 1.31501-80} | Винт 6-20-Ц {ОСТ 1.31501-80} | |
| 62 | 2054.05.00.011 | Ось | |
| 63 | 2054.05.00.014 | Пружина | |
| 64 | 2054.05.00.040 | Кронштейн | |
| 65 | 2054.05.00.001 | Гайка | |
| 66 | 2054.05.00.003 | Прокладка |
Содержащиеся в справочниках-каталогах запасные части и детали не предлагаются к продаже, а носят исключительно информационный характер