Вернуться на главную
Поиск
Каталоги запчастей к технике
Спецтехника
МЗИК
ЭТ-2054
Блок управления БУТС 2
Каталог запасных частей к технике: МЗИК ЭТ-2054. Блок управления БУТС 2
zoom-in
zoom-out
enlarge
shrink
circle-right
circle-left
file-text2
info
cart
Тип техники
Не выбрано
Легковые автомобили
Грузовые автомобили и прицепы
Автобусы
Сельхозтехника
Спецтехника
Двигатели
Мототехника
Марка
Не выбрано
Ammann
BOMAG
CARMIX
CASE IH
Changlin
ChengGong
Dimex
Doosan
DYNAPAC
Foton
HAMM
Hidromek
Hitachi
Hyundai
JCB
JLG
John Deere
Komatsu
LIEBHERR
LiuGong
Lonking (LongGong)
Luneng
MANITOU
Mitsuber
New Holland
PENGPU
RM-Terex
SANY
SDLG
SEM
Shantui
Shehwa HBXG
Soosan
TIGARBO
VOGELE
Volvo
WAY
WIRTGEN
XCMG
XGMA
Xiamen
YTO
Yuchai
Zoomlion
Автокран
АЗСМ
Алтайлесмаш
Амкодор
АОМЗ
Атек
АТЗ
Балканкар Рекорд
БелАЗ
Беловеж
Борекс
Брянский Арсенал
Булат
ВЭКС
ГАЗ
Геомаш
Гидромаш
Донекс
Дормаш
Дормашина
Дорэлектромаш
ДЭЗ
ЕлАЗ
ЗЗГТ
Ижнефтемаш
Канаш-электрокар
КЗКТ
ККЗ
Клевер
Клинцовский автокрановый завод
КМЗ
КМЗ 1 Мая
Ковровец
Коммаш
Кранэкс
КЭЗ
КЭМЗ
ЛЗА
МАЗ
МЗИК
МЗКМ
МЗКТ
Михневский РМЗ
МоАЗ
Мозырский МЗ
МТЗ
ОЗП
Онежец
ПАО "ТЗА"
ППС Детва
Промтрактор
ПТЗ
Раскат
СпецАгрегат
ТВЭКС
ТТМ
УВЗ
Угличмаш
УЗТМ
ХТЗ
ЧЗКМ
ЧСДМ
ЧТЗ
ЭКСКО
ЭКСМАШ
ЮрМаш
Модель
Не выбрано
ДП-1604
ЭП-103КО
ЭП-1616
ЭТ-2054
Схема
>
Не выбрано
Кабина
Дверь 2054.0.00.400
Дверь 2054.0.00.400-01
Шарнир
Стопор
Замок
Сиденье
Мост ведущий
Мост ведущий
Рессора 2054.02.00.040
Рессора 2054.03.00.120
Мост управляемый
Колесо
Управление рулевое
Управление рулевое
Устройство тормозное
Устройство тормозное
Трос 2054.05.00.020
Трос 2054.05.00.090
Электрооборудование (с системой управления «Куртис»)
Электрооборудование (с системой управления «Куртис»)
Батарея аккумуляторная 2054.01.01.000 (щелочная)
Батарея аккумуляторная 2054.21.05.000 (кислотная)
Жгут 2054.01.00.030
Жгут 2054.01.00.060
Жгут 2054.01.01.020
Жгут 2054.01.03.010
Жгут 2054.21.00.050
Жгут 2054.21.05.020
Провод 2054.01.00.020
Провод 2054.01.00.020-02
Провод 2054.01.00.020-04
Провод 2054.01.00.020-06
Провод 2054.01.00.020-08
Блок управления 2054.21.08.000
Плата 2054.21.08.030
Привод акселератора 2054.31.02.000
Электрооборудование (с контакторной системой управления, с кабиной)
Электрооборудование (с контакторной системой управления, с кабиной)
Батарея аккумуляторная 2054.01.01.000-01 (щелочная)
Батарея аккумуляторная 2054.41.01.000 (кислотная)
Жгут 2054.01.01.030
Жгут 2054.01.03.100
Жгут 2054.41.00.030
Жгут 2054.41.00.030-01
Жгут 2054.41.00.050
Жгут 2054.41.01.020
Жгут 2054.41.01.020-01
Провод 2054.41.00.020
Провод 2054.41.00.020-01
Провод 2054.41.00.020-02
Провод 2054.41.00.020-03
Провод 2054.41.00.020-04
Провод 2054.41.00.020-05
Провод 2054.41.00.020-06
Провод 2054.41.00.020-07
Блок управления БУТС 2
Привод акселератора 2054.41.02.000
Панель 2054.21.00.310 (фара левая)
Панель 2054.21.00.310-01 (фара правая)
Панель 1216.01.06.000
Панель 2054.01.03.000
Панель 2054.01.03.000-02
Комплект запасных частей, инструмента и принадлежностей
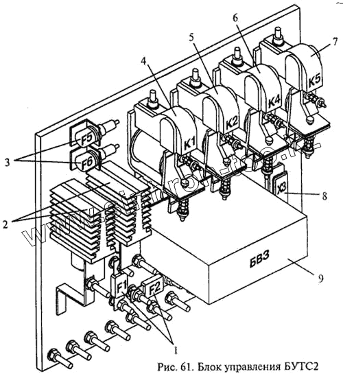
Расположение основных элементов на электротележке
Расположение основных элементов на электротележке
1
2
3
4
5
6
7
8
9
Позиция на иллюстрации
Заводской номер детали
Название детали
1
Предохранитель ТП-400 {ТУ 16-646.005-86Е}
Предохранитель ТП-400 {ТУ 16-646.005-86Е}
2
Диод полупроводниковый Д161-200 {ТУ 16-432.157-87}
Диод полупроводниковый Д161-200 {ТУ 16-432.157-87}
3
Вставка плавкая ВПБ6-42
Вставка плавкая ВПБ6-42
4
Контактный узел КМ51 {ТУ 16-93 БКЖИ.644413.001 ТУ}
Контактный узел КМ51 {ТУ 16-93 БКЖИ.644413.001 ТУ}
5
Контактный узел КМ41 {ТУ 16-93 БКЖИ.644413.001 ТУ}
Контактный узел КМ41 {ТУ 16-93 БКЖИ.644413.001 ТУ}
6
Контактный узел КМ42Л {ТУ 16-93 БКЖИ.644413.001 ТУ}
Контактный узел КМ42Л {ТУ 16-93 БКЖИ.644413.001 ТУ}
7
Контактный узел КМ42П {ТУ 16-93 БКЖИ.644413.001 ТУ}
Контактный узел КМ42П {ТУ 16-93 БКЖИ.644413.001 ТУ}
8
Соединитель РП14А-21 {ЕС3.656.015 ТУ}
Соединитель РП14А-21 {ЕС3.656.015 ТУ}
9
Блок выдержки времени и защиты
Блок выдержки времени и защиты
Содержащиеся в справочниках-каталогах запасные части и детали не предлагаются к продаже, а носят исключительно информационный характер
Дополнительная информация
×
Название:
Номер:
Примечание: