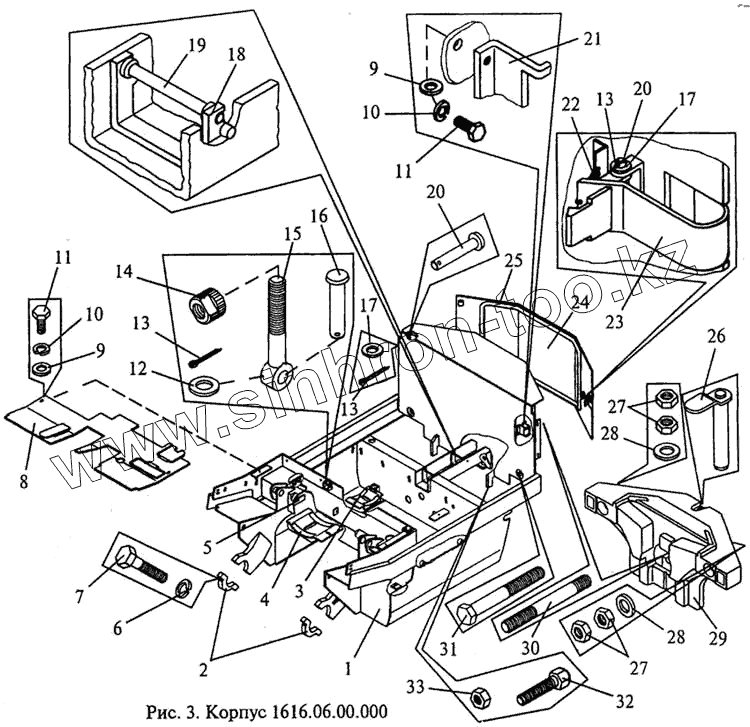
Каталог запасных частей к технике: МЗИК ЭП-1616. Корпус
1
2
3
4
5
6
7
8
9
9
10
10
11
11
12
13
13
13
14
15
16
17
17
18
19
20
20
21
22
23
24
25
26
27
27
28
28
29
30
31
32
33
| Позиция на иллюстрации | Заводской номер детали | Название детали | |
|---|---|---|---|
| 1 | 1616.06.01.000 | Рама | |
| 2 | 1216.06.01.013 | Крышка | |
| 3 | 1616.06.01.002 | Прокладка | |
| 4 | 1616.06.01.004 | Прокладка | |
| 5 | 1616.06.01.006 | Прокладка | |
| 6 | Шайба 16 65Г 06 {ГОСТ 6402-70} | Шайба 16 65Г 06 {ГОСТ 6402-70} | |
| 7 | Болт М16х1,5-8gх50.56.06 {ГОСТ 7796-70} | Болт М16х1,5-8gх50.56.06 {ГОСТ 7796-70} | |
| 8 | 1216.06.00.030 | Полик | |
| 9 | Шайба С6х1,2.04.06 {ГОСТ 11371-78} | Шайба С6х1,2.04.06 {ГОСТ 11371-78} | |
| 10 | Шайба 6 65Г 06 {ГОСТ 6402-70} | Шайба 6 65Г 06 {ГОСТ 6402-70} | |
| 11 | Болт М6-8gх12.46.06 {ГОСТ 7805-70} | Болт М6-8gх12.46.06 {ГОСТ 7805-70} | |
| 12 | Шайба С.12.02.Ст3кп.06 {ГОСТ 11371-78} | Шайба С.12.02.Ст3кп.06 {ГОСТ 11371-78} | |
| 13 | Шплинт 3,2х20.06 {ГОСТ 397-79} | Шплинт 3,2х20.06 {ГОСТ 397-79} | |
| 14 | 1216.06.00.003 | Гайка | |
| 15 | 1216.06.00.001 | Болт | |
| 16 | Ось 6-12b12х50.45 Хим.Фос.прм {ГОСТ 9650-80} | Ось 6-12b12х50.45 Хим.Фос.прм {ГОСТ 9650-80} | |
| 17 | Шайба С.10.02.Ст3кп.06 {ГОСТ 11371-78} | Шайба С.10.02.Ст3кп.06 {ГОСТ 11371-78} | |
| 18 | 1216.06.00.006 | Вкладыш | |
| 19 | 1216.06.00.007 | Стержень | |
| 20 | Ось 6-10b12х65.45 Хим.Фос.прм {ГОСТ 9650-80} | Ось 6-10b12х65.45 Хим.Фос.прм {ГОСТ 9650-80} | |
| 21 | 1216.06.00.004 | Кронштейн | |
| 22 | 1216.06.00.005 | Пружина | |
| 23 | 1216.06.00.170 | Рукоятка | |
| 24 | 1216.06.00.020 | Дверь | |
| 25 | 1216.06.00.021 | Уплотнитель | |
| 26 | 1216.06.00.040 | Шкворень | |
| 27 | Гайка М20-6Н.04.06 {ГОСТ 5915-70} | Гайка М20-6Н.04.06 {ГОСТ 5915-70} | |
| 28 | 1616.03.01.025-02 | Шайба | |
| 29 | 1616.06.00.010 | Противовес | |
| 30 | Шпилька 2М20-8gх160.46.05 {ГОСТ 22032-76} | Шпилька 2М20-8gх160.46.05 {ГОСТ 22032-76} | |
| 31 | Болт М20-8gх160.56.06 {ГОСТ 7798-70} | Болт М20-8gх160.56.06 {ГОСТ 7798-70} | |
| 32 | 1216.06.00.002 | Упор | |
| 33 | Гайка М16-6Н.04.06 {ГОСТ 5916-70} | Гайка М16-6Н.04.06 {ГОСТ 5916-70} |
Содержащиеся в справочниках-каталогах запасные части и детали не предлагаются к продаже, а носят исключительно информационный характер