Каталог запасных частей к технике: МЗИК ЭП-1616. Грузоподъемник 1616.15.00.000
13
14
22
24
26
29
29
29
29
30
30
34
37
38
38
38
38
39
39
40
40
41
41
42
42
43
44
45
45
46
47
47
48
48
48
49
49
50
51
52
53
54
54
55
55
55
56
57
58
59
60
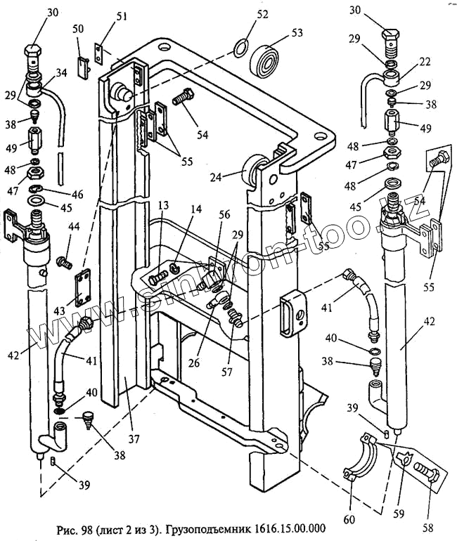
| Позиция на иллюстрации | Заводской номер детали | Название детали | |
|---|---|---|---|
| 13 | Болт М8-8gх20.46.06 {ГОСТ 7796-70} | Болт М8-8gх20.46.06 {ГОСТ 7796-70} | |
| 14 | Шайба 8 65Г 06 {ГОСТ 6402-70} | Шайба 8 65Г 06 {ГОСТ 6402-70} | |
| 22 | 1616.15.00.010 | Трубопровод | |
| 24 | Подшипник 460808АС {ТУ 37.006.111-80} | Подшипник 460808АС {ТУ 37.006.111-80} | |
| 26 | 1616.05.00.040 | Дроссель | |
| 29 | Прокладка 24М1 {ГОСТ 23358-87} | Прокладка 24М1 {ГОСТ 23358-87} | |
| 30 | 1216.05.00.007 | Штуцер | |
| 34 | 1616.15.00.010-01 | Трубопровод | |
| 37 | 1616.15.04.000 | Рама | |
| 38 | 1616.05.00.010-01 | Клапан | |
| 39 | 1616.05.00.101 | Штифт пружинный | |
| 40 | Кольцо 021-025-25-2-2 {ГОСТ 18829-73} | Кольцо 021-025-25-2-2 {ГОСТ 18829-73} | |
| 41 | 1616.05.00.420 | Рукав высокого давления | |
| 42 | 1616.15.11.000 | Цилиндр | |
| 43 | 103К.15.10.009 | Табличка | |
| 44 | Винт В.М3-8gх6.46.06 {ГОСТ 17473-80} | Винт В.М3-8gх6.46.06 {ГОСТ 17473-80} | |
| 45 | 1616.15.00.007 | Прокладка | |
| 46 | Шайба 27 65Г 06 {ГОСТ 6402-70} | Шайба 27 65Г 06 {ГОСТ 6402-70} | |
| 47 | 1616.15.00.002 | Гайка | |
| 48 | Кольцо 018-022-25-2-2 {ГОСТ 18829-73} | Кольцо 018-022-25-2-2 {ГОСТ 18829-73} | |
| 49 | 1616.15.00.106 | Штуцер | |
| 50 | 1216.05.00.005 | Упор | |
| 51 | 1216.05.00.014 | Прокладка | |
| 52 | 1216.05.00.064 | Прокладка | |
| 53 | Подшипник 460807АКС17 {ТУ 37.006.111-80} | Подшипник 460807АКС17 {ТУ 37.006.111-80} | |
| 54 | Болт М12-6ех30.109.40Х.029 {ГОСТ 7798-70} | Болт М12-6ех30.109.40Х.029 {ГОСТ 7798-70} | |
| 55 | 1602.15.00.002 | Прокладка | |
| 56 | 1616.05.00.080 | Коллектор | |
| 57 | 1616.05.00.004 | Штуцер | |
| 58 | Болт М16-8gх60.56.05 {ГОСТ 7796-70} | Болт М16-8gх60.56.05 {ГОСТ 7796-70} | |
| 59 | Шайба 16.01.08кп.06 {ГОСТ 13463-77} | Шайба 16.01.08кп.06 {ГОСТ 13463-77} | |
| 60 | 1216.05.00.004 | Крышка |
Содержащиеся в справочниках-каталогах запасные части и детали не предлагаются к продаже, а носят исключительно информационный характер