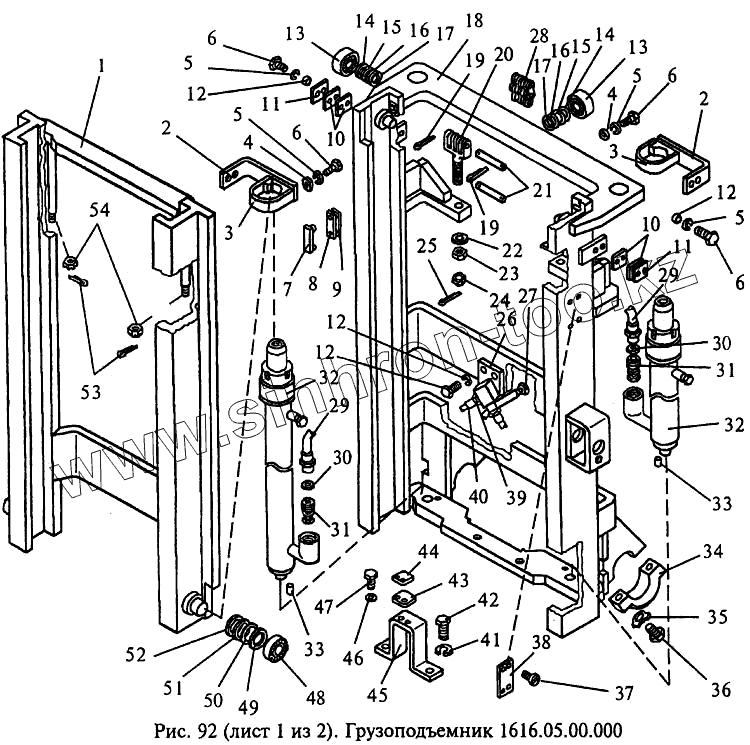
Каталог запасных частей к технике: МЗИК ЭП-1616. Грузоподъемник 1616.05.00.000
1
2
2
3
3
4
4
5
5
5
5
6
6
6
6
7
8
9
10
10
11
11
12
12
12
12
13
13
14
14
15
15
16
16
17
17
18
19
19
20
21
22
23
24
25
26
27
28
29
29
30
30
31
31
32
32
33
33
34
35
36
37
38
38
39
40
41
42
43
44
45
46
47
48
49
50
51
52
53
54
| Позиция на иллюстрации | Заводской номер детали | Название детали | |
|---|---|---|---|
| 1 | 1616.05.03.000 | Рама | |
| 2 | 1616.05.00.006 | Кронштейн | |
| 3 | 1616.05.00.050 | Хомут | |
| 4 | Шайба С.10.02.Ст3кп.06 {ГОСТ 11371-78} | Шайба С.10.02.Ст3кп.06 {ГОСТ 11371-78} | |
| 5 | Шайба 10 65Г 06 {ГОСТ 6402-70} | Шайба 10 65Г 06 {ГОСТ 6402-70} | |
| 6 | Болт М10-8gх30.46.06 {ГОСТ 7796-70} | Болт М10-8gх30.46.06 {ГОСТ 7796-70} | |
| 7 | 1216.05.00.005 | Упор | |
| 8 | 1216.05.00.014 | Прокладка | |
| 9 | 1216.05.00.014-01 | Прокладка | |
| 10 | 1216.05.00.001 | Прокладка | |
| 11 | 1216.05.00.006 | Прокладка | |
| 12 | 1216.05.00.016 | Втулка | |
| 13 | Подшипник 460807АКС17 {ТУ 37.006.111-81} | Подшипник 460807АКС17 {ТУ 37.006.111-81} | |
| 14 | 1216.05.00.064 | Прокладка | |
| 15 | 1216.05.00.064-01 | Прокладка | |
| 16 | 1216.05.00.064-02 | Прокладка | |
| 17 | 1216.05.00.064-03 | Прокладка | |
| 18 | 1616.05.04.000 | Рама | |
| 19 | Шплинт 2х12.06 {ГОСТ 397-79} | Шплинт 2х12.06 {ГОСТ 397-79} | |
| 20 | 1616.05.00.031 | Тяга | |
| 21 | 1616.05.00.032 | Ось | |
| 22 | Шайба 7019-0395 Хим.Фос.прм {ГОСТ 13438-68} | Шайба 7019-0395 Хим.Фос.прм {ГОСТ 13438-68} | |
| 23 | Гайка М16х1,5-6Н.5.06 {ГОСТ 5932-73} | Гайка М16х1,5-6Н.5.06 {ГОСТ 5932-73} | |
| 24 | Гайка М16х1,5-6Н.5.06 {ГОСТ 2524-70} | Гайка М16х1,5-6Н.5.06 {ГОСТ 2524-70} | |
| 25 | Шплинт 3,2х36.06 {ГОСТ 397-79} | Шплинт 3,2х36.06 {ГОСТ 397-79} | |
| 26 | 1616.05.00.080 | Коллектор | |
| 27 | 1616.05.00.040 | Дроссель | |
| 28 | 1616.05.00.030-04 | Цепь | |
| 29 | 1616.05.00.420 | Рукав высокого давления | |
| 30 | Кольцо 021-025-25-2-2 {ГОСТ 18829-73} | Кольцо 021-025-25-2-2 {ГОСТ 18829-73} | |
| 31 | 1616.05.00.010 | Клапан | |
| 32 | 1616.05.01.000 | Цилиндр | |
| 33 | 1616.05.00.101 | Штифт пружинный | |
| 34 | 1216.05.00.004 | Крышка | |
| 35 | Шайба 16.01.08кп.06 {ГОСТ 13463-77} | Шайба 16.01.08кп.06 {ГОСТ 13463-77} | |
| 36 | Болт М16-8gх60.56.06 {ГОСТ 7796-70} | Болт М16-8gх60.56.06 {ГОСТ 7796-70} | |
| 37 | Винт ВМ3-8gх6.46.06 {ГОСТ 17473-80} | Винт ВМ3-8gх6.46.06 {ГОСТ 17473-80} | |
| 38 | 103К.15.10.009-01 | Табличка (левая) | |
| 38 | 103К.15.10.009 | Табличка | |
| 39 | Прокладка 22М1 {ГОСТ 23358-87} | Прокладка 22М1 {ГОСТ 23358-87} | |
| 40 | 1616.05.00.004 | Штуцер | |
| 41 | Шайба 8 65Г 06 {ГОСТ 6402-70} | Шайба 8 65Г 06 {ГОСТ 6402-70} | |
| 42 | Болт М8-8gх20.46.06 {ГОСТ 7796-70} | Болт М8-8gх20.46.06 {ГОСТ 7796-70} | |
| 43 | 1616.05.00.018 | Прокладка | |
| 44 | 1616.05.00.008 | Прокладка | |
| 45 | 1616.05.00.007 | Кронштейн | |
| 46 | Шайба 6х1,5.04.029 {ГОСТ 6958-78} | Шайба 6х1,5.04.029 {ГОСТ 6958-78} | |
| 47 | Болт М6-8gх16.46.06 {ГОСТ 7798-70} | Болт М6-8gх16.46.06 {ГОСТ 7798-70} | |
| 48 | Подшипник 460808АС17 {ТУ 37.006.111-80} | Подшипник 460808АС17 {ТУ 37.006.111-80} | |
| 49 | 1616.05.00.001 | Прокладка | |
| 50 | 1616.05.00.001-01 | Прокладка | |
| 51 | 1616.05.00.001-02 | Прокладка | |
| 52 | 1616.05.00.001-03 | Прокладка | |
| 53 | Шплинт 3,2х25.06 {ГОСТ 397-79} | Шплинт 3,2х25.06 {ГОСТ 397-79} | |
| 54 | Гайка М12-6Н.5.06 {ГОСТ 5933-73} | Гайка М12-6Н.5.06 {ГОСТ 5933-73} |
Содержащиеся в справочниках-каталогах запасные части и детали не предлагаются к продаже, а носят исключительно информационный характер