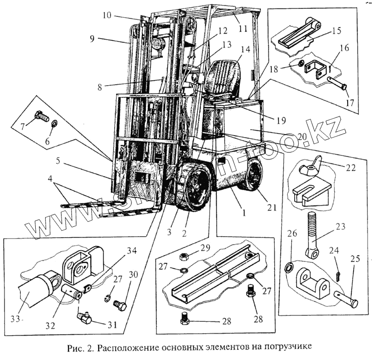
Каталог запасных частей к технике: МЗИК ЭП-103КО. Расположение основных элементов на погрузчике
1
2
3
4
5
6
7
8
9
9
10
10
11
12
12
13
14
15
16
17
18
19
20
20
20
20
21
22
23
23
24
25
26
27
27
27
28
28
29
30
31
32
33
34
| Позиция на иллюстрации | Заводской номер детали | Название детали | |
|---|---|---|---|
| 1 | 103К.00.11.000 | Корпус | |
| 2 | 103К.02.00.000 | Мост ведущий | |
| 3 | 103К.00.00.011-02 | Коврик | |
| 4 | 103К.06.00.070 | Вила | |
| 5 | 103К.00.08.000 | Рамка защитная | |
| 6 | Шайба 12 65Г 06 {ГОСТ 6402-70} | Шайба 12 65Г 06 {ГОСТ 6402-70} | |
| 7 | Болт М12-8gх25.56.06 {ГОСТ 7796-70} | Болт М12-8gх25.56.06 {ГОСТ 7796-70} | |
| 8 | 103К.04.00.000-06 | Гидропривод | |
| 9 | 103К.04.24.000 | Гидропривод для навесных грузозахватных приспособлений | |
| 9 | 103К.04.24.000-04 | Гидропривод для навесных грузозахватных приспособлений | |
| 10 | 103К.15.10.000-02 | Грузоподъемник | |
| 10 | 103К.15.10.000 | Грузоподъемник | |
| 11 | 103К.00.07.000 | Ограждение | |
| 12 | 103К.04.24.000-02 | Гидропривод для навесных грузозахватных приспособлений | |
| 12 | 103К.04.24.000-06 | Гидропривод для навесных грузозахватных приспособлений | |
| 13 | 103К.00.12.000 | Управление рулевое | |
| 14 | 103К.00.29.000 | Сиденье | |
| 15 | 103К.00.00.020 | Крышка | |
| 16 | Шплинт 3,2х20.06 {ГОСТ 397-79} | Шплинт 3,2х20.06 {ГОСТ 397-79} | |
| 17 | Ось 6-10b12х65.45.Ц15.хр {ГОСТ 9650-80} | Ось 6-10b12х65.45.Ц15.хр {ГОСТ 9650-80} | |
| 18 | Шайба 10.02.Ст3кп.06 {ГОСТ 11371-78} | Шайба 10.02.Ст3кп.06 {ГОСТ 11371-78} | |
| 19 | 103К.00.05.000 | Устройство тормозное | |
| 20 | 103К.01.00.000-09 | Электрооборудование | |
| 20 | 103К.01.00.000-13 | Электрооборудование | |
| 20 | 103К.01.00.000-22 | Электрооборудование | |
| 20 | 103К.01.00.000-23 | Электрооборудование | |
| 21 | 103К.00.13.000 | Мост управляемый | |
| 22 | Гайка М10-6Н.6.35Л-1 Кд9.фос {ГОСТ 3032-76} | Гайка М10-6Н.6.35Л-1 Кд9.фос {ГОСТ 3032-76} | |
| 23 | Болт В2М10-6ех80.36С.019 {ГОСТ 3033-79} | Болт В2М10-6ех80.36С.019 {ГОСТ 3033-79} | |
| 23 | 103К.00.11.001 | Болт откидной | |
| 24 | Шплинт 2,5х16.019 {ГОСТ 397-79} | Шплинт 2,5х16.019 {ГОСТ 397-79} | |
| 25 | Ось 6-8b12х45.16ХСН.2.29,0...36,5 Кд.9хр {ГОСТ 9650-80} | Ось 6-8b12х45.16ХСН.2.29,0...36,5 Кд.9хр {ГОСТ 9650-80} | |
| 26 | Шайба С8х1,5.01.08кп.06 {ГОСТ 11371-78} | Шайба С8х1,5.01.08кп.06 {ГОСТ 11371-78} | |
| 27 | Шайба 8 65Г 06 {ГОСТ 6402-70} | Шайба 8 65Г 06 {ГОСТ 6402-70} | |
| 28 | Болт М8-8gх14.46.06 {ГОСТ 7796-70} | Болт М8-8gх14.46.06 {ГОСТ 7796-70} | |
| 29 | Гайка М8-6Н.5.06 {ГОСТ 15521-70} | Гайка М8-6Н.5.06 {ГОСТ 15521-70} | |
| 30 | Болт М8-8gх16.46.06 {ГОСТ 7796-70} | Болт М8-8gх16.46.06 {ГОСТ 7796-70} | |
| 31 | Масленка 2.3.90.Ц.6.хр {ГОСТ 19853-74} | Масленка 2.3.90.Ц.6.хр {ГОСТ 19853-74} | |
| 32 | 103.05.00.005 | Ось | |
| 33 | 103.05.06.000 | Цилиндр наклона | |
| 34 | 103К.00.00.003 | Прижим |
Содержащиеся в справочниках-каталогах запасные части и детали не предлагаются к продаже, а носят исключительно информационный характер