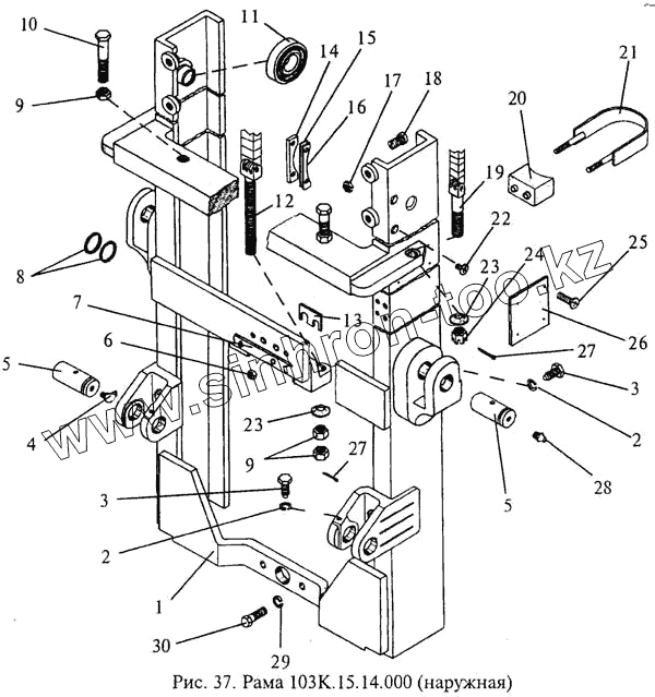
Каталог запасных частей к технике: МЗИК ЭП-103КО. Рама 103К.15.14.000 (наружная)
1
2
2
3
3
4
5
5
6
7
8
9
9
10
11
12
13
14
15
16
17
18
19
20
21
22
23
23
24
25
26
27
27
28
29
30
| Позиция на иллюстрации | Заводской номер детали | Название детали | |
|---|---|---|---|
| 1 | 103К.15.14.000 | Рама | |
| 2 | Шайба 8 65Г 06 {ГОСТ 6402-70} | Шайба 8 65Г 06 {ГОСТ 6402-70} | |
| 3 | 103.05.00.024 | Болт | |
| 4 | Масленка 2.3.90.Ц.6хр {ГОСТ 19853-74} | Масленка 2.3.90.Ц.6хр {ГОСТ 19853-74} | |
| 5 | 103.05.00.023 | Ось | |
| 6 | Гайка М8-6Н.5.06 {ГОСТ 15521-70} | Гайка М8-6Н.5.06 {ГОСТ 15521-70} | |
| 7 | 103К.15.10.139 | Планка | |
| 8 | 103.05.00.006 | Кольцо | |
| 9 | Гайка М16х1,5.6Н.5.06 {ГОСТ 15521-70} | Гайка М16х1,5.6Н.5.06 {ГОСТ 15521-70} | |
| 10 | 103К.15.10.137 | Болт | |
| 11 | Подшипник 460706 КС17 {ТУ 37.006.111-81} | Подшипник 460706 КС17 {ТУ 37.006.111-81} | |
| 12 | 103К.15.00.025 | Тяга | |
| 13 | 103К.15.00.008 | Прокладка | |
| 14 | 103К.15.10.115 | Ограничитель верхний | |
| 15 | 103К.15.10.115-04 | Ограничитель верхний | |
| 16 | 103К.15.10.115-06 | Ограничитель верхний | |
| 17 | Гайка М12х1,25-6Н.04.06 {ГОСТ 2526-70} | Гайка М12х1,25-6Н.04.06 {ГОСТ 2526-70} | |
| 18 | 103К.15.00.013 | Упор | |
| 19 | 103К.15.00.020 | Цепь | |
| 20 | 103К.15.10.107 | Упор | |
| 21 | 103К.15.10.130 | Хомут | |
| 22 | Винт ВМ8-8gх16.46.06 {ГОСТ 17475-80} | Винт ВМ8-8gх16.46.06 {ГОСТ 17475-80} | |
| 23 | Шайба 7019-0395 Хим.Фос.прм {ГОСТ 13438-68} | Шайба 7019-0395 Хим.Фос.прм {ГОСТ 13438-68} | |
| 24 | Гайка М16х1,5-6Н.5.06 {ГОСТ 5918-73} | Гайка М16х1,5-6Н.5.06 {ГОСТ 5918-73} | |
| 25 | Винт 3-6-Кд {ОСТ1.31528-80} | Винт 3-6-Кд {ОСТ1.31528-80} | |
| 26 | 103К.15.10.009 | Табличка | |
| 27 | Шплинт 3,2х32.029 {ГОСТ 397-79} | Шплинт 3,2х32.029 {ГОСТ 397-79} | |
| 28 | Масленка 1.3.Ц6.хр. {ГОСТ 19853-74} | Масленка 1.3.Ц6.хр. {ГОСТ 19853-74} | |
| 29 | Шайба 14Т 65Г 029 {ГОСТ 6402-70} | Шайба 14Т 65Г 029 {ГОСТ 6402-70} | |
| 30 | Болт 14-40-Кд {ОСТ1.31120-80} | Болт 14-40-Кд {ОСТ1.31120-80} |
Содержащиеся в справочниках-каталогах запасные части и детали не предлагаются к продаже, а носят исключительно информационный характер