Каталог запасных частей к технике: МЗИК ДП-1604. Система выпуска
1
2
3
3
4
4
5
5
6
7
7
7
8
8
8
8
8
9
9
9
10
10
11
12
13
14
15
16
16
17
18
18
19
20
21
22
23
24
24
25
25
26
26
27
28
28
29
30
31
31
32
33
33
34
35
36
36
37
38
39
40
41
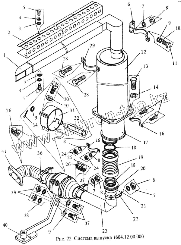
| Позиция на иллюстрации | Заводской номер детали | Название детали | |
|---|---|---|---|
| 1 | 1604.12.00.120 | Труба | |
| 2 | 1604.12.00.002 | Кожух | |
| 3 | Шайба С.6х1,2.04.019 {ГОСТ 11371-78} | Шайба С.6х1,2.04.019 {ГОСТ 11371-78} | |
| 4 | Шайба 6 65Г 029 {ГОСТ 6402-70} | Шайба 6 65Г 029 {ГОСТ 6402-70} | |
| 5 | Винт 6-10-Кд {ОСТ 1.31528-80} | Винт 6-10-Кд {ОСТ 1.31528-80} | |
| 6 | 1602.12.00.006 | Кронштейн | |
| 7 | Шайба 8 65Г 029 {ГОСТ 6402-70} | Шайба 8 65Г 029 {ГОСТ 6402-70} | |
| 8 | Гайка 8-Кд {ОСТ 1.33025-80} | Гайка 8-Кд {ОСТ 1.33025-80} | |
| 9 | Шайба С.8х1,5.01.08кп.019 {ГОСТ 11371-78} | Шайба С.8х1,5.01.08кп.019 {ГОСТ 11371-78} | |
| 10 | Пружина тарельчатая II-1-3-16х8х1х0,3-Хим.Окс.прм {ГОСТ 3057-90} | Пружина тарельчатая II-1-3-16х8х1х0,3-Хим.Окс.прм {ГОСТ 3057-90} | |
| 11 | Винт (3)-8-16-Кд {ОСТ 1.31501-80} | Винт (3)-8-16-Кд {ОСТ 1.31501-80} | |
| 12 | 1604.12.00.080 | Ограждение | |
| 13 | Болт 10-24-Кд {ОСТ 1.31102-80} | Болт 10-24-Кд {ОСТ 1.31102-80} | |
| 14 | Шайба 10 65Г 029 {ГОСТ 6402-70} | Шайба 10 65Г 029 {ГОСТ 6402-70} | |
| 15 | Винт 6-18-Кд {ОСТ 1.31528-80} | Винт 6-18-Кд {ОСТ 1.31528-80} | |
| 16 | 1602.12.00.007 | Хомут | |
| 17 | 1602.12.00.040 | Глушитель | |
| 18 | 1602.12.00.002 | Прокладка | |
| 19 | Сильфон 75-16-02х2-1.1 {ГОСТ 21744-83} | Сильфон 75-16-02х2-1.1 {ГОСТ 21744-83} | |
| 20 | 1604.12.00.001 | Переходник | |
| 21 | 1602.12.00.001 | Стремянка | |
| 22 | 1604.12.00.022-01 | Полка | |
| 23 | 1604.12.00.040 | Колено | |
| 24 | Гайка 6-Кд {ОСТ 1.33025-80} | Гайка 6-Кд {ОСТ 1.33025-80} | |
| 25 | Проволока 0,4-0-С {ГОСТ 3282-74} | Проволока 0,4-0-С {ГОСТ 3282-74} | |
| 26 | Фольга ДПРХМ 0,10 АД1 {ГОСТ 618-73} | Фольга ДПРХМ 0,10 АД1 {ГОСТ 618-73} | |
| 27 | Ткань асбестовая АТ-2 {ГОСТ 6102-78} | Ткань асбестовая АТ-2 {ГОСТ 6102-78} | |
| 28 | Винт 8-30-Кд {ОСТ 1.31501-80} | Винт 8-30-Кд {ОСТ 1.31501-80} | |
| 29 | 1602.12.00.005 | Хомут | |
| 30 | Винт 8-22-Ц {ОСТ 1.31522-80} | Винт 8-22-Ц {ОСТ 1.31522-80} | |
| 31 | 1604.12.00.051 | Полухомут | |
| 31 | 1604.12.00.210 | Полухомут | |
| 32 | Валик 2-8-50-Кд {ОСТ 1.11189-73} | Валик 2-8-50-Кд {ОСТ 1.11189-73} | |
| 33 | 1604.12.00.070 | Полухомут | |
| 33 | 1604.12.00.220 | Полухомут | |
| 34 | Шплинт 1-12.029 {ГОСТ 397-79} | Шплинт 1-12.029 {ГОСТ 397-79} | |
| 35 | Шнур асбестовый ШАОН5 {ГОСТ 1779-83} | Шнур асбестовый ШАОН5 {ГОСТ 1779-83} | |
| 36 | 1604.12.00.200 | Корпус | |
| 36 | 1604.12.00.230 | Нейтрализатор каталитический | |
| 37 | Винт (3)-8-32-Кд {ОСТ 1.31502-80} | Винт (3)-8-32-Кд {ОСТ 1.31502-80} | |
| 38 | Шайба 3-8-18-Кд {ОСТ 1.34505-80} | Шайба 3-8-18-Кд {ОСТ 1.34505-80} | |
| 39 | Гайка (5)-8-Кд {ОСТ 1.33026-80} | Гайка (5)-8-Кд {ОСТ 1.33026-80} | |
| 40 | 1604.12.00.160 | Кронштейн | |
| 41 | 1604.12.00.010 | Колено |
Содержащиеся в справочниках-каталогах запасные части и детали не предлагаются к продаже, а носят исключительно информационный характер