Вернуться на главную
Поиск
Каталоги запчастей к технике
Спецтехника
МЗИК
ДП-1604
Шасси
Каталог запасных частей к технике: МЗИК ДП-1604. Шасси
zoom-in
zoom-out
enlarge
shrink
circle-right
circle-left
file-text2
info
cart
Тип техники
Не выбрано
Легковые автомобили
Грузовые автомобили и прицепы
Автобусы
Сельхозтехника
Спецтехника
Двигатели
Мототехника
Марка
Не выбрано
Ammann
BOMAG
CARMIX
CASE IH
Changlin
ChengGong
Dimex
Doosan
DYNAPAC
Foton
HAMM
Hidromek
Hitachi
Hyundai
JCB
JLG
John Deere
Komatsu
LIEBHERR
LiuGong
Lonking (LongGong)
Luneng
MANITOU
Mitsuber
New Holland
PENGPU
RM-Terex
SANY
SDLG
SEM
Shantui
Shehwa HBXG
Soosan
TIGARBO
VOGELE
Volvo
WAY
WIRTGEN
XCMG
XGMA
Xiamen
YTO
Yuchai
Zoomlion
Автокран
АЗСМ
Алтайлесмаш
Амкодор
АОМЗ
Атек
АТЗ
Балканкар Рекорд
БелАЗ
Беловеж
Борекс
Брянский Арсенал
Булат
ВЭКС
ГАЗ
Геомаш
Гидромаш
Донекс
Дормаш
Дормашина
Дорэлектромаш
ДЭЗ
ЕлАЗ
ЗЗГТ
Ижнефтемаш
Канаш-электрокар
КЗКТ
ККЗ
Клевер
Клинцовский автокрановый завод
КМЗ
КМЗ 1 Мая
Ковровец
Коммаш
Кранэкс
КЭЗ
КЭМЗ
ЛЗА
МАЗ
МЗИК
МЗКМ
МЗКТ
Михневский РМЗ
МоАЗ
Мозырский МЗ
МТЗ
ОЗП
Онежец
ПАО "ТЗА"
ППС Детва
Промтрактор
ПТЗ
Раскат
СпецАгрегат
ТВЭКС
ТТМ
УВЗ
Угличмаш
УЗТМ
ХТЗ
ЧЗКМ
ЧСДМ
ЧТЗ
ЭКСКО
ЭКСМАШ
ЮрМаш
Модель
Не выбрано
ДП-1604
ЭП-103КО
ЭП-1616
ЭТ-2054
Схема
>
Не выбрано
Кабина
Кабина
Полик
Пол
Днище
Сиденье
Корпус
Корпус
Капот
Кожух
Облицовка
Уплотнение
Крышка
Рамка защитная
Агрегат силовой
Агрегат силовой
Педаль управления
Система впуска
Система питания
Система выпуска
Редуктор
Редуктор
Мост ведущий
Мост ведущий
Мост ведущий
Редуктор
Мост управляемый
Мост управляемый
Колесо 1602.02.00.010
Колесо 1616.03.00.010
Привод тормоза
Трос
Электрооборудование
Жгут 1602.00.03.080
Перемычка 1602.00.03.100
Жгут 1602.00.02.160
Жгут 1602.00.03.110
Жгут 1602.00.03.150
Жгут 1604.00.03.080
Жгут 1604.00.03.090
Жгут 1604.00.03.100
Перемычка 1604.00.03.120, 1604.00.03.120-01
Перемычка 1604.00.03.130, 1604.00.03.130-01
Жгут 1604.00.03.140
Жгут 1604.00.03.150
Перемычка 1604.00.03.160
Перемычка 1604.00.03.170
Перемычка 1604.00.03.180
Жгут 1604.00.03. 200
Перемычка 1604.00.03.210
Перемычка 1604.00.03.220
Индикатор загрязнения
Датчик уровня
Пульт управления
Шасси
Фара поворотная
Гидропривод
Гидропривод
Гидропривод
Гидропривод
Гидропривод
Гидропривод
Клапан управления
Сервоцилиндр
Клапан 1601.04.00.240
Клапан 1601.04.00.250
Механизм включения
Распределитель
Гидрораспределитель
Блок клапанов "ИЛИ"
Гидроцилиндр 1601.04.05.000, 1601.04.05.000-01
Гидроцилиндр 1601.04.06.000
Клапан переливной
Фильтр воздушный
Фильтр
Клапан 1601.04.10.000
Фильтр масляный
Клапан обратный
Коллектор
Дроссель 1601.04.19.000
Клапан 1601.04.20.000
Хомут 1602.10.03.000
Хомут 1602.10.03.000-01
Хомут 1601.04.00.180
Грузоподъемник 1602.15.00.000
Цилиндр 1602.15.05.000
Клапан 1602.15.00.020
Клапан 1602.15.00.040
Дроссель 1616.05.00.040
Цепь 1616.05.00.030-06
Цилиндр 1616.15.11.000
Грузоподъемник 1616.05.00.000
Грузоподъемник 1616.05.00.000
Цилиндр 1616.05.01.000
Клапан 1616.05.00.010
Цепь 1616.05.00.030-04
Грузоподъемник 1616.25.00.000
Грузоподъемник 1616.25.00.000
Грузоподъемник 1616.25.00.000
Грузоподъемник 1616.25.00.000
Цилиндр 1616.15.01.000
Цилиндр 1616.25.01.000, 1616.25.01.000-02
Дроссель 1616.15.00.040
Цепь 1616.05.00.030
Цепь 1616.05.00.030-02
Вила
Комплект ЗИП
Расположение основных элементов на погрузчике
Расположение основных элементов на погрузчике
Расположение основных элементов на погрузчике
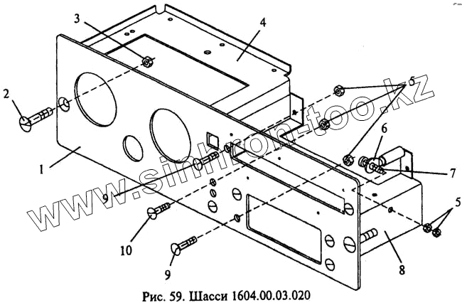
1
2
3
4
5
5
6
7
8
9
9
10
Позиция на иллюстрации
Заводской номер детали
Название детали
1
1604.00.03.021
Панель
2
Винт 5-40-Кд {ОСТ 1.31542-80}
Винт 5-40-Кд {ОСТ 1.31542-80}
3
Гайка 5-Кд {ОСТ 1.33017-80}
Гайка 5-Кд {ОСТ 1.33017-80}
4
1604.00.03.023
Стенка
5
Гайка 3-Кд {ОСТ 1.33017-80}
Гайка 3-Кд {ОСТ 1.33017-80}
6
НО.775.015
Наконечник Н7.750.091
7
Винт 3-14-Кд {ОСТ 1.31528-80}
Винт 3-14-Кд {ОСТ 1.31528-80}
8
1604.00.03.022
Стенка
9
Винт 3-22-Кд {ОСТ 1.31542-80}
Винт 3-22-Кд {ОСТ 1.31542-80}
10
Винт 3-10-Кд {ОСТ 1.31542-80}
Винт 3-10-Кд {ОСТ 1.31542-80}
Содержащиеся в справочниках-каталогах запасные части и детали не предлагаются к продаже, а носят исключительно информационный характер
Дополнительная информация
×
Название:
Номер:
Примечание: