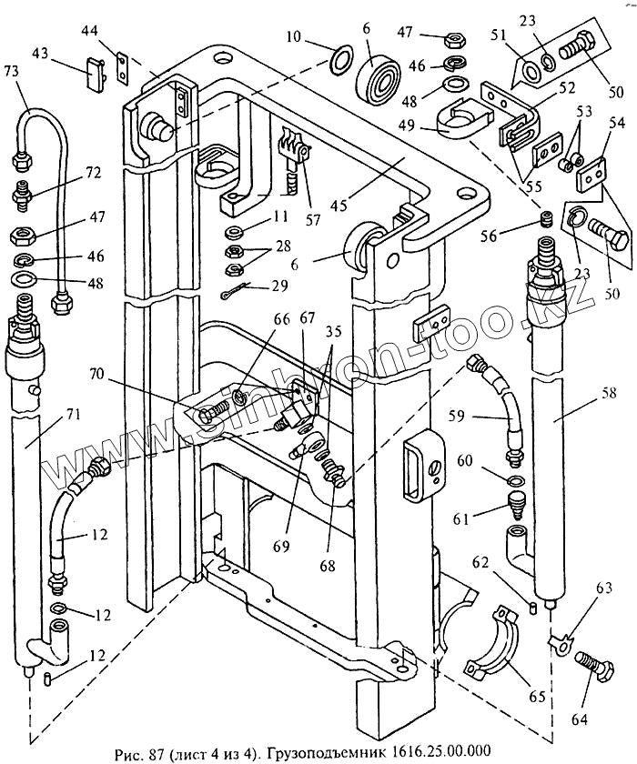
Каталог запасных частей к технике: МЗИК ДП-1604. Грузоподъемник 1616.25.00.000
6
6
10
11
23
23
28
29
35
43
44
45
46
46
47
47
48
48
49
50
50
51
52
53
54
55
56
57
58
59
59
60
60
61
62
62
63
64
65
66
67
68
69
70
71
72
73
| Позиция на иллюстрации | Заводской номер детали | Название детали | |
|---|---|---|---|
| 1216.05.00.064-02 | 1216.05.00.064-02 | Прокладка | |
| 1216.05.00.064-01 | 1216.05.00.064-01 | Прокладка | |
| 1216.05.00.014-02 | 1216.05.00.014-02 | Прокладка | |
| 1216.05.00.064-03 | 1216.05.00.064-03 | Прокладка | |
| 6 | Подшипник 460807АКС17 {ТУ 37.006.111-81} | Подшипник 460807АКС17 {ТУ 37.006.111-81} | |
| 10 | 1216.05.00.064 | Прокладка | |
| 11 | Шайба 7019-0395-Хим.Фос.прм {ГОСТ 13438-68} | Шайба 7019-0395-Хим.Фос.прм {ГОСТ 13438-68} | |
| 23 | Шайба 10 65Г 06 {ГОСТ 6402-70} | Шайба 10 65Г 06 {ГОСТ 6402-70} | |
| 28 | Гайка М16х1,5-6Н.5.06 {ГОСТ 2524-70} | Гайка М16х1,5-6Н.5.06 {ГОСТ 2524-70} | |
| 29 | Шплинт 3,2х25.029 {ГОСТ 397-79} | Шплинт 3,2х25.029 {ГОСТ 397-79} | |
| 35 | Прокладка 22М1 {ГОСТ 23358-87} | Прокладка 22М1 {ГОСТ 23358-87} | |
| 43 | 1216.05.00.005 | Упор | |
| 44 | 1216.05.00.014 | Прокладка | |
| 45 | 1616.25.04.000 | Рама | |
| 46 | Шайба 27 65Г 06 {ГОСТ 6402-70} | Шайба 27 65Г 06 {ГОСТ 6402-70} | |
| 47 | 1616.15.00.002 | Гайка | |
| 48 | 1616.15.00.007 | Прокладка | |
| 49 | 1616.05.00.050 | Хомут | |
| 50 | Болт М10-8gх30.46.06 {ГОСТ 7796-70} | Болт М10-8gх30.46.06 {ГОСТ 7796-70} | |
| 51 | Шайба С.10.02.Ст3кп.06 {ГОСТ 11371-78} | Шайба С.10.02.Ст3кп.06 {ГОСТ 11371-78} | |
| 52 | 1616.05.00.006 | Кронштейн | |
| 53 | 1216.05.00.016 | Втулка | |
| 54 | 1216.05.00.006 | Прокладка | |
| 55 | 1216.05.00.001 | Прокладка | |
| 56 | 1216.25.00.002 | Пробка | |
| 57 | 1616.05.00.030-02 | Цепь | |
| 58 | 1616.25.01.000-02 | Цилиндр | |
| 59 | 1616.05.00.420 | Рукав высокого давления | |
| 60 | Кольцо 021-025-2-2 {ГОСТ 18829-73} | Кольцо 021-025-2-2 {ГОСТ 18829-73} | |
| 61 | 1616.05.00.010-01 | Клапан | |
| 62 | Штифт 6х25.65Г.06 {ГОСТ 14229-78} | Штифт 6х25.65Г.06 {ГОСТ 14229-78} | |
| 63 | Шайба 16.01.08кп.06 {ГОСТ 13463-77} | Шайба 16.01.08кп.06 {ГОСТ 13463-77} | |
| 64 | Болт М16-8gх60.56.06 {ГОСТ 7796-70} | Болт М16-8gх60.56.06 {ГОСТ 7796-70} | |
| 65 | 1216.05.00.004 | Крышка | |
| 66 | Шайба 8 65Г 06 {ГОСТ 6402-70} | Шайба 8 65Г 06 {ГОСТ 6402-70} | |
| 67 | 1616.05.00.080 | Коллектор | |
| 68 | 1616.05.00.004 | Штуцер | |
| 69 | 1616.05.00.040 | Дроссель | |
| 70 | Болт М8-8gх20.46.06 {ГОСТ 7796-70} | Болт М8-8gх20.46.06 {ГОСТ 7796-70} | |
| 71 | 1616.25.01.000 | Цилиндр | |
| 72 | 1216.15.00.009 | Штуцер | |
| 73 | 1616.25.00.030 | Трубопровод |
Содержащиеся в справочниках-каталогах запасные части и детали не предлагаются к продаже, а носят исключительно информационный характер