Каталог запасных частей к технике: МТЗ ЩК-00.010-М (САЗ). Щетка коммунальная ЩК
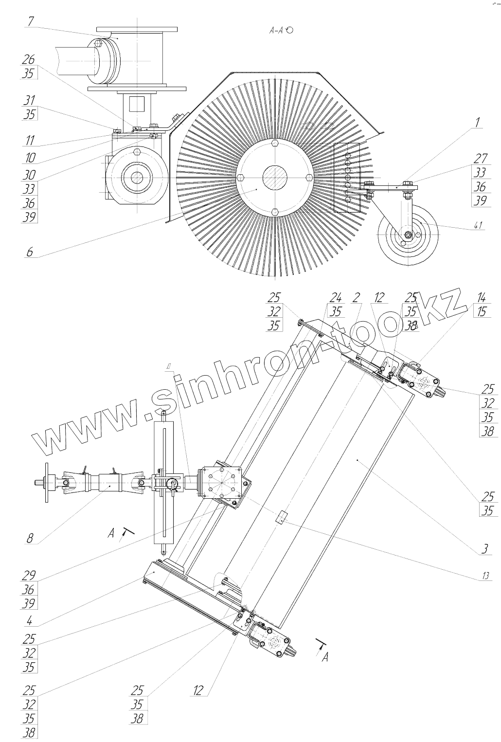
1
2
3
4
6
7
8
10
11
12
12
13
14
15
24
25
25
25
25
25
25
25
26
27
28
29
30
32
32
32
32
33
33
35
35
35
35
35
35
35
35
35
35
36
36
36
38
38
38
38
39
39
39
41
| Позиция на иллюстрации | Заводской номер детали | Название детали | |
|---|---|---|---|
| ЩК-00.010-М | ЩК-00.010-М | Щетка коммунальная ЩК | |
| 1 | ЩК-00.020-Д | Опора | |
| 2 | ЩК-00.050-Д | Опора | |
| 3 | ЩК-00.080-М | Ограждение | |
| 4 | ЩК-00.150-Д | Привод нижний | |
| 6 | ЩК-00.300-Д | Щетка дисковая | |
| 7 | ФР-00.100-М | Редуктор | |
| 8 | ФР-00.710-Б | Привод | |
| 9 | 112Н-3903017-А | Табличка | |
| 10 | ЩК-00.251-М | Кронштейн | |
| 11 | ЩК-00.241-М | Пластина | |
| 12 | ЩК-00.016-М | Кронштейн | |
| 13 | ЩК-00.017-К | Табличка | |
| 14 | ЩК-00.018 | Шкворень | |
| 15 | А61.05.004 | Кольцо | |
| 24 | С00086 | Болт | |
| 25 | С00088 | Болт | |
| 26 | С00089 | Болт | |
| 27 | С00092 | Болт | |
| 28 | С00030 | Болт | |
| 29 | С00032 | Болт | |
| 30 | С00034 | Болт | |
| 32 | 913025 | Гайка М8-6Н.6.019 | |
| 33 | 913035 | Гайка | |
| 35 | 6916290 | Шайба | |
| 36 | 6916040 | Шайба | |
| 38 | 916053 | Шайба С 8.01.019 | |
| 39 | 916057 | Шайба | |
| 41 | 3470DVR125Р62 | Колесная опора |
Содержащиеся в справочниках-каталогах запасные части и детали не предлагаются к продаже, а носят исключительно информационный характер