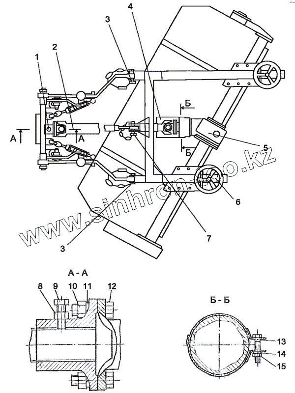
Каталог запасных частей к технике: МТЗ МУП-351. Установка щетки
82.6-4714000
1
2
3
4
5
6
7
8
9
10
11
12
13
14
15
| Позиция на иллюстрации | Заводской номер детали | Название детали | |
|---|---|---|---|
| 82.6-4714000 | 82.6-4714000 | Установка щетки | |
| 1 | 82.6-4714001 | Фланец | |
| 2 | 82.6-4715200-А | Вал карданный | |
| 3 | 82.6-4714007 | Палец | |
| 4 | 82.6-4714090 | Ограждение | |
| 5 | 82.6-4714010 | Щетка с приводом | |
| 6 | 82.6-4714500 | Каток опорный | |
| 7 | А61.03.001-02 | Палец | |
| 8 | М10-6Н.6.019 | Гайка | |
| 9 | M10-6gx25.88.35.019 | Болт | |
| 10 | М12-6Н.6.019 | Гайка | |
| 11 | 4598166068 | Шайба 12ОТ | |
| 12 | M12-6gx35.88.35.019 | Болт | |
| 13 | M8-6gx50.88.35.019 | Болт | |
| 14 | 4598166046 | Шайба 8Т | |
| 15 | М8-6Н.6.019 | Гайка |
Содержащиеся в справочниках-каталогах запасные части и детали не предлагаются к продаже, а носят исключительно информационный характер