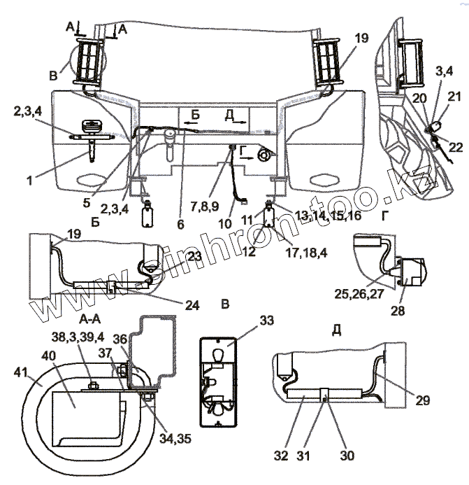
Каталог запасных частей к технике: МТЗ МПТ-461.1. Л82.2-3700060 Электрооборудование
Л82.2-3700060
1
2
2
3
3
3
3
4
4
4
4
4
5
6
7
8
9
10
11
12
13
14
15
16
17
18
19
19
20
21
22
23
24
25
26
27
28
29
30
31
32
33
34
35
36
37
38
39
40
41
| Позиция на иллюстрации | Заводской номер детали | Название детали | |
|---|---|---|---|
| Л82.2-3700060 | Л82.2-3700060 | Электрооборудование | |
| 1 | 80В-3716020-Б | Кронштейн | |
| 2 | М6-6gх16.88.35.019 | Болт | |
| 3 | М6-6Н.6.019 | Гайка | |
| 4 | 4598166045 | Шайба 6Т | |
| 5 | 52.98.710 | Хомутик | |
| 6 | Л82.2-3724010 | Провод 1 | |
| 7 | М12-6gх25.88.35.019 | Болт ГОСТ 7796-70 | |
| 8 | М12-6Н.6.019 | Гайка | |
| 9 | 4598166068 | Шайба 12ОТ | |
| 10 | 80-3724112 | Перемычка массы | |
| 11 | Ф50-3731011 | Кронштейн | |
| 12 | 3202.3731 | Световозвращатель | |
| 13 | М10-6gх25.88.35.019 | Болт | |
| 14 | М10-6Н.6.019 | Гайка | |
| 15 | С.10.01.019 | Шайба | |
| 16 | 4598166067 | Шайба 10ОТ | |
| 17 | В.М6-6gх12.58.019 | Винт | |
| 18 | С.6.01.019 | Шайба | |
| 19 | 70-3723042-02 | Втулка | |
| 20 | 70-3723035 | Наконечник | |
| 21 | ФП131АР | Фонарь освещения номерного знака ФП131АР | |
| 22 | 70-3723042-01 | Втулка | |
| 23 | 80-3723025-01 | Желоб | |
| 24 | 80-3723038 | Скоба | |
| 25 | Винт В.М5-6gх35.58.019 | Винт В.М5-6gх35.58.019 | |
| 26 | М5-6Н.6.019 | Гайка ГОСТ 5915-70 | |
| 27 | 4598166044 | Шайба 5Т | |
| 28 | Розетка Р9-1 | Розетка Р9-1 | |
| 29 | 85-3724161 | Жгут | |
| 30 | 80-3723043 | Скоба | |
| 31 | 70-3723033 | Скоба | |
| 32 | 80-3723042 | Желоб | |
| 33 | 7303.3716 | Фонарь задний | |
| 34 | М8-6Н.6.019 | Гайка | |
| 35 | 4598166046 | Шайба 8Т | |
| 36 | Л82-3716143 | Шпилька | |
| 37 | Л82-3716136 | Кронштейн | |
| 38 | Винт В.М6-6gх16.58.019 | Винт В.М6-6gх16.58.019 | |
| 39 | С.6.01.019 | Шайба | |
| 40 | 85-3716015 | Кожух | |
| 41 | Л82-3716130 | Ограждение |
Содержащиеся в справочниках-каталогах запасные части и детали не предлагаются к продаже, а носят исключительно информационный характер