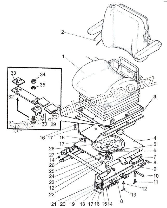
Каталог запасных частей к технике: МТЗ МЛПТ-354М. Установка сидений, механизм подъема
80В-6807000
МЛ131-680010
1
2
3
4
5
6
7
8
8
9
10
11
12
12
13
14
14
15
16
16
16
17
17
17
18
19
20
21
22
23
24
25
26
27
28
29
30
31
32
33
34
35
| Позиция на иллюстрации | Заводской номер детали | Название детали | |
|---|---|---|---|
| 80В-6807000 | 80В-6807000 | Механизм подъема | |
| МЛ131-680010 | МЛ131-680010 | Установка сидений | |
| 1 | GrammerMSG85/721 | Сиденье | |
| 2 | ЕА-114-01 | Ремень безопасности | |
| 3 | МЛ131-6800020 | Панель | |
| 4 | 2522-6807020-01 | Панель | |
| 5 | 15.081-100 | Шарик | |
| 6 | 80-1716041 | Пружина | |
| 7 | 80В-6807030 | Шатун | |
| 8 | 2522-6807001 | Ось | |
| 9 | 80В-6807010 | Кронштейн | |
| 10 | 80В-6807040 | Зажим | |
| 11 | 80В-6807050 | Винт | |
| 12 | М10-6Н.6.019 | Гайка | |
| 13 | 80В-6807050-01 | Винт | |
| 14 | 70-6801307 | Шайба | |
| 15 | С10.01.019 | Шайба | |
| 16 | 4598166007 | Шайба 10Л | |
| 17 | M10-6gx25.88.35.019 | Болт | |
| 18 | 354-6800020 | Крышка | |
| 19 | С8.01.019 | Шайба | |
| 20 | 4598166046 | Шайба 8Т | |
| 21 | М8-6gх20.88.35.019 | Болт | |
| 22 | 4598166067 | Шайба 10ОТ | |
| 23 | А04.02.020 | Гайка | |
| 24 | С27.01.019 | Шайба | |
| 25 | 5x45.019 | Шплинт | |
| 26 | 80В-6807010-01 | Кронштейн | |
| 27 | 80В-6807060 | Шатун | |
| 28 | 80В-6807070 | Диск | |
| 29 | 80В-6804066 | Накладка | |
| 30 | 1522-6807101 | Стопор | |
| 31 | M6-6gx14.88.35.019 | Болт | |
| 32 | 80В-6807009-Б | Рычаг | |
| 33 | 80В-6804014 | Накладка | |
| 34 | М6-6Н.6.019 | Гайка | |
| 35 | 4598166045 | Шайба 6Т |
Содержащиеся в справочниках-каталогах запасные части и детали не предлагаются к продаже, а носят исключительно информационный характер