Вернуться на главную
Поиск
Каталоги запчастей к технике
Спецтехника
МТЗ
МЛПТ-354М
Установка датчика
Каталог запасных частей к технике: МТЗ МЛПТ-354М. Установка датчика
zoom-in
zoom-out
enlarge
shrink
circle-right
circle-left
file-text2
info
cart
Тип техники
Не выбрано
Легковые автомобили
Грузовые автомобили и прицепы
Автобусы
Сельхозтехника
Спецтехника
Двигатели
Мототехника
Марка
Не выбрано
Ammann
BOMAG
CARMIX
CASE IH
Changlin
ChengGong
Dimex
Doosan
DYNAPAC
Foton
HAMM
Hidromek
Hitachi
Hyundai
JCB
JLG
John Deere
Komatsu
LIEBHERR
LiuGong
Lonking (LongGong)
Luneng
MANITOU
Mitsuber
New Holland
PENGPU
RM-Terex
SANY
SDLG
SEM
Shantui
Shehwa HBXG
Soosan
TIGARBO
VOGELE
Volvo
WAY
WIRTGEN
XCMG
XGMA
Xiamen
YTO
Yuchai
Zoomlion
Автокран
АЗСМ
Алтайлесмаш
Амкодор
АОМЗ
Атек
АТЗ
Балканкар Рекорд
БелАЗ
Беловеж
Борекс
Брянский Арсенал
Булат
ВЭКС
ГАЗ
Геомаш
Гидромаш
Донекс
Дормаш
Дормашина
Дорэлектромаш
ДЭЗ
ЕлАЗ
ЗЗГТ
Ижнефтемаш
Канаш-электрокар
КЗКТ
ККЗ
Клевер
Клинцовский автокрановый завод
КМЗ
КМЗ 1 Мая
Ковровец
Коммаш
Кранэкс
КЭЗ
КЭМЗ
ЛЗА
МАЗ
МЗИК
МЗКМ
МЗКТ
Михневский РМЗ
МоАЗ
Мозырский МЗ
МТЗ
ОЗП
Онежец
ПАО "ТЗА"
ППС Детва
Промтрактор
ПТЗ
Раскат
СпецАгрегат
ТВЭКС
ТТМ
УВЗ
Угличмаш
УЗТМ
ХТЗ
ЧЗКМ
ЧСДМ
ЧТЗ
ЭКСКО
ЭКСМАШ
ЮрМаш
Модель
Не выбрано
1502 (2012)
БЕЛАРУС 1502 (2015)
БЕЛАРУС 1502 (2017)
БЕЛАРУС МПТ-461.1 (2015)
КРМ-2 (САЗ) (2015)
М75-04 (2010)
МЛ-131 (2008)
МЛПТ-344 (2011)
МЛПТ-354М (2008)
МПТ-461.1 (2010)
МР-40-01 (2010)
МТЗ-320 МК (2010)
МУП-351 (2010)
ОБ-12 (САЗ) (2015)
ТТР-401М (2010)
Ш-353М (2015)
ЩК-00.010-М (САЗ) (2015)
ЩК-1 (САЗ) (2015)
Схема
>
Не выбрано
Установка кабины
Установка датчика
Кран
Стеклоомыватель
Установка панелей щитка приборов, установка кожуха и уплотнителя
Установка панелей
Дверь левая, дверь правая
Установка сидений, механизм подъема
Сиденье дополнительное
Система отопления
Система подогрева
Зеркало
Установка зеркала
Установка зеркала
Облицовка
Установка ограждения
Блок моторно-трансмиссионный
Система топливная
Управление подачей топлива
Управление шторкой, шторка
Трансмиссия
Трансмиссия
Трансмиссия. Привод, муфта, корпус
Корпус сцепления
Корпус сцепления
Корпус сцепления
Корпус сцепления
Управление сцеплением
Цилиндр рабочий
Цилиндр главный
Гидроусилитель
Коробка передач
Коробка передач. Вал I и II передач
Коробка переда
Коробка передач. Вал первичный и вал вторичный
Корпус вилок
Крышка
Крышка понижающего редуктора
Редуктор
Привод моста заднего
Установка моста заднего
Мост задний
Дифференциал
Муфта блокировки
Передача конечная
Рама передняя
Соединение рам
Рама задняя с шарниром
Труба балансира
Установка колес
Гидропривод
Гидропривод
Гидропривод
Гидропривод
Гидропривод
Гидропривод
Гидропривод
Гидропривод (с манипулятором LIV 5.76 с распределителем RS276)
Гидропривод (с манипулятором ЛВ-203А с распределителем HYV40-6)
Установка распределителей (без манипулятора)
Установка распределителей (с манипулятором LIV 5.76 с распределителем RS276)
Установка распределителей (с манипулятором ЛВ-203А с распределителем YV40-6)
Распределитель
Клапан обратный
Колодка
Фильтр
Гидроцилиндр
Бак, сапун, кран
Управление блокировкой дифференциала, кран блокировки
Привод насоса
Привод насоса
Колонка рулевая с откидным колесом
Фильтр
Установка распределителя разблокировки
Гидроцилиндр
Управление задним модулем
Система управления тормозами
Тормоз
Регулятор давления
Система управления тормозами
Электрооборудование
Электрооборудование
Электрооборудование
Электрооборудование
Электрооборудование
Электрооборудование
Электрооборудование
Генератор
Электрооборудование
Фонарь освещения номерного знака
Электрооборудование подогревателя
Щиток приборов
Щиток приборов
Щиток приборов
Управление приводом насоса
Установка огнетушителя
Установка термоса
Аптечка
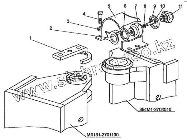
Машина лесная погрузочно-транспортная «БЕЛАРУС» МЛПТ-354М1
МЛ131-8700020-Б
354М1-2704010
МЛ131-2701100
1
2
3
4
5
6
7
8
9
10
11
Позиция на иллюстрации
Заводской номер детали
Название детали
МЛ131-8700020-Б
МЛ131-8700020-Б
Установка датчика
354М1-2704010
354М1-2704010
Рама задняя с шарниром
МЛ131-2701100
МЛ131-2701100
Рама передняя
1
МЛ131-8700040
Кулачок
2
МЛ131-8700026
Шайба
3
Шайба8Т
Шайба 8Т
4
M8-6gx14.88.35.019
Болт
5
МЛ131-8700023-В
Кожух
6
50-1702048
Прокладка
7
МЛ131-8700030
Переходник
8
005-008-19-2-2
Кольцо
9
354-8700025
Толкатель
10
4598166070
Шайба 16ОТ
11
ВК12-31
Выключатель
Содержащиеся в справочниках-каталогах запасные части и детали не предлагаются к продаже, а носят исключительно информационный характер
Дополнительная информация
×
Название:
Номер:
Примечание: