Каталог запасных частей к технике: МТЗ МЛПТ-354М. Трансмиссия
1
2
2
3
4
4
5
5
6
7
7
8
8
9
9
10
10
11
11
12
13
14
15
16
17
18
18
19
20
21
22
23
24
25
26
27
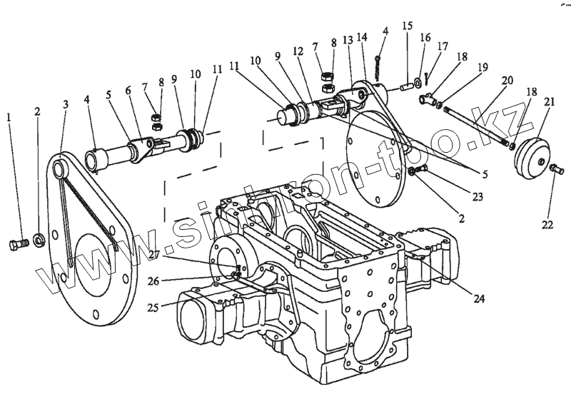
| Позиция на иллюстрации | Заводской номер детали | Название детали | |
|---|---|---|---|
| 1 | 354-3500018-01 | Болт | |
| 2 | 4598166068 | Шайба 12ОТ | |
| 3 | 354-3500020 | Опора левая | |
| 4 | 5x50.019 | Шплинт | |
| 5 | 354-3500013 | Шайба | |
| 6 | 354-3500050-Б | Рычаг | |
| 7 | M12x1.25.04.019 | Гайка | |
| 8 | М12х1,25-6Н.6.019 | Гайка | |
| 9 | 50-3503071 | Шайба | |
| 10 | 2.2-25x42-1 | Манжета | |
| 11 | 354-3500011-Б | Ось | |
| 12 | 354-3500009 | Втулка | |
| 13 | 354-350050-Б-01 | Рычаг | |
| 14 | 354-3502010-Б | Тормоз | |
| 15 | МЛ127-3500006 | Ось | |
| 16 | С12.01.019 | Шайба | |
| 17 | 3,2x18.019 | Шплинт | |
| 18 | 70-3514022 | Вилка | |
| 19 | М12х1,25-6Н.6.019 | Гайка | |
| 20 | МЛ127-3500031 | Тяга | |
| 21 | 18.3519110-01 | Камера тормозная | |
| 22 | МЛ127-3500330 | Штуцер | |
| 23 | М12-6gх120.58.019 | Болт | |
| 24 | МЛ127-1101011 | Кронштейн | |
| 25 | МЛ127-1101011-01 | Кронштейн | |
| 26 | 4598166071 | Шайба 180Т ОСТ 37.00.115-70 | |
| 27 | M18-6gx55.88.35.019 | Болт |
Содержащиеся в справочниках-каталогах запасные части и детали не предлагаются к продаже, а носят исключительно информационный характер