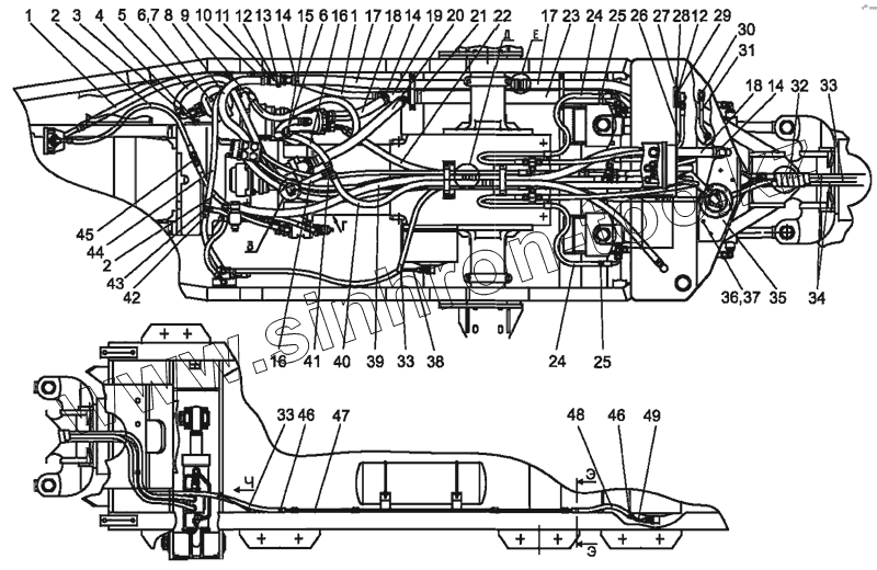
Каталог запасных частей к технике: МТЗ МЛПТ-354М. Гидропривод
354М1-3400010
1
1
2
2
3
4
5
6
6
7
8
9
10
11
12
12
13
14
14
14
15
16
16
17
17
18
18
19
20
21
22
23
24
24
25
25
26
27
28
29
30
31
32
33
33
33
34
35
36
37
38
39
40
41
42
43
44
45
46
46
47
48
49
| Позиция на иллюстрации | Заводской номер детали | Название детали | |
|---|---|---|---|
| 354М1-3400010 | 354М1-3400010 | Гидропривод | |
| 1 | 354-3400022 | Рукав | |
| 2 | ПН.036.83.090 | Рукав высокого давления | |
| 3 | 4598166070 | Шайба 16ОТ | |
| 4 | M16-6gx32.88.35.019 | Болт | |
| 5 | МЛ131-3400470-01 | Рукав высокого давления | |
| 6 | 4598166067 | Шайба 10ОТ | |
| 7 | M10-6gx20.88.35.019 | Болт | |
| 8 | МЛ131-3400020-01 | Рукав | |
| 9 | МЛ131-3400470-02 | Рукав высокого давления | |
| 10 | 25-40/9-C6W | Хомут NORMA TORRO | |
| 11 | МЛ131-3400350-Б | Колодка | |
| 12 | 4598166046 | Шайба 8Т | |
| 13 | M8-6gx50.88.35.019 | Болт | |
| 14 | 32-50/9-C6W | Хомут NORMA TORRO | |
| 15 | M10-6gx35.88.35.019 | Болт | |
| 16 | МЛ127-3400018 | Рукав | |
| 17 | МЛ131-3400034-04 | Рукав | |
| 18 | МЛ131-3400034 | Рукав | |
| 19 | 354М1-3400060 | Разветвитель | |
| 20 | МЛ131-3400034-03 | Рукав | |
| 21 | 50-70/9-C6W | Хомут NORMA TORRO | |
| 22 | МЛ131-3400470-05 | Рукав высокого давления | |
| 23 | МЛ131-3400043-03 | Рукав | |
| 24 | 680-4607140-14 | Рукав высокого давления | |
| 25 | 354-3410059 | Бирка маркировочная | |
| 26 | 434-3400400-02 | Рукав высокого давления | |
| 27 | 354-3400044 | Прокладка | |
| 28 | 354М1-3400070 | Крышка | |
| 29 | M8-6gx20.8.35.019 | Болт | |
| 30 | Н.036.12.010 | Заглушка | |
| 31 | 394-3400095 | Трубопровод | |
| 32 | SSK50 | Оплетка | |
| 33 | 354-3405011-01 | Рукав | |
| 34 | ПН.036.83.110 | Рукав высокого давления | |
| 35 | МЛ127С-3400026 | Пластина | |
| 36 | M6-6gx16.88.35.019 | Болт | |
| 37 | 4598166045 | Шайба 6Т | |
| 38 | МЛ127-3400445 | Трубопровод | |
| 39 | МЛ131-3400020-01 | Рукав | |
| 40 | 354-3400022 | Рукав | |
| 41 | 394-3400090 | Тройник | |
| 42 | 16-25/9-C6W | Хомут «Норма» | |
| 43 | МЛ131-3400065 | Тройник | |
| 44 | 354-3500303Б-05 | Шланг | |
| 45 | Н.036.02.002 | Штуцер | |
| 46 | 12-20/9-C6W | Хомут NORMA TORRO | |
| 47 | 354М1-3400011 | Труба | |
| 48 | 354-3405011-02 | Рукав | |
| 49 | 354-3400345 | Трубопровод |
Содержащиеся в справочниках-каталогах запасные части и детали не предлагаются к продаже, а носят исключительно информационный характер