Каталог запасных частей к технике: МТЗ МЛПТ-354М. Электрооборудование
354М1-3700020
1
2
2
3
3
3
4
5
6
6
6
7
8
9
10
10
10
11
12
13
14
14
15
16
16
16
16
16
17
17
17
18
19
20
21
22
23
24
25
26
27
28
29
30
31
32
32
33
34
35
36
36
37
38
38
39
40
40
41
41
41
42
43
43
44
44
45
46
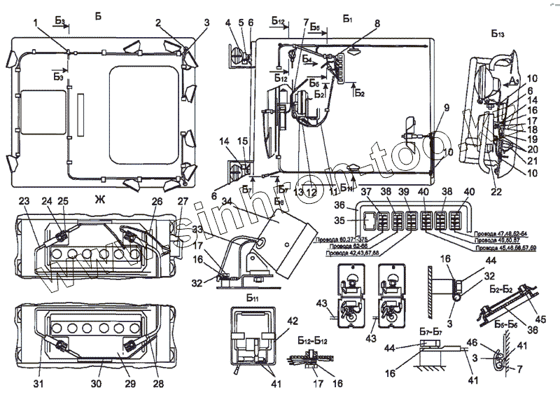
| Позиция на иллюстрации | Заводской номер детали | Название детали | |
|---|---|---|---|
| 354М1-3700020 | 354М1-3700020 | Электрооборудование | |
| 1 | МЛ131-3723061 | Поясок крепления провода | |
| 2 | 70-3723042-02 | Втулка | |
| 2 | 50-3723025 | Втулка защитная | |
| 3 | МЛ131-3724095 | Жгут | |
| 4 | 85-3712045 | Кожух правый | |
| 5 | 85-3712041 | Кронштейн правый | |
| 6 | Л82-3711011 | Кронштейн | |
| 7 | МЛ131-3724065 | Жгут 6 | |
| 8 | МЛ131-3724210 | Жгут 10 | |
| 9 | МЛ131-3724380 | Провод 380 | |
| 10 | 70-3723042-01 | Втулка | |
| 11 | МЛ131-3724120 | Жгут 12 | |
| 12 | Сопротивление 11.3729 | Сопротивление добавочное | |
| 13 | 4x10.019 | Шуруп | |
| 14 | 85-3712045-01 | Кожух левый | |
| 15 | 85-3712041-01 | Кронштейн левый | |
| 16 | 4598166045 | Шайба 6Т | |
| 17 | М6-6gх16.88.35.019 | Болт | |
| 18 | М6-6Н.6.019 | Гайка | |
| 19 | М8-6gх16.88.35.019 | Болт | |
| 20 | 4598166046 | Шайба 8Т | |
| 21 | M8-6gx75.88.35.019 | Болт | |
| 22 | 3703.3712 | Фонарь передний | |
| 23 | 354М-3724130 | Провод 13 | |
| 24 | M8-6gx30.88.35.019 | Болт | |
| 25 | М8-6Н.6.019 | Гайка | |
| 26 | 354М-3724460 | Провод 460 | |
| 27 | 354М-3724550 | Провод 55 | |
| 28 | 354М-3724480 | Провод 480 | |
| 29 | 354М-3703410 | Фонари задние | |
| 30 | 354М-3724475 | Провод 475 | |
| 31 | 354М-3724140 | Провод 14 | |
| 32 | 52.98710-03 | Хомутик | |
| 33 | МЛ131-3724220 | Провод 22 | |
| 34 | 8703.302/1-01 | Фара | |
| 35 | 80-3801327 | Заглушка | |
| 36 | 80-3801342 | Щиток | |
| 37 | П147М-09.09 | Переключатель | |
| 38 | П147M-04.11 | Переключатель | |
| 39 | 650.00.00/R | Выключатель | |
| 40 | П147М-04.29 | Переключатель | |
| 41 | МЛ131-3724185 | Жгут 8 | |
| 42 | 111.3714 | Плафон | |
| 43 | 354-3724005 | Жгут 5 | |
| 44 | М6-6gх12.88.35.019 | Болт ГОСТ 7796-70 | |
| 45 | B.M6-6gx12.58.019 | Винт | |
| 46 | МЛ131-3724045 | Жгут 4 |
Содержащиеся в справочниках-каталогах запасные части и детали не предлагаются к продаже, а носят исключительно информационный характер