Вернуться на главную
Поиск
Каталоги запчастей к технике
Спецтехника
МТЗ
МЛПТ-344
Установка зеркала
Каталог запасных частей к технике: МТЗ МЛПТ-344. Установка зеркала
zoom-in
zoom-out
enlarge
shrink
circle-right
circle-left
file-text2
info
cart
Тип техники
Не выбрано
Легковые автомобили
Грузовые автомобили и прицепы
Автобусы
Сельхозтехника
Спецтехника
Двигатели
Мототехника
Марка
Не выбрано
Ammann
BOMAG
CARMIX
CASE IH
Changlin
ChengGong
Dimex
Doosan
DYNAPAC
Foton
HAMM
Hidromek
Hitachi
Hyundai
JCB
JLG
John Deere
Komatsu
LIEBHERR
LiuGong
Lonking (LongGong)
Luneng
MANITOU
Mitsuber
New Holland
PENGPU
RM-Terex
SANY
SDLG
SEM
Shantui
Shehwa HBXG
Soosan
TIGARBO
VOGELE
Volvo
WAY
WIRTGEN
XCMG
XGMA
Xiamen
YTO
Yuchai
Zoomlion
Автокран
АЗСМ
Алтайлесмаш
Амкодор
АОМЗ
Атек
АТЗ
Балканкар Рекорд
БелАЗ
Беловеж
Борекс
Брянский Арсенал
Булат
ВЭКС
ГАЗ
Геомаш
Гидромаш
Донекс
Дормаш
Дормашина
Дорэлектромаш
ДЭЗ
ЕлАЗ
ЗЗГТ
Ижнефтемаш
Канаш-электрокар
КЗКТ
ККЗ
Клевер
Клинцовский автокрановый завод
КМЗ
КМЗ 1 Мая
Ковровец
Коммаш
Кранэкс
КЭЗ
КЭМЗ
ЛЗА
МАЗ
МЗИК
МЗКМ
МЗКТ
Михневский РМЗ
МоАЗ
Мозырский МЗ
МТЗ
ОЗП
Онежец
ПАО "ТЗА"
ППС Детва
Промтрактор
ПТЗ
Раскат
СпецАгрегат
ТВЭКС
ТТМ
УВЗ
Угличмаш
УЗТМ
ХТЗ
ЧЗКМ
ЧСДМ
ЧТЗ
ЭКСКО
ЭКСМАШ
ЮрМаш
Модель
Не выбрано
1502 (2012)
БЕЛАРУС 1502 (2015)
БЕЛАРУС 1502 (2017)
БЕЛАРУС МПТ-461.1 (2015)
КРМ-2 (САЗ) (2015)
М75-04 (2010)
МЛ-131 (2008)
МЛПТ-344 (2011)
МЛПТ-354М (2008)
МПТ-461.1 (2010)
МР-40-01 (2010)
МТЗ-320 МК (2010)
МУП-351 (2010)
ОБ-12 (САЗ) (2015)
ТТР-401М (2010)
Ш-353М (2015)
ЩК-00.010-М (САЗ) (2015)
ЩК-1 (САЗ) (2015)
Схема
>
Не выбрано
Машина лесная погрузочно-транспортная «БЕЛАРУС» МЛПТ-344,Схема деления машины на составные части
Трансмиссия
Коробка передач
Гидроцилиндр
Блок моторно-трансмиссионный
Полурама
Система подогрева
Система топливная
Управление подачей топлива
Система очистки воздуха
Глушитель
Блок охлаждения
Охлаждение надувочного воздуха
Корпус сцепления
Управление сцеплением
Гидроусилитель
Цилиндр рабочий
Цилиндр главный
Коробка передач – Корпус
Коробка передач – Вал первичный. Узел передач. Синхронизатор
Коробка передач – Вал вторичный. Вал. Гнездо
Коробка передач – Вал промежуточный. Шестерня
Коробка передач – Вал пониженных передач. Вал. Стакан
Коробка передач – Механизм управления. Корпус. Вилка. Ограничитель
Коробка передач – Привод насоса
Привод дублированный переключения передач
Редуктор
Привод моста заднего. Шарнир двойной
Установка моста заднего
Мост задний
Вал-шестерня
Мост задний
Дифференциал. Стаканы
Дифференциал. Корпус дифференциала
Муфта блокировки. Переходник
Передача конечная
Передача конечная
Редуктор планетарный
Ступица
Крышка подшипника
Соединение полурам. Установка датчика. Стопор
Полурама передняя
Рама задняя с шарниром
Рама задняя
Установка колес
Гидропривод
Установка распределителя
Колодка
Привод насоса
Бак
Фильтр
Клапан электромагнитный
Гидроцилиндр
Клапан предохранительный
Клапан предохранительный
Колонка рулевая
Колонка рулевая с откидным колесом
Система управления тормозами
Тормоз
Управление стояночным тормозом
Регулятор давления
Электрооборудование фар дорожных и фонарей передних
Электрооборудование двигателя
Электрооборудование трансмиссии
Электрооборудование кабины
Электрооборудование фонарей задних
Электрооборудование АКБ
Электрооборудование кондиционера
Электрооборудование фар рабочих
Электрооборудование гидросистемы и манипулятора
Электрооборудование
Электрооборудование системы подогрева
Щиток приборов. Панели. Основание. Крышка
Панель центральная
Панель управления
Панель
Блок аппаратуры
Кабина
Кран
Стеклоомыватель
Установка кабины
Установка панелей
Установка панелей щитка приборов
Двери. Запорные устройства дверей
Сиденье
Установка сидений. Сиденье
Подвеска
Сиденье
Сиденье дополнительное
Система кондиционирования
Установка отопителя-охладителя
Панель. Козырек
Конденсатор кондиционера
Компрессор кондиционера
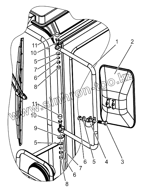
Установка зеркала
Зеркало
Установка зеркала
Облицовка. Установка боковин
Установка ограждения
Управление БД и ПЗМ. Панель
Оборудование грузоподъемное
Управление приводом насоса
Установка огнетушителя
Аптечка
1
2
3
4
5
5
5
6
6
6
7
7
8
8
9
10
10
11
11
Позиция на иллюстрации
Заводской номер детали
Название детали
80-8201005
80-8201005
Установка зеркала
1
80-8201106-Б
Труба
2
80-8201055
Зеркало
3
M8-6gx40.88.35.019
Болт
4
А30.04.051
Хомут
5
С.8.01.019
Шайба
6
М8-6Н.6.019
Гайка
7
4598166046
Шайба 8Т
8
А30.04.017-02
Колпачок
9
80-8201107
Шайба
10
M8-6gx20.88.35.019
Болт
11
А30.04.017-01
Колпачок
Содержащиеся в справочниках-каталогах запасные части и детали не предлагаются к продаже, а носят исключительно информационный характер
Дополнительная информация
×
Название:
Номер:
Примечание: