Каталог запасных частей к технике: МТЗ МЛПТ-344. Облицовка. Установка боковин
1
2
3
4
4
4
4
4
5
5
5
5
5
5
6
6
6
6
7
8
9
10
11
11
12
12
13
13
13
13
14
14
15
16
16
17
18
19
20
21
21
21
22
23
24
25
26
26
27
28
29
30
31
32
33
34
35
36
37
38
39
40
41
42
43
44
45
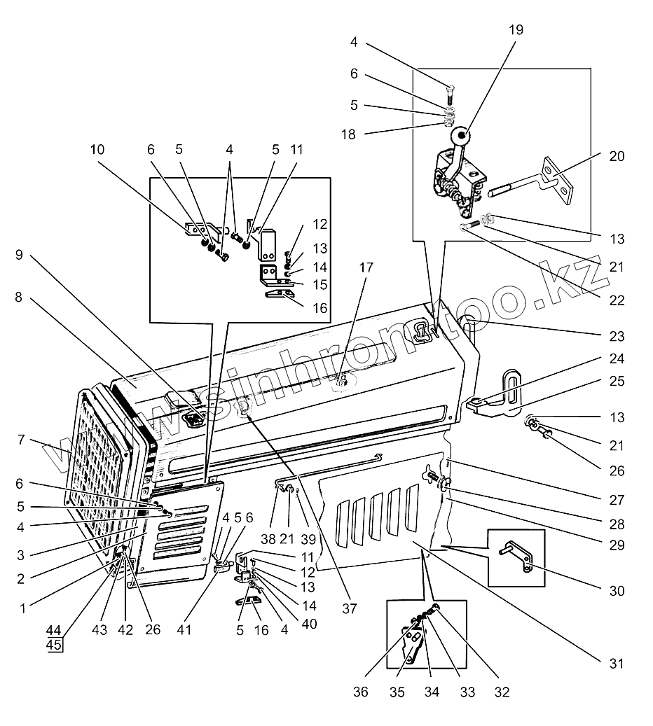
| Позиция на иллюстрации | Заводской номер детали | Название детали | |
|---|---|---|---|
| 344-8402100-Б | 344-8402100-Б | Установка боковин | |
| 344-8400010-Б | 344-8400010-Б | Облицовка | |
| 1 | М10-6gх20.88.35.019 | Болт | |
| 2 | МЛ127-8402025 | Боковина | |
| 3 | МЛ127-8402025-01 | Боковина | |
| 4 | М6-6gх16.88.35.019 | Болт | |
| 5 | 4598166045 | Шайба 6Т | |
| 6 | С.6.01.019 | Шайба | |
| 7 | МЛ131-8401005 | Ограждение | |
| 8 | 344-8402020-Б | Капот | |
| 9 | 90-8400012-Б | Кронштейн | |
| 10 | 90-8401050 | Кронштейн правый | |
| 11 | 90-8402075 | Фиксатор | |
| 12 | М8-6gх30.88.35.019 | Болт | |
| 13 | 4598166046 | Шайба 8Т | |
| 14 | 354-8402102 | Шайба | |
| 15 | 90-8401031 | Кронштейн левый | |
| 16 | МЛ127-8402102 | Пластина | |
| 17 | 90-8400021 | Зажим | |
| 18 | М6-6Н.6.019 | Гайка | |
| 19 | 80-8402410 | Замок | |
| 20 | 344-8402015 | Кронштейн | |
| 21 | С.8.01.019 | Шайба | |
| 22 | М8-6gх16.88.35.019 | Болт | |
| 23 | 344-8400013-Б | Кронштейн | |
| 24 | 500А-8507096 | Заглушка | |
| 25 | 344-8400013-Б-01 | Кронштейн | |
| 26 | М8-6gх20.88.35.019 | Болт | |
| 27 | 2x16.019 | Шплинт | |
| 28 | МЛ131-8402140 | Зажим | |
| 29 | 344-8402110-Б | Боковина | |
| 30 | 344-8402120-Б | Опора | |
| 31 | 344-8402105-Б | Боковина | |
| 32 | М12-6gх65.88.35.019 | Болт | |
| 33 | С.12.01.019 | Шайба | |
| 34 | 4598166068 | Шайба 12ОТ | |
| 35 | 344-8402115-Б | Опора | |
| 36 | М12-6Н.6.019 | Гайка | |
| 37 | 90-8400070 | Тяга | |
| 38 | 549А-1305044 | Кольцо | |
| 39 | 3,2x25.019 | Шплинт | |
| 40 | 90-8401050-01 | Кронштейн левый | |
| 41 | 90-8401031-01 | Кронштейн правый | |
| 42 | С.10.01.019 | Шайба | |
| 43 | 4598166067 | Шайба 10ОТ | |
| 44 | 344-2701133 | Платик | |
| 45 | 344-2701133-01 | Платик |
Содержащиеся в справочниках-каталогах запасные части и детали не предлагаются к продаже, а носят исключительно информационный характер