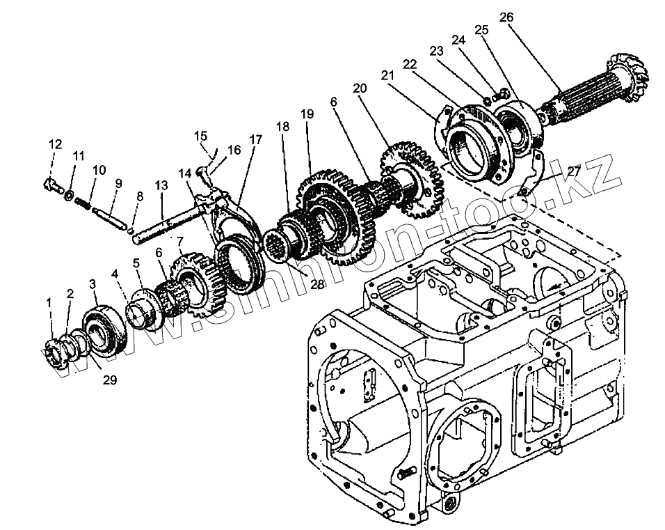
Каталог запасных частей к технике: МТЗ МЛПТ-344. Коробка передач – Вал вторичный. Вал. Гнездо
1
2
3
4
5
6
6
7
8
9
10
11
12
13
14
15
16
17
18
19
20
21
22
22
23
24
25
26
27
28
29
| Позиция на иллюстрации | Заводской номер детали | Название детали | |
|---|---|---|---|
| 1522-1701050 | 1522-1701050 | Вал | |
| МЛ131-1700010-01 | МЛ131-1700010-01 | Коробка передач | |
| 1 | 80-1701045 | Гайка | |
| 2 | 1522-1701354 | Шайба | |
| 3 | 67512А | Подшипник | |
| 4 | 80-1701044 | Стопор | |
| 5 | 1522-1701353 | Втулка | |
| 6 | 66471Е | Подшипник | |
| 7 | 1522-1701314 | Шестерня | |
| 8 | 10,0-60 | Шарик ГОСТ 3722-81 | |
| 9 | 85-1702048 | Штифт | |
| 10 | 50-1702148А | Пружина | |
| 11 | 85-1702051 | Шайба | |
| 12 | M12-6gx25.88.35.019 | Болт | |
| 13 | 1522-1702037 | Поводок | |
| 14 | 112-1701316 | Муфта | |
| 15 | 1,6-0-С | Проволока | |
| 16 | 80-1702108 | Болт | |
| 17 | 85-1702029Б | Вилка | |
| 18 | 1522-1701348 | Втулка | |
| 19 | 1522-1701312 | Шестерня | |
| 20 | 1522-1701313 | Шестерня | |
| 21 | 50-1701258 | Прокладка регулировочная 0,2 мм | |
| 22 | 80-1701140-Б | Гнездо | |
| 22 | 80-1701141Б | Гнездо | |
| 23 | 4598166067 | Шайба 10ОТ | |
| 24 | M10-6gx30.88.35.019 | Болт | |
| 25 | 7712А | Подшипник | |
| 26 | 1522-1701252-В | Вал | |
| 27 | 50-1701259 | Прокладка регулировочная 0,5 мм | |
| 28 | 1522-14701349 | Втулка | |
| 29 | 1522-1701254 | Шайба 0,2 мм |
Содержащиеся в справочниках-каталогах запасные части и детали не предлагаются к продаже, а носят исключительно информационный характер