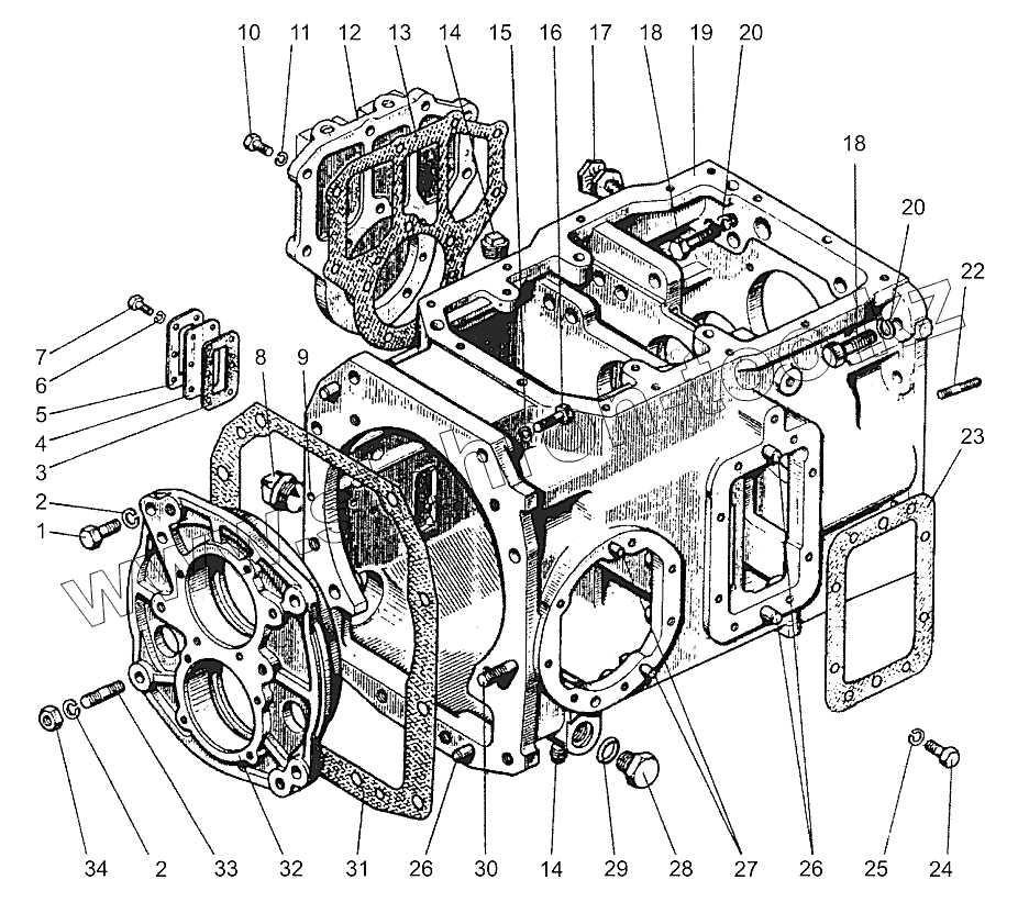
Каталог запасных частей к технике: МТЗ МЛПТ-344. Коробка передач – Корпус
1
2
2
3
4
5
6
7
8
9
10
11
12
13
14
14
15
16
17
18
18
19
20
20
22
23
24
25
26
26
27
28
29
30
31
32
33
34
| Позиция на иллюстрации | Заводской номер детали | Название детали | |
|---|---|---|---|
| МЛ131-1700010-01 | МЛ131-1700010-01 | Коробка передач | |
| 1 | M16-6gx45.88.35.019 | Болт | |
| 2 | 4598166070 | Шайба 16ОТ | |
| 3 | 85-4608086-А | Прокладка | |
| 4 | 85-4608087 | Указатель | |
| 5 | 85-4608088 | Пластина | |
| 6 | 4598166045 | Шайба 6Т | |
| 7 | M6-6gx16.88.35.019 | Болт | |
| 8 | 70-1701300 | Пробка | |
| 9 | 10,0-60 | Шарик ГОСТ 3722-81 | |
| 10 | M10-6gx30.88.35.019 | Болт | |
| 11 | 4598166067 | Шайба 10ОТ | |
| 12 | 1221-1802016 | Крышка | |
| 13 | 80-1701399-Б | Прокладка | |
| 14 | ПК2-КГ3/8 | Пробка | |
| 15 | 4598166072 | Шайба 20ОТ | |
| 16 | 70-4605038 | Болт | |
| 17 | 50-1002318-Б | Рым | |
| 18 | 1221-2401011-01 | Болт М18х60 | |
| 19 | 80С-1702080 | Корпус в сборе | |
| 20 | С.18.01.019 | Шайба | |
| 22 | 1522-1701525 | Шпилька | |
| 23 | 50-1701456-А | Прокладка | |
| 24 | M12-6gx30.88.35.019 | Болт | |
| 25 | 12.01.016 | Шайба | |
| 26 | ШЦК10x36 | Штифт | |
| 27 | ШЦК10x36 | Штифт | |
| 28 | 80-4608021 | Заглушка | |
| 29 | 027-032-30-1-4 | Кольцо | |
| 30 | 80-1701525 | Шпилька | |
| 31 | 80-1701026 | Прокладка | |
| 32 | 80-1701034-01 | Стакан | |
| 33 | 80-1701204 | Шпилька | |
| 34 | M16-6H.6.019 | Гайка |
Содержащиеся в справочниках-каталогах запасные части и детали не предлагаются к продаже, а носят исключительно информационный характер