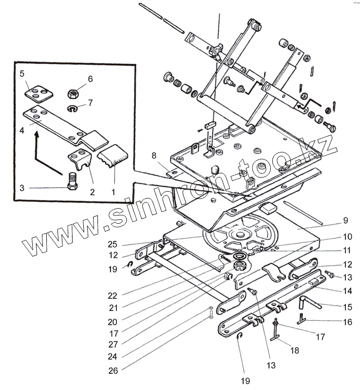
Каталог запасных частей к технике: МТЗ МЛ-131. Сиденье оператора (механизм реверса)
1
2
3
4
5
6
7
8
9
10
11
12
12
13
13
14
15
16
17
17
18
19
19
20
21
22
24
25
26
27
| Позиция на иллюстрации | Заводской номер детали | Название детали | |
|---|---|---|---|
| 1 | 80В-6804066 | Накладка | |
| 2 | 1522-6807101 | Стопор | |
| 3 | M6-6gx14.88.35.019 | Болт | |
| 4 | 80В-6807009Б | Рычаг | |
| 5 | 80В-6804014 | Накладка | |
| 6 | М6-6Н.6.019 | Гайка | |
| 7 | 4598166045 | Шайба 6Т | |
| 8 | 1522-6807160 | Панель | |
| 9 | 2522-6807120 | Панель | |
| 10 | 15,081 | Шарик | |
| 11 | 80-1716041 | Пружина | |
| 12 | 2522-6807040 | Шатун | |
| 13 | 2522-6807001 | Ось | |
| 14 | 2522-6807010(-01) | Кронштейн | |
| 15 | 80В-6807040 | Зажим | |
| 16 | 80В-6807050 | Винт | |
| 17 | M10-6Н.6.019 | Гайка | |
| 18 | 1522-6807150 | Винт | |
| 19 | 70-6801307 | Шайба | |
| 20 | А04.02.020 | Гайка | |
| 21 | 27 | Шайба 27 | |
| 22 | 5x45.019 | Шплинт | |
| 24 | 4598166046 | Шайба 8Т | |
| 25 | 80В-6807070 | Диск | |
| 26 | M8-6gx20.88.35.019 | Болт | |
| 27 | 916011 | Шайба 10ОТ |
Содержащиеся в справочниках-каталогах запасные части и детали не предлагаются к продаже, а носят исключительно информационный характер