Каталог запасных частей к технике: МТЗ МЛ-131. Рама передняя
МЛ131-2701100-01
1
2
3
3
4
4
5
6
7
8
9
9
9
9
10
10
10
10
11
12
12
13
13
13
14
14
15
15
16
17
18
19
20
21
22
23
24
25
26
27
28
29
30
31
32
33
34
35
36
37
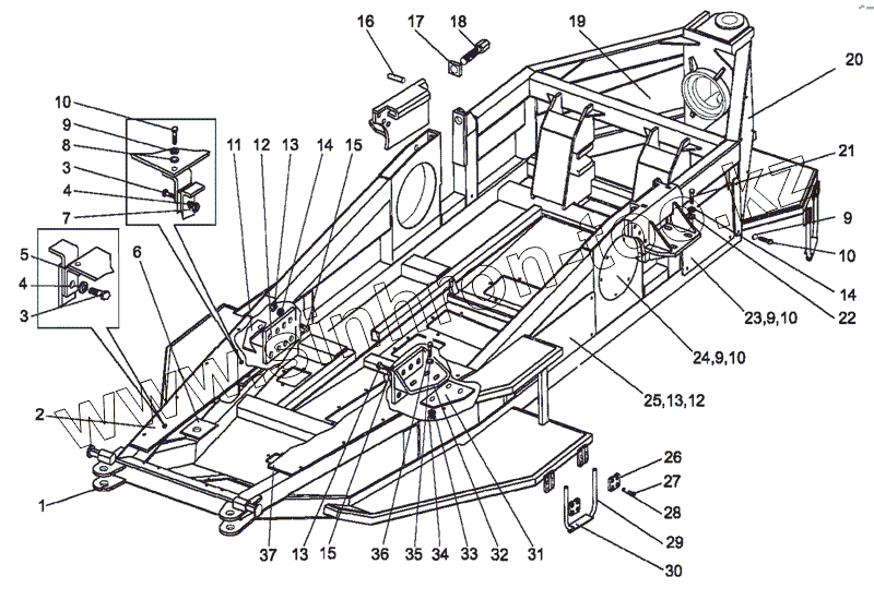
| Позиция на иллюстрации | Заводской номер детали | Название детали | |
|---|---|---|---|
| МЛ131-2701100-01 | МЛ131-2701100-01 | Полурама передняя | |
| 1 | МЛ131-2701105-Б | Полурама передняя сварная | |
| 2 | МЛ131-2701252 | Полик | |
| 3 | M16-6gx45.88.35.019 | Болт | |
| 4 | 4598166070 | Шайба 16ОТ | |
| 5 | МЛ131-2701253 | Уголок | |
| 6 | МЛ131-2701254 | Прокладка | |
| 7 | M16-6Н.5.019 | Гайка | |
| 8 | С8.01.019 | Шайба | |
| 9 | 4598166046 | Шайба 8Т | |
| 10 | M8-6gx14.88.35.019 | Болт | |
| 11 | 354-2701104-01 | Прокладка | |
| 12 | 354-2701110-А-01 | Опора | |
| 13 | M16-6Н.6.019 | Гайка | |
| 14 | 4598166070 | Шайба 16ОТ | |
| 15 | M16-6gx40.88.35.019 | Болт | |
| 16 | 354-2701119 | Втулка | |
| 17 | 354-2701133 | Шайба | |
| 18 | 354-2701101-Б | Болт | |
| 19 | МЛ131-2701179-01 | Крышка | |
| 20 | МЛ131-2701179 | Крышка | |
| 21 | M16-6gx45.88.35.019 | Болт | |
| 22 | 354-2400003 | Шайба | |
| 23 | 354-2701277 | Крышка | |
| 24 | 354-2701278 | Крышка | |
| 25 | МЛ131-2701176 | Крышка | |
| 26 | 354-2701114 | Крышка | |
| 27 | M12-6gx30.88.35.019 | Болт | |
| 28 | 4598166068 | Шайба 12ОТ | |
| 29 | МЛ131-2701118 | Канат 18,0-Г-В-С-Н-1568 | |
| 30 | 354-2701115 | Подножка | |
| 31 | 354-2701104 | Прокладка | |
| 32 | 354-2701110-А | Опора | |
| 33 | 4598166072 | Шайба 20ОТ | |
| 34 | М20-6Н.6.019 | Гайка | |
| 35 | 354-2400003-01 | Шайба | |
| 36 | M20-gx60.88.35.019 | Болт | |
| 37 | МЛ131-2701251 | Полик |
Содержащиеся в справочниках-каталогах запасные части и детали не предлагаются к продаже, а носят исключительно информационный характер