Каталог запасных частей к технике: МТЗ МЛ-131. Привод моста заднего
1
1
1
1
2
2
2
2
3
3
3
3
4
5
6
7
8
9
9
10
11
12
13
14
15
16
17
18
18
19
20
21
22
23
24
25
26
27
28
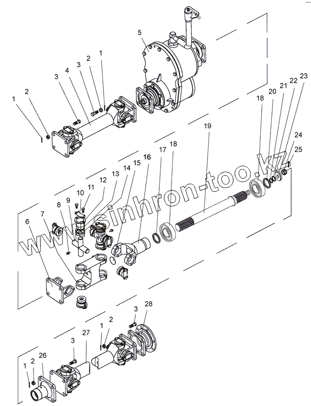
| Позиция на иллюстрации | Заводской номер детали | Название детали | |
|---|---|---|---|
| 1 | 3,2x32.019 | Шплинт | |
| 2 | 354-2201015 | Гайка | |
| 3 | 354-2201016 | Болт | |
| 4 | МЛ131-2201150 | Вал карданный | |
| 5 | МЛ131-1802010 | Редуктор | |
| 6 | 130-2201023 | Вилка-фланец | |
| 7 | МЛ127-2201062 | Вилка двойного шарнира | |
| 8 | 1.1Ц6 | Масленка | |
| 9 | 130-2201025-02 | Крестовина | |
| 9 | 130-2201-025-02 | Крестовина | |
| 10 | 120-2201051 | Пластина-замок | |
| 11 | M8-6gx16.88.35.019 | Болт | |
| 12 | 431410-2201050 | Пластина опорная подшипника | |
| 13 | 6914111 | Подшипник У-804805К1 | |
| 14 | 130-2201043 | Уплотнение торцевое | |
| 15 | 60-08.Ц9.хр | Заглушка | |
| 16 | МЛ127-2201063 | Вилка скользящая | |
| 17 | МЛ127-2201021 | Сальник | |
| 18 | МЛ127-2201019 | Обойма | |
| 19 | МЛ131-20704026 | Вал | |
| 20 | 354-2201022-01 | Манжета | |
| 21 | 50-1003107 | Кольцо | |
| 22 | 059-065-36-2-2 | Кольцо | |
| 23 | МЛ127-1802058 | Шайба | |
| 24 | М18х1,5-6Н.04.019 | Гайка | |
| 25 | 4x32.019 | Шплинт | |
| 26 | МЛ127-1802112 | Фланец | |
| 27 | МЛ131-2201100 | Вал карданный | |
| 28 | МЛ131-2201011-Б | Переходник |
Содержащиеся в справочниках-каталогах запасные части и детали не предлагаются к продаже, а носят исключительно информационный характер