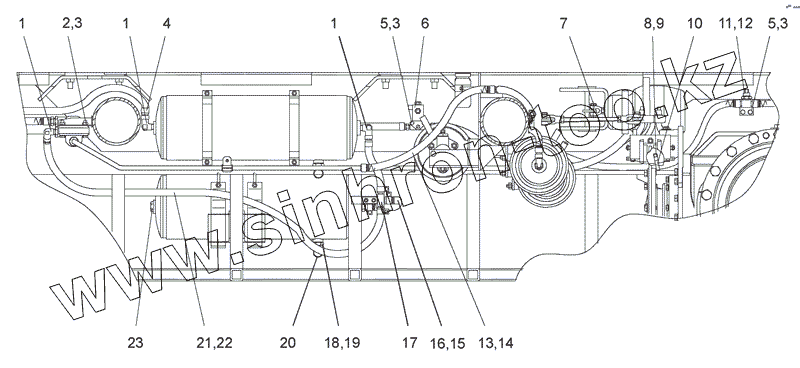
Каталог запасных частей к технике: МТЗ МЛ-131. Пневмопривод
1
1
1
2
3
3
3
4
5
5
6
7
8
9
10
11
12
13
14
15
16
17
18
19
20
21
22
23
| Позиция на иллюстрации | Заводской номер детали | Название детали | |
|---|---|---|---|
| 1 | 70-3513015 | Угольник | |
| 2 | М8-6Н.6.019 | Гайка | |
| 3 | 4598166046 | Шайба 8Т | |
| 4 | ХС-21 | Хомут | |
| 5 | M8-6gx16.88.35.019 | Болт | |
| 6 | КЭМ.27 | Клапан | |
| 7 | 50-3502203 | Вилка | |
| 8 | M6-6gx12.88.35.019 | Болт | |
| 9 | 4598166045 | Шайба 6Т | |
| 10 | 52.98.710-14 | Хомутик | |
| 11 | Ал.12x18x1,5МНЗ138-62 | Прокладка | |
| 12 | ММ125-Д | Выключатель пневматический сигнала торможения | |
| 13 | 354-3500303-Б-05 | Шланг | |
| 14 | 354-3500309-Б-04 | Оболочка | |
| 15 | 354-3500303-Б-02 | Шланг | |
| 16 | 354-3500309-Б-02 | Оболочка | |
| 17 | МЛ131-3500040 | Распределитель | |
| 18 | 85-3513110 | Клапан в сборе | |
| 19 | В50-3522023 | Прокладка | |
| 20 | Н50-4202146 | Кольцо | |
| 21 | 354-3500303-Б-06 | Шланг | |
| 22 | 354-3500309-Б-05 | Оболочка | |
| 23 | 354-3500003-Б | Болт зажимной |
Содержащиеся в справочниках-каталогах запасные части и детали не предлагаются к продаже, а носят исключительно информационный характер