Каталог запасных частей к технике: МТЗ МЛ-131. Облицовка
1
2
3
4
5
6
7
7
7
8
8
8
9
9
9
10
11
12
13
13
13
14
14
14
15
15
15
16
16
17
18
19
20
21
21
22
23
24
25
25
26
27
27
28
29
30
31
32
33
34
34
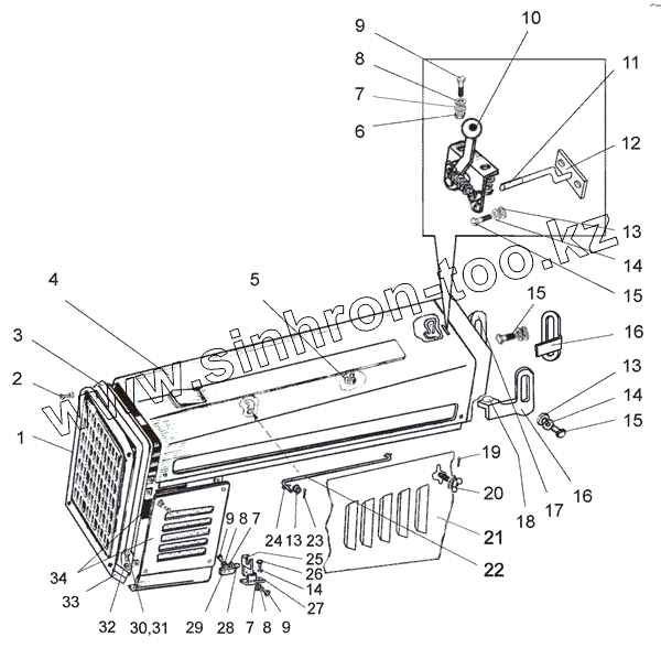
| Позиция на иллюстрации | Заводской номер детали | Название детали | |
|---|---|---|---|
| 1 | МЛ131-8401010 | Ограждение | |
| 2 | M8-6gx16.58.019 | Винт | |
| 3 | МШ31-8401015 | Рамка | |
| 4 | МЛ131-8402020 | Капот | |
| 5 | 70-3801629 | Зажим | |
| 6 | М6х6Н.6.019 | Гайка | |
| 7 | С6.01.019 | Шайба | |
| 8 | 4598166045 | Шайба 6Т | |
| 9 | M6-6gx16.88.35.019 | Болт | |
| 10 | 90-8402410 | Замок левый | |
| 11 | 354-8402018 | Втулка | |
| 12 | МЛ131-8402015-Б | Кронштейн | |
| 13 | С8.01.019 | Шайба | |
| 14 | 4598166046 | Шайба 8Т | |
| 15 | M8-6gx16.88.35.019 | Болт | |
| 16 | МЛ131-8400011-Б | Кронштейн | |
| 17 | МЛ131-8400011-Б-01 | Кронштейн | |
| 18 | 500А-8507096 | Заглушка | |
| 19 | 2x16.019 | Шплинт | |
| 20 | МЛ131-8402140 | Зажим | |
| 21 | МЛ131-8402110-Б | Боковина | |
| 21 | МЛ131-8402105-Б | Боковина | |
| 22 | 90-8400070 | Тяга | |
| 23 | ГОСТ397-79 | Шплинт 3.2x18.019 | |
| 24 | 549А-1305044 | Кольцо | |
| 25 | 90-8401050 | Кронштейн правый | |
| 25 | 90-8401050-01 | Кронштейн левый | |
| 26 | M8-6gx30.88.35.019 | Болт | |
| 27 | 90-8401031-01 | Кронштейн правый | |
| 27 | 90-8401031 | Кронштейн левый | |
| 28 | 90-8460056 | Втулка | |
| 29 | 90-8402075 | Фиксатор | |
| 30 | M10-6gx35.88.35.019 | Болт | |
| 31 | 4598166067 | Шайба 10ОТ | |
| 32 | С10.01.019 | Шайба | |
| 33 | МЛ131-8400012-Б | Кронштейн | |
| 34 | 90-8402025 | Боковина | |
| 34 | 90-8402025-01 | Боковина |
Содержащиеся в справочниках-каталогах запасные части и детали не предлагаются к продаже, а носят исключительно информационный характер