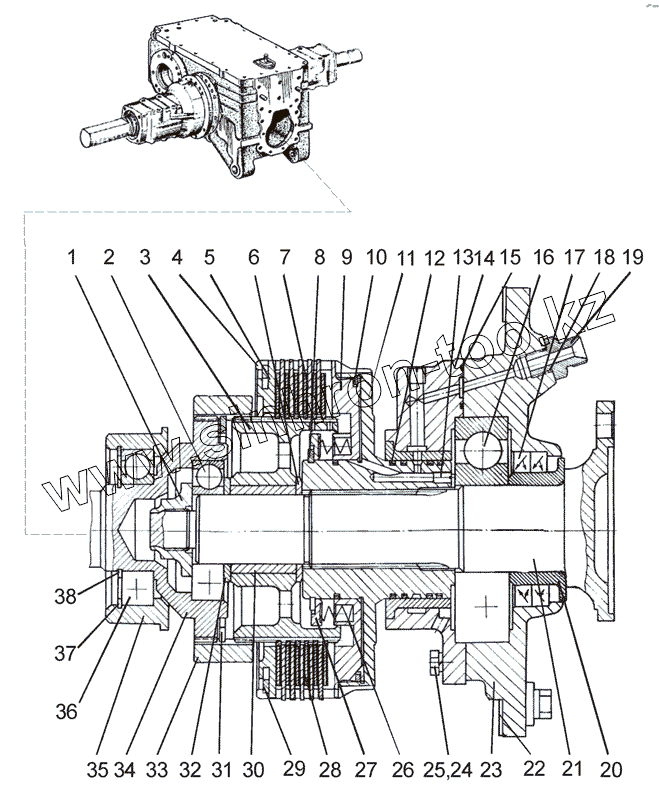
Каталог запасных частей к технике: МТЗ МЛ-131. Фрикцион включения заднего моста
1
2
3
4
5
6
7
8
9
10
11
12
13
14
15
16
17
18
19
20
21
22
23
24
25
26
27
28
29
30
31
32
33
34
35
36
37
38
| Позиция на иллюстрации | Заводской номер детали | Название детали | |
|---|---|---|---|
| 1 | 70-4202083-А | Гайка | |
| 2 | 208А | Подшипник | |
| 3 | МЛ131-4202062 | Муфта | |
| 4 | МЛ131-4202040-Б | Фрикцион | |
| 5 | 80-1701379 | Диск упорный | |
| 6 | МЛ131-4202024 | Шайба | |
| 7 | 80-1701384 | Диск ведущий | |
| 8 | С80 | Кольцо | |
| 9 | 80-1701374-01 | Поршень | |
| 10 | 80-1701382 | Кольцо | |
| 11 | МЛ131-4202041-Б | Барабан | |
| 12 | 142-1701381 | Кольцо | |
| 13 | МЛ131-4202063 | Заглушка | |
| 14 | МЛ131-4202070 | Крышка | |
| 15 | 021-025-25-2-2 | Кольцо | |
| 16 | 410А | Подшипник | |
| 17 | 2.2-65x90-1 | Манжета | |
| 18 | 011-014-19-1-4 | Кольцо | |
| 19 | МЛ131-4202028 | Штуцер ввертной | |
| 20 | МЛ131-4202027 | Втулка | |
| 21 | МЛ131-4202021-Б | Вал | |
| 22 | МЛ131-4201103 | Прокладка | |
| 23 | МЛ131-4202042-Б | Крышка | |
| 24 | M10-6gx30.88.35.019 | Болт | |
| 25 | 916011 | Шайба 10ОТ | |
| 26 | 80-1701395 | Пружина | |
| 27 | 80-1701373 | Опора | |
| 28 | 80-1701375 | Диск ведомый | |
| 29 | 80-1701392-А | Кольцо | |
| 30 | МЛ131-4202022 | Втулка | |
| 31 | С125 | Кольцо | |
| 32 | МЛ131-4202024 | Шайба | |
| 33 | МЛ131-4202011 | Муфта | |
| 34 | МЛ131-4202051 | Вал | |
| 35 | МЛ131-4202052 | Стакан | |
| 36 | 210А | Подшипник | |
| 37 | 2С50 | Кольцо | |
| 38 | 2С90 | Кольцо |
Содержащиеся в справочниках-каталогах запасные части и детали не предлагаются к продаже, а носят исключительно информационный характер