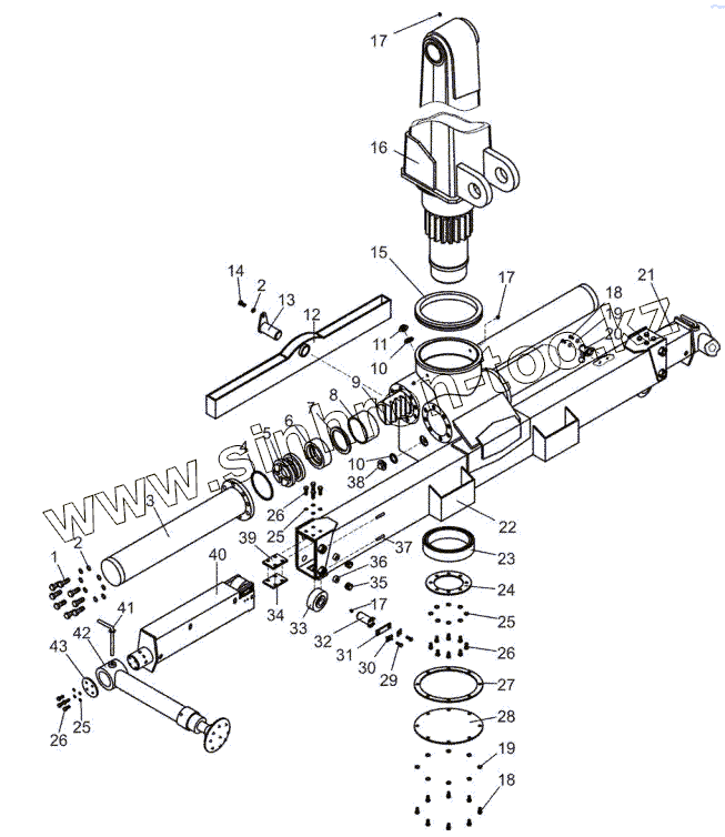
Каталог запасных частей к технике: МТЗ М75-04. Устройство опорно-поворотное
М75-04.0101100
1
2
2
3
4
5
6
7
8
9
10
10
11
12
13
14
15
16
17
17
17
18
18
19
19
20
21
22
23
24
25
25
25
26
26
26
27
28
29
30
31
32
33
34
35
36
37
38
39
40
41
42
43
| Позиция на иллюстрации | Заводской номер детали | Название детали | |
|---|---|---|---|
| М75-04.0101100 | М75-04.0101100 | Устройство опорно-поворотное | |
| 1 | М75-01.01.102-1 | Болт | |
| 2 | 4598166070 | Шайба 16ОТ | |
| 3 | М75-04.0101110 | Корпус цилиндра | |
| 4 | Кольцо 115-125-58-2-2 | Кольцо 115-125-58-2-2 | |
| 5 | М75-01.01.103-01 | Поршень | |
| 6 | DBM 393295 | Уплотнение поршневое | |
| 7 | I/DWR100 | Кольцо опорное I/DWR 100 | |
| 8 | М75-01.01.101-01 | Подшипник | |
| 9 | ЛВ-203.01.002 | Шток-рейка | |
| 10 | 027-032-30-1-4 | Кольцо | |
| 11 | У459.034-01 | Заглушка | |
| 12 | М75-01.00.050-1 | Балка | |
| 13 | М75-01.00.100 | Ось | |
| 14 | М16-6gx25.88.35.019 | Болт М16-6gx25.88.35.019 | |
| 15 | М75-01.01.019-1 | Пыльник | |
| 16 | М75-04.0101200 | Колонна | |
| 17 | 1.2.Ц6 | Масленка | |
| 18 | М8-6gx16.88.35.019 | Болт | |
| 19 | 4598166046 | Шайба 8Т | |
| 20 | ЛВ-203.01.680 | Фиксатор | |
| 21 | ЛВ-203.01.500 | Балка правая | |
| 22 | М75-04.0101130 | Остов | |
| 23 | 3003130 | Подшипник 3003130 | |
| 24 | М75-04.0101101 | Шайба | |
| 25 | 4598166067 | Шайба 10ОТ | |
| 26 | М10-6gx30.88.35.019 | Болт | |
| 27 | М75-01.01.023 | Прокладка | |
| 28 | М75-01.01.018-1 | Крышка | |
| 29 | М6-6gx16.88.35.019 | Болт | |
| 30 | ЛВ-203.01.023 | Шайба | |
| 31 | ЛВ-203.01.022 | Планка | |
| 32 | ЛВ-203.01.021 | Ось | |
| 33 | ЛВ-203.01.412 | Ролик | |
| 34 | ЛВ-203.01.028 | Вкладыш | |
| 35 | ЛВ-203.01.025 | Пробка | |
| 36 | М75-04.0102109 | Вкладыш | |
| 37 | 5x63.019 | Шплинт | |
| 38 | М90-01.01.400 | Пробка | |
| 39 | ЛВ-203.01.026 | Прокладка | |
| 40 | ЛВ-203.01.400 | Балка левая | |
| 41 | М75-01.01.390 | Палец | |
| 42 | ЛВ-203А.12.00.000 | Опора | |
| 43 | М75-01.01.017 | Крышка |
Содержащиеся в справочниках-каталогах запасные части и детали не предлагаются к продаже, а носят исключительно информационный характер