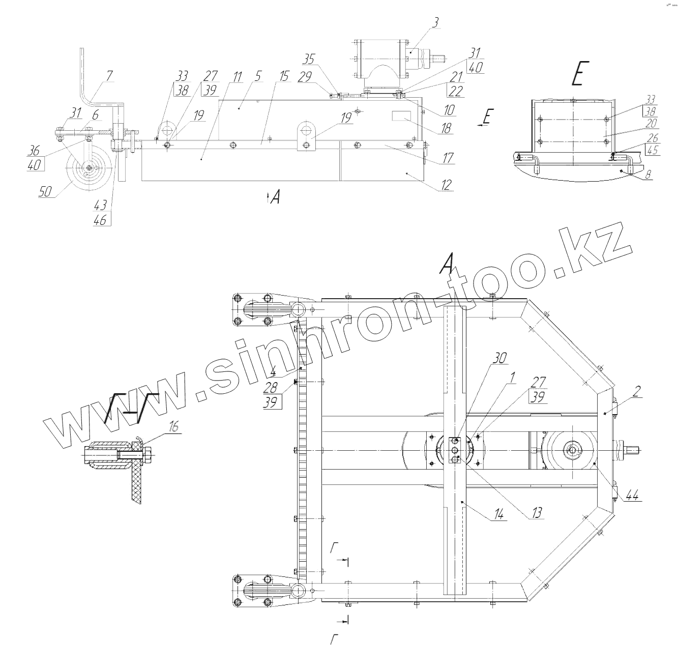
Каталог запасных частей к технике: МТЗ КРМ-2 (САЗ). Косилка роторная КРМ-2
1
2
3
4
5
6
7
8
10
11
12
13
14
15
16
17
18
19
19
20
21
22
26
27
27
28
29
30
31
31
33
33
35
36
38
38
39
39
39
40
40
43
44
45
46
50
| Позиция на иллюстрации | Заводской номер детали | Название детали | |
|---|---|---|---|
| КРМ2-00.000 | КРМ2-00.000 | Косилка роторная КРМ-2 | |
| 1 | КРМ2-01.000 | Привод | |
| 2 | КРМ2-02.000 | Рама | |
| 3 | КРМ2-03.000 | Редуктор | |
| 4 | КРМ2-04.000 | Гребенка | |
| 5 | КРМ2-05.000 | Кожух | |
| 6 | КРМ2-06.000 | Опора | |
| 7 | КРМ2-07.000 | Рукоятка | |
| 8 | КРМ2-08.000 | Кожух | |
| 10 | КРМ2-00.001 | Планка | |
| 11 | КРМ2-00.002 | Пластина | |
| 12 | КРМ2-00.003 | Пластина | |
| 13 | КРМ2-00.004 | Пластина стопорная | |
| 14 | КРМ2-00.005 | Нож | |
| 15 | КРМ2-00.006 | Прижим | |
| 16 | КРМ2-00.006-01 | Прижим | |
| 17 | КРМ2-00.007 | Прижим | |
| 18 | КРМ2-00.008 | Табличка | |
| 19 | КРМ2-00.009 | Пластина | |
| 20 | КРМ2-00.010 | Пластина | |
| 21 | КРМ2-00.011 | Прокладка регулировочная | |
| 22 | КРМ2-00.011-01 | Прокладка регулировочная | |
| 26 | П05-8500012 | Шайба | |
| 27 | С00089 | Болт | |
| 28 | С00094 | Болт | |
| 29 | С00097 | Болт | |
| 30 | С00030 | Болт | |
| 31 | С00034 | Болт | |
| 33 | С00209 | Винт | |
| 35 | 913025 | Гайка М8-6Н.6.019 | |
| 36 | 913035 | Гайка | |
| 38 | 916007 | Шайба 6Т | |
| 39 | 916009 | Шайба 8Т | |
| 40 | 916011 | Шайба 10ОТ | |
| 43 | 916073 | Шайба | |
| 44 | А-1000 | Ремень | |
| 45 | 917106 | Шплинт | |
| 46 | 917113 | Шплинт 3,2х25.019 | |
| 50 | 3470DVR125P62 | Колесная опора |
Содержащиеся в справочниках-каталогах запасные части и детали не предлагаются к продаже, а носят исключительно информационный характер