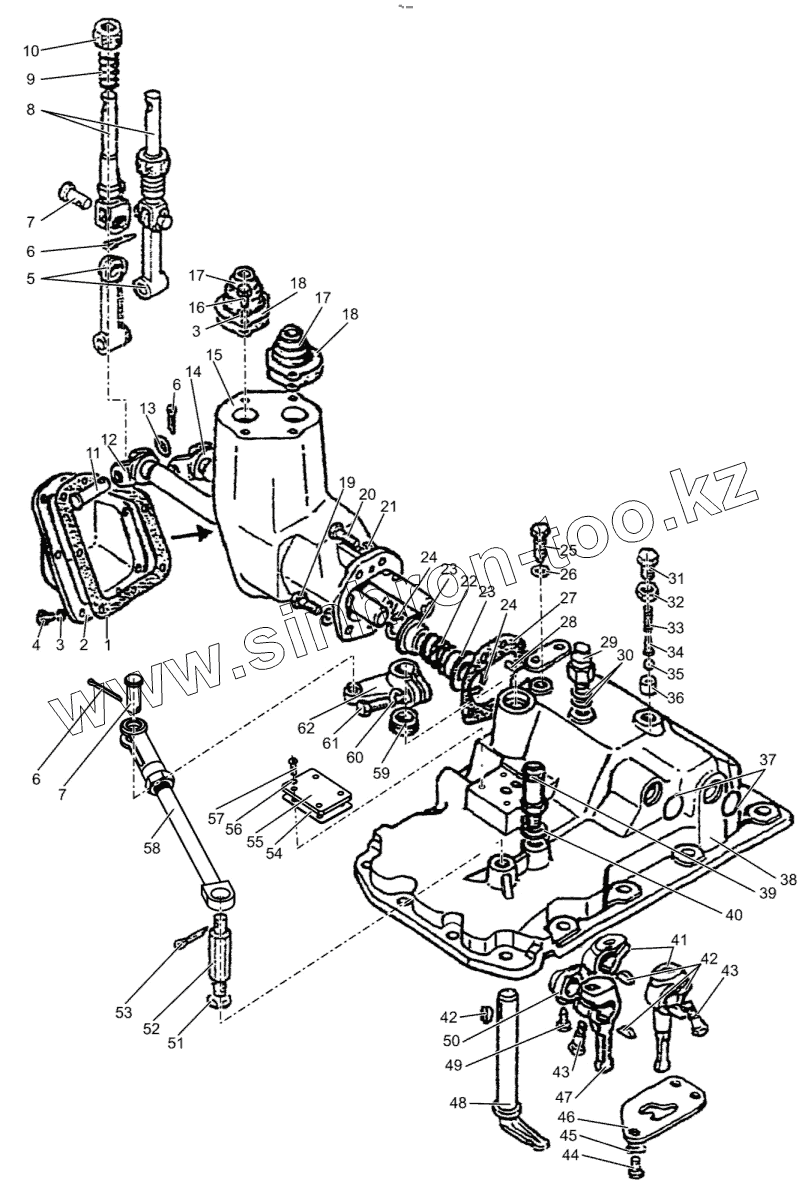
Каталог запасных частей к технике: МТЗ БЕЛАРУС 1502. Механизм управления коробкой передач
1502-1702010
1
2
3
3
4
5
6
6
6
7
7
8
9
10
11
12
13
14
15
16
17
17
18
18
19
20
21
22
23
23
24
24
25
26
27
28
29
30
31
32
33
34
35
36
37
38
39
40
41
42
42
43
43
44
45
46
47
48
49
50
51
52
53
54
55
56
57
58
59
60
61
62
| Позиция на иллюстрации | Заводской номер детали | Название детали | |
|---|---|---|---|
| 1502-1702010 | 1502-1702010 | Механизм управления | |
| 1 | 80-1702068 | Прокладка | |
| 2 | 80-1702067 | Крышка | |
| 3 | 4598166045 | Шайба 6Т | |
| 4 | БолтM6-6gx16.88.35.019 | Болт | |
| 5 | 80С-1702073 | Рычаг | |
| 6 | Шплинт3,2x18.019 | Шплинт | |
| 7 | 4598651081 | Палец | |
| 8 | 80С-1702074 | Вилка | |
| 9 | 77.37.117 | Пружина | |
| 10 | 142-1702032 | Сфера | |
| 11 | 4598651089 | Палец | |
| 12 | 1222-1702070 | Вал | |
| 13 | 85-4619014 | Шайба | |
| 14 | 80С-1702060 | Вал | |
| 15 | 80-1702078-А | Корпус | |
| 16 | БолтM6-6gx20.88.35.019 | Болт M6-6gx20.88.35.019 | |
| 17 | 55-47-569-А | Чехол | |
| 18 | 80С-1702075 | Шайба | |
| 19 | БолтM10-6gx35.88.35.019 | Болт M10-6gx35.88.35.019 | |
| 20 | БолтM10-6gx40.88.35.019 | Болт M10-6gx40.88.35.019 | |
| 21 | 4598166067 | Шайба 10ОТ | |
| 22 | 80-4608057 | Пружина | |
| 23 | 1222-1702064 | Втулка | |
| 24 | КольцоС25 | Кольцо С25 | |
| 25 | 1222-1702048 | Винт | |
| 26 | 85-1702051 | Шайба | |
| 27 | 80С-1702066 | Прокладка | |
| 28 | Штифт8x16 | Штифт 8x16 | |
| 29 | ВК12-41 | Выключатель | |
| 30 | 50-1702048 | Прокладка | |
| 31 | 70-1703204 | Болт | |
| 32 | ГайкаМ16-6Н.04.019 | Гайка | |
| 33 | 50-1702148-А | Пружина фиксатора | |
| 34 | 80-1704039 | Направляющая | |
| 35 | Шарик10,0-60 | Шарик 10,0-60 | |
| 36 | 70-1703013 | Втулка | |
| 37 | Заглушка28-10кп.Ц9.хр | Заглушка 28-10кп.Ц9.хр | |
| 38 | 1222-1702030-Б | Крышка | |
| 39 | 85-1702270 | Сапун | |
| 40 | В50-3522023 | Прокладка | |
| 41 | 85-1702055 | Рычаг | |
| 42 | Шпонка6x10 | Шпонка | |
| 43 | 80-1702108 | Болт | |
| 44 | БолтM10-6gx20.88.35.019 | Болт M10-6gx20.88.35.019 | |
| 45 | 80-3401013 | Шайба | |
| 46 | 1222-1702052 | Кулиса | |
| 47 | 1222-1702055 | Рычаг | |
| 48 | 1222-1702093 | Рычаг | |
| 49 | 220-1702061 | Болт | |
| 50 | 1222-1702074 | Втулка | |
| 51 | 4598166070 | Шайба 16ОТ | |
| 52 | 1222-1702096-Б | Ось | |
| 53 | Шплинт3,2x25.019 | Шплинт | |
| 54 | 2102-1802019 | Прокладка | |
| 55 | 1221-1802012 | Крышка | |
| 56 | 4598166044 | Шайба 5Т | |
| 57 | ВинтВ.М5-6gх16.58.019 | Винт | |
| 58 | 1502-1701010 | Тяга | |
| 59 | Манжета | Манжета | |
| 60 | 4598166068 | Шайба 12ОТ | |
| 61 | БолтM12-6gx35.88.35.019 | Болт | |
| 62 | 1222-1702092 | Рычаг |
Содержащиеся в справочниках-каталогах запасные части и детали не предлагаются к продаже, а носят исключительно информационный характер