Вернуться на главную
Поиск
Каталоги запчастей к технике
Спецтехника
МТЗ
БЕЛАРУС 1502
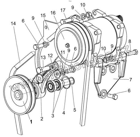
Компрессор кондиционера с приводом. Рычаг натяжной
Каталог запасных частей к технике: МТЗ БЕЛАРУС 1502. Компрессор кондиционера с приводом. Рычаг натяжной
zoom-in
zoom-out
enlarge
shrink
circle-right
circle-left
file-text2
info
cart
Тип техники
Не выбрано
Легковые автомобили
Грузовые автомобили и прицепы
Автобусы
Сельхозтехника
Спецтехника
Двигатели
Мототехника
Марка
Не выбрано
Ammann
BOMAG
CARMIX
CASE IH
Changlin
ChengGong
Dimex
Doosan
DYNAPAC
Foton
HAMM
Hidromek
Hitachi
Hyundai
JCB
JLG
John Deere
Komatsu
LIEBHERR
LiuGong
Lonking (LongGong)
Luneng
MANITOU
Mitsuber
New Holland
PENGPU
RM-Terex
SANY
SDLG
SEM
Shantui
Shehwa HBXG
Soosan
TIGARBO
VOGELE
Volvo
WAY
WIRTGEN
XCMG
XGMA
Xiamen
YTO
Yuchai
Zoomlion
Автокран
АЗСМ
Алтайлесмаш
Амкодор
АОМЗ
Атек
АТЗ
Балканкар Рекорд
БелАЗ
Беловеж
Борекс
Брянский Арсенал
Булат
ВЭКС
ГАЗ
Геомаш
Гидромаш
Донекс
Дормаш
Дормашина
Дорэлектромаш
ДЭЗ
ЕлАЗ
ЗЗГТ
Ижнефтемаш
Канаш-электрокар
КЗКТ
ККЗ
Клевер
Клинцовский автокрановый завод
КМЗ
КМЗ 1 Мая
Ковровец
Коммаш
Кранэкс
КЭЗ
КЭМЗ
ЛЗА
МАЗ
МЗИК
МЗКМ
МЗКТ
Михневский РМЗ
МоАЗ
Мозырский МЗ
МТЗ
ОЗП
Онежец
ПАО "ТЗА"
ППС Детва
Промтрактор
ПТЗ
Раскат
СпецАгрегат
ТВЭКС
ТТМ
УВЗ
Угличмаш
УЗТМ
ХТЗ
ЧЗКМ
ЧСДМ
ЧТЗ
ЭКСКО
ЭКСМАШ
ЮрМаш
Модель
Не выбрано
1502 (2012)
БЕЛАРУС 1502 (2015)
БЕЛАРУС 1502 (2017)
БЕЛАРУС МПТ-461.1 (2015)
КРМ-2 (САЗ) (2015)
М75-04 (2010)
МЛ-131 (2008)
МЛПТ-344 (2011)
МЛПТ-354М (2008)
МПТ-461.1 (2010)
МР-40-01 (2010)
МТЗ-320 МК (2010)
МУП-351 (2010)
ОБ-12 (САЗ) (2015)
ТТР-401М (2010)
Ш-353М (2015)
ЩК-00.010-М (САЗ) (2015)
ЩК-1 (САЗ) (2015)
Схема
>
Не выбрано
Трактор гусеничный «БЕЛАРУС» 1502
Трансмиссия
Установка силовая
Агрегат силовой
Полурама
Система топливная. Бак топливный правый
Топливопровод сливной
Кран
Топливопровод
Топливопровод
Управление подачей топлива. Кронштейн. Серьга
Система очистки воздуха
Система выпуска. Демпфер
Блок охлаждения
Ограждение вентилятора
Охлаждение наддувочного воздуха
Корпус сцепления. Отводка. Стакан. Кронштейн отводки. Вал-шестерня. Вилка
Горловина заливная
Управление сцеплением. Маслопровод
Бачок
Гидроусилитель. Толкатель
Коробка передач
Тяга
Узел передач. Стакан. Вал промежуточный
Крышка
Фильтр. Труба
Механизм управления коробкой передач
Корпус вилок
Сапун
Рычаги КП
Привод насоса. Клапан
Фильтр-распределитель. Ротор с осью. Ось ротора. Стакан ротора. Сетка фильтрующая
Гидросистема ГСП
Радиатор масляный ГСП
Передача карданная трансмиссии
Мост задний
Мост задний. Насос шестеренный. Крышка. Опора. Шестерня ведомая
Мост задний. Крышка
Вал-шестерня
Коробка клапанная с фильтром. Клапан
Горловина заправочная
Передача конечная
Передача конечная
Рама
Движитель гусеничный
Колесо секторное
Каретка
Каретка однобалансирная
Гусеница
Гусеница
Каток поддерживающий 1502-3206100
Каток поддерживающий 1502-3206200
Механизм натяжения гусеницы. Кожух
Колесо направляющее
Амортизатор
Колесо направляющее
Гидроамортизатор
Привод поворота рулевой
Колонка рулевая
Редуктор рулевой с нульустановителем
Система управления тормозами
Тормоз
Баллон
Механизм поворота
Водило
Полумуфта
Механизм отключения гидромотора
Электрооборудование двигателя
Электрооборудование трансмиссии
Установка сигналов звуковых
Установка стеклоомывателя, стеклоочистителя заднего и переднего. Электрооборудование кабины. Установка фар рабочих и фонарей задних
Установка батарей аккумуляторных
Электрооборудование кондиционера или отопителя-вентилятора 1502-3700095
Электрооборудование кондиционера или отопителя-вентилятора 1502-3700090
Электрооборудование гидросистемы. Панель боковая
Установка фонарей передних и фар дорожных
Установка щитка приборов
Щиток приборов
Установка инструментального ящика
Таблички фирменные и инструкционные
Аптечка
Вал отбора мощности. Вал ведущий. Фрикцион. Кожух. Втулка. Крышка
Распределитель
Управление распределителем заднего ВОМ. Переключатель. Распределитель. Кран
Гидросистема 1502-4600010-В1
Гидросистема 1502-4600010-В1-01
Колодка напорная
Пробка. Клапан
Бак
Привод насоса
Вал
Устройство навесное
Раскос
Тяга верхняя
Устройство тягово-сцепное. Тяга
Установка (прямого) отвала. Раскос
Установка (поворотного) отвала. Раскос
Корчеватель
Гидроцилиндр
Установка кабины
Кабина. Установка пульта. Пульт
Облицовка
Установка верхнего пояса. Панель. Козырек
Крыша. Установка фильтра. Панель
Крыша
Дверь левая. Стекло. Запорное устройство
Дверь правая. Стекло. Запорное устройство
Стекло заднее. Установка панели
Стекло боковое левое. Фиксатор левый
Стекло боковое правое. Фиксатор правый
Установка сиденья. Установка подлокотника. Подлокотник
Сиденье оператора
Система кондиционирования
Компрессор кондиционера с приводом. Рычаг натяжной
Система отопления и вентиляции. Отопитель-вентилятор
Зеркало
Облицовка
Ограждение
Крылья
Установка крыльев
Крыло левое
Крыло правое
Установка подножек
1
2
3
4
5
6
6
6
7
8
9
9
9
9
10
10
11
12
13
14
15
16
17
Позиция на иллюстрации
Заводской номер детали
Название детали
2103-8114020
2103-8114020
Рычаг натяжной
2103-8114010
2103-8114010
Установка компрессора
1
2103-8114021
Шкив
2
1221-8114071
Рычаг натяжной
3
Подшипник180203К1С17
Подшипник
4
КольцоС40
Кольцо С40
5
2103-8114022
Ось
6
БолтМ10-6gх25.88.35.019
Болт
7
1221-8114022
Кронштейн
8
364-8114013
Болт специальный
9
4598166067
Шайба 10ОТ
10
ГайкаМ10-6Н.6.019
Гайка
11
50-1002073
Шайба
12
4598166068
Шайба 12ОТ
13
БолтМ12-6gх35.88.35.019
Болт
14
SPA/S-1650
Ремень
15
364-8114011
Пластина
16
015200
Компрессор
17
БолтМ10-6gх30.88.35.019
Болт
Содержащиеся в справочниках-каталогах запасные части и детали не предлагаются к продаже, а носят исключительно информационный характер
Дополнительная информация
×
Название:
Номер:
Примечание: