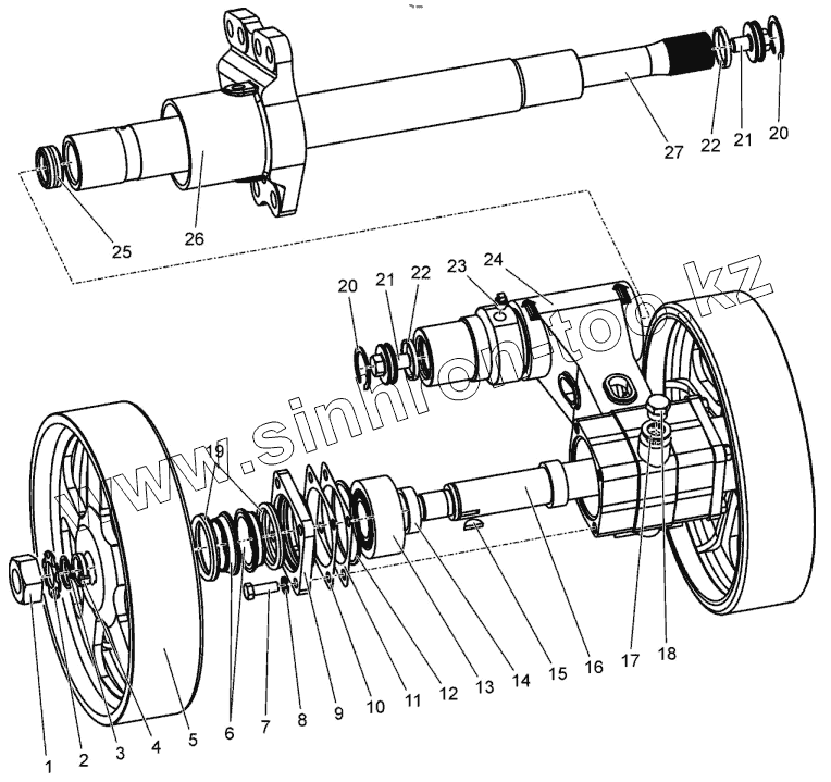
Каталог запасных частей к технике: МТЗ БЕЛАРУС 1502. Каретка однобалансирная
1
2
3
4
5
6
7
8
9
10
11
12
13
13
14
15
16
17
18
19
20
20
21
21
22
22
23
24
24
25
26
26
27
27
| Позиция на иллюстрации | Заводской номер детали | Название детали | |
|---|---|---|---|
| 1502-3201030-А-01 | 1502-3201030-А-01 | Каретка однобалансирная | |
| 1502-3201030-А | 1502-3201030-А | Каретка однобалансирная | |
| 1 | 2103-3201019-А | Гайка | |
| 2 | 2103-3201023 | Шайба стопорная | |
| 3 | 2103-3201022 | Шайба | |
| 4 | 2103-3201028 | Кольцо | |
| 5 | 1502-3204030-Б1 | Каток опорный | |
| 6 | 2103-3201013 | Кольцо скольжения | |
| 7 | БолтМ12-6gх35.88.35.019 | Болт | |
| 8 | 4598166068 | Шайба 12ОТ | |
| 9 | 2103-3201012 | Фланец уплотнения | |
| 10 | 1802-3201029 | Прокладка | |
| 11 | 1802-3201029-01 | Прокладка | |
| 12 | Кольцо099-105-36-2-2 | Кольцо | |
| 13 | Подшипник6-7909А | Подшипник | |
| 13 | Подшипник7909К1 | Подшипник | |
| 14 | 2103-3201029 | Втулка | |
| 15 | Шпонка6х10 | Шпонка 6х10 | |
| 16 | 2103-3201018-Б | Ось катка | |
| 17 | 40-4607033-А | Шайба | |
| 18 | 2103-3201039 | Пробка | |
| 19 | 2103-3201014-А | Кольцо | |
| 20 | КольцоС55 | Кольцо | |
| 21 | 1802-3201017 | Болт | |
| 22 | Кольцо044-052-46-2-2 | Кольцо 044-052-46-2-2 | |
| 23 | ПККГ3/8" | Пробка | |
| 24 | 2103-3201150 | Балансир | |
| 24 | 2103-3201150-01 | Балансир | |
| 25 | 1802-3201031 | Кольцо | |
| 26 | 2103-3201140 | Кронштейн каретки | |
| 26 | 2103-3201140-01 | Кронштейн каретки | |
| 27 | 2103-3201016-01 | Вал торсионный | |
| 27 | 2103-3201016 | Вал торсионный |
Содержащиеся в справочниках-каталогах запасные части и детали не предлагаются к продаже, а носят исключительно информационный характер