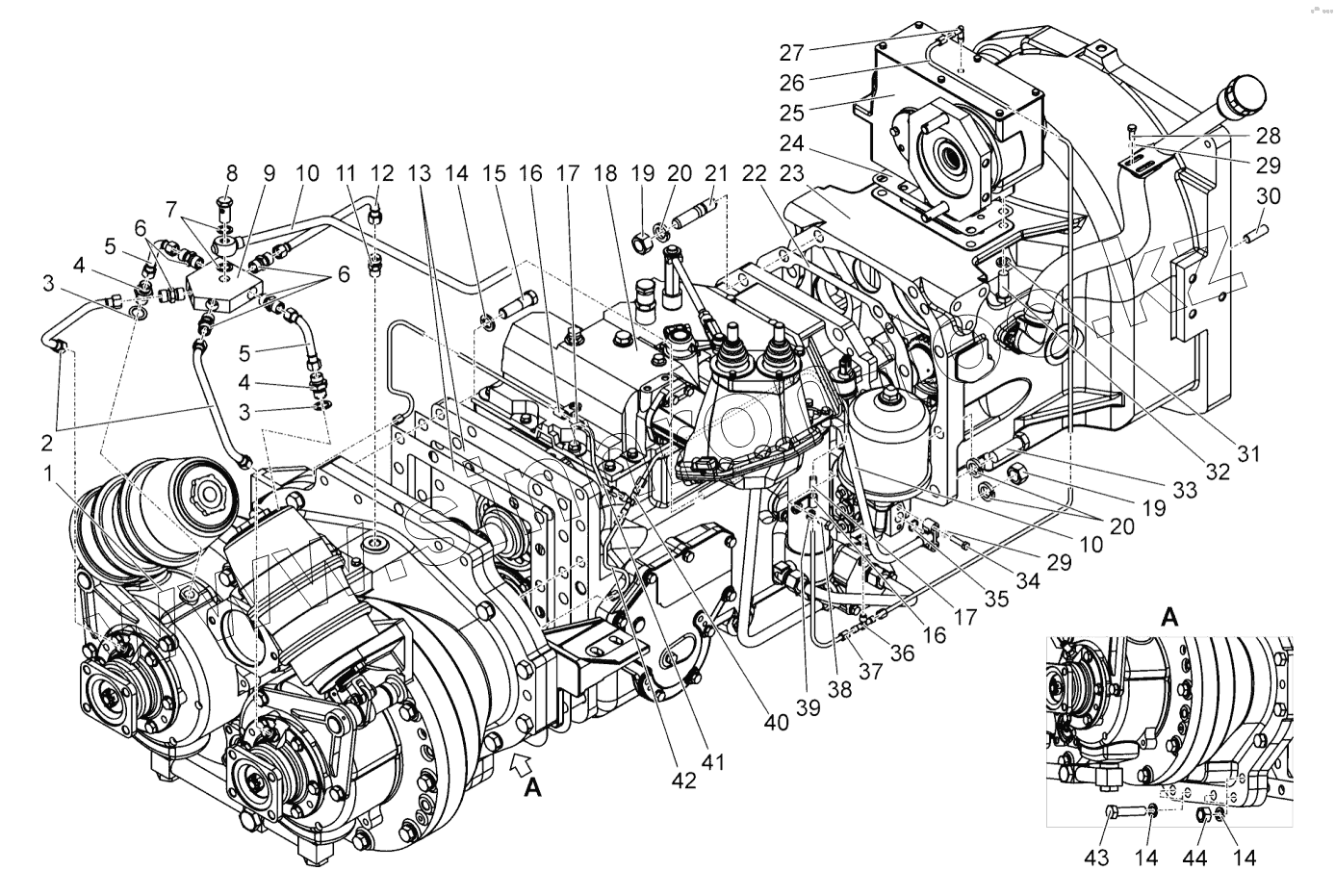
Каталог запасных частей к технике: МТЗ БЕЛАРУС 1502. Трансмиссия
1502-0002000-Б
1502-0002000-Б
1
2
3
3
4
4
5
5
6
6
7
7
7
7
8
9
10
10
11
12
13
14
14
14
15
16
16
17
17
18
19
19
20
20
21
22
23
24
25
26
27
28
29
29
30
31
32
33
34
35
36
37
38
39
40
41
42
43
44
| Позиция на иллюстрации | Заводской номер детали | Название детали | |
|---|---|---|---|
| 1502-0002000-Б | 1502-0002000-Б | Трансмиссия | |
| 1 | 2103-3600050-А | Механизм поворота | |
| 2 | 2103-0002020 | Трубопровод | |
| 3 | 40-4607038-А | Шайба | |
| 4 | 2103-3600291-Б | Переходник | |
| 5 | 2103-0002030 | Трубопровод | |
| 6 | Н.036.05.002 | Штуцер | |
| 7 | 400-868-4490-41 | Шайба М14 | |
| 7 | РРМ14 | Шайба | |
| 7 | SCN227-P18-PM14 | Шайба | |
| 7 | РМ1414E627Y0 | Шайка | |
| 8 | 80Х-3407301 | Болт | |
| 9 | 2103-0002004 | Разветвитель | |
| 10 | 1502-1700040 | Маслопровод | |
| 11 | 2103-3600299 | Штуцер | |
| 12 | 2103-0002010 | Трубопровод | |
| 13 | 2022-2401017 | Прокладка | |
| 14 | 4598166071 | Шайба 180Т ОСТ 37.00.115-70 | |
| 15 | 1221-2401011 | Болт | |
| 16 | 70-4802043 | Кляммер | |
| 17 | 1522-2407317 | Трубка | |
| 18 | 1502-1700010-Б | Коробка передач | |
| 19 | ГайкаМ20-6Н.6.019 | Гайка | |
| 20 | 4598166072 | Шайба 20ОТ | |
| 21 | 80-1701525 | Шпилька | |
| 22 | 80-1701026 | Прокладка | |
| 23 | 1502-1600010 | Корпус сцепления | |
| 24 | 1802-4203026 | Прокладка | |
| 25 | 2103-4203010 | Редуктор | |
| 26 | 1802-4203050 | Маслопровод | |
| 27 | 86-1802088 | Угольник | |
| 28 | БолтМ8-6gх20.88.35.019 | Болт | |
| 29 | 4598166046 | Шайба 8Т | |
| 30 | 50-1601352 | Штифт | |
| 31 | 4598166069 | Шайба 14 ОТ | |
| 32 | БолтМ14х1,5-6gх45.88.35.019 | Болт М14х1,5-6gх45.88.35.019 | |
| 33 | БолтМ20-6gх60.88.35.019 | Болт | |
| 34 | БолтМ8-6gх30.88.35.019 | Болт | |
| 35 | Кольцо017-022-30-1-4 | Кольцо | |
| 36 | 1221-2407288 | Тройник | |
| 37 | 1802-3600230 | Маслопровод | |
| 38 | БолтМ10-6gх20.88.35.019 | Болт | |
| 39 | 4598166067 | Шайба 10ОТ | |
| 40 | 1221-2407288-02 | Тройник | |
| 41 | 1802-3600220 | Маслопровод | |
| 42 | 1802-3600210 | Маслопровод | |
| 43 | 1802-1701526 | Болт | |
| 44 | ГайкаМ18-6Н.6.019 | Гайка М18-6Н.6.019 |
Содержащиеся в справочниках-каталогах запасные части и детали не предлагаются к продаже, а носят исключительно информационный характер